+7 (701) 588 50 05 Телефон для связи
RU

WhatsApp

Позвонить

ЗАПЧАСТИ ДВИГАТЕЛЯ в Алматы

РЕГУЛЯТОРА ОБОРОТОВ (V3800 T KUBOTA)

РЕГУЛЯТОРА ОБОРОТОВ (V3800 T KUBOTA)

1Артикул: 6699734, LEVER ASSY Ref. 2-5, 15 & 31-39 - Was 6689314 - A
2Артикул: 7008651, LEVER, FORK ASSY Ref. 2-5, 15 & 31-39
3Артикул: 6680820, WASHER
Подробнее >
ВОДЯНОЙ ФЛАНЕЦ И ТЕРМОСТАТ (V3800 T KUBOTA)

ВОДЯНОЙ ФЛАНЕЦ И ТЕРМОСТАТ (V3800 T KUBOTA)

1Артикул: 6680858, WASHER
2Артикул: 6685954, COVER thermostat
3Артикул: 6685955, GASKET
Подробнее >
СИСТЕМА ОХЛАЖДЕНИЯ

СИСТЕМА ОХЛАЖДЕНИЯ

1Артикул: 6733429, CAP
2Артикул: 6733996, DECAL, WARNING engine coolant - 14 psi
3Артикул: 6732375, TANK
Подробнее >
РАСПРЕДЕЛИТЕЛЬНЫЙ ВАЛ (V3800 T KUBOTA)

РАСПРЕДЕЛИТЕЛЬНЫЙ ВАЛ (V3800 T KUBOTA)

1Артикул: 6680717, COLLAR
2Артикул: 6680710, BALL
3Артикул: 7017203, CAMSHAFT, VALVE W/Ref. 2 & 4-6 - Was 6680709 - A
Подробнее >
ПОДДОН КАРТЕРА (V3800 T KUBOTA)

ПОДДОН КАРТЕРА (V3800 T KUBOTA)

1Артикул: 7020951, DIPSTICK, OIL ENG Was 6690692 - A
2Артикул: 6680702, TUBE
3Артикул: 6698523, EXCHANGER, OIL COOLER
Подробнее >
ПЕРЕДНЯЯ КРЫШКА (V3800 T KUBOTA)

ПЕРЕДНЯЯ КРЫШКА (V3800 T KUBOTA)

1Артикул: 6680705, SEAL rear
2Артикул: COVER, COVER NLA - Order Ref. 24 - Was 6685931 - A
3Артикул: 6680706, BOLT
Подробнее >
КРЕПЛЕНИЯ ДВИГАТЕЛЯ

КРЕПЛЕНИЯ ДВИГАТЕЛЯ

1Артикул: 7109792, MOUNT
2Артикул: 7106240, SUPPORT
3Артикул: 7131273, SCREW
Подробнее >
ТУРБОКОМПРЕССОР (V3800 T KUBOTA)

ТУРБОКОМПРЕССОР (V3800 T KUBOTA)

1Артикул: 6680896, HOSE
2Артикул: 6653993, CLAMP
3Артикул: 3974143, BAND,PIPE
Подробнее >
ВОДЯНАЯ ПОМПА (V3800 T KUBOTA)

ВОДЯНАЯ ПОМПА (V3800 T KUBOTA)

1Артикул: 6680280, SEAL
2Артикул: IMPELLER, IMPELLER NSS - Order Ref. 3
3Артикул: 6680852, PUMP water - W/Ref. 1 & 2
Подробнее >
ДВИГАТЕЛЬ И КРЕПЕЖНЫЕ ДЕТАЛИ (КРЕПЛЕНИЕ ДВИГАТЕЛЯ) (СЕРИЙНЫЙ НОМЕР A02040248 И ВЫШЕ)

ДВИГАТЕЛЬ И КРЕПЕЖНЫЕ ДЕТАЛИ (КРЕПЛЕНИЕ ДВИГАТЕЛЯ) (СЕРИЙНЫЙ НОМЕР A02040248 И ВЫШЕ)

1Артикул: ENGINE, ENGINE See Illustration ENGINE & UPPER GASKET KIT/ B26841
2Артикул: 84G3116, SCREW
3Артикул: 83D8, NUT 5
Подробнее >
ГОЛОВКА ЦИЛИНДРА (V3800 T KUBOTA)

ГОЛОВКА ЦИЛИНДРА (V3800 T KUBOTA)

1Артикул: 6680868, SHAFT
2Артикул: 25GM8010, SCREW SCREW,SET
3Артикул: 6680878, BOLT
Подробнее >
УСТРОЙСТВО РЕГУЛИРОВАНИЯ ОБОРОТОВ ДВИГАТЕЛЯ (МНОГОРЕЖИМНЫЙ ДЖОЙСТИК УПРАВЛЕНИЯ)

УСТРОЙСТВО РЕГУЛИРОВАНИЯ ОБОРОТОВ ДВИГАТЕЛЯ (МНОГОРЕЖИМНЫЙ ДЖОЙСТИК УПРАВЛЕНИЯ)

1Артикул: 6564452, GRIP
2Артикул: 6730270, LEVER
3Артикул: 38C610, BOLT shoulder
Подробнее >
ГОЛОВКА ЦИЛИНДРА И КРЫШКА (V3800 T KUBOTA)

ГОЛОВКА ЦИЛИНДРА И КРЫШКА (V3800 T KUBOTA)

1Артикул: 6685930, HOSE
2Артикул: 6680698, CLAMP
3Артикул: 6680695, SEAL injection tube
Подробнее >
ДВИГАТЕЛЬ И КРЕПЕЖНЫЕ ДЕТАЛИ (КРЕПЛЕНИЕ ДВИГАТЕЛЯ) (СЕРИЙНЫЙ НОМЕР A02040247 И НИЖЕ)

ДВИГАТЕЛЬ И КРЕПЕЖНЫЕ ДЕТАЛИ (КРЕПЛЕНИЕ ДВИГАТЕЛЯ) (СЕРИЙНЫЙ НОМЕР A02040247 И НИЖЕ)

1Артикул: ENGINE, ENGINE See Illustration ENGINE & UPPER GASKET KIT/ B26841
2Артикул: 84G3108, BOLT
3Артикул: 83D8, NUT 5
Подробнее >
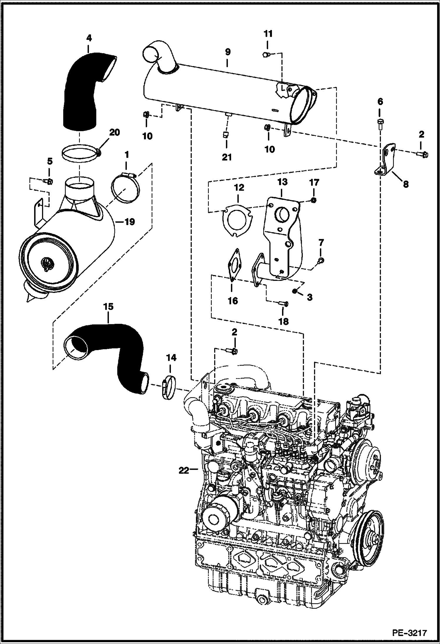
ВОЗДУХООЧИСТИТЕЛЬ (V3800 T KUBOTA)

ВОЗДУХООЧИСТИТЕЛЬ (V3800 T KUBOTA)

1Артикул: 7120334, AIR CLEANER ASSY W/Ref. 2-8
2Артикул: 6681474, CARTRIDGE outer
3Артикул: 6681475, CARTRIDGE inner
Подробнее >
СИСТЕМА ВПРЫСКА ТОПЛИВА (V3800 T KUBOTA)

СИСТЕМА ВПРЫСКА ТОПЛИВА (V3800 T KUBOTA)

1Артикул: 7010301, PUMP, FUEL INJ UNIT assy - Ref. 2-30 - Was 6692369 - A
2Артикул: 6685936, PUMP, FUEL INJ W/Ref. 5 & 6
3Артикул: 6685936REM, PUMP, FUEL INJ. KUBOTA V3300
Подробнее >
УСТРОЙСТВО РЕГУЛИРОВАНИЯ ОБОРОТОВ ДВИГАТЕЛЯ

УСТРОЙСТВО РЕГУЛИРОВАНИЯ ОБОРОТОВ ДВИГАТЕЛЯ

1Артикул: 6564452, GRIP
2Артикул: 6705452, LEVER
3Артикул: 38C610, BOLT shoulder
Подробнее >
ДВИГАТЕЛЬ И КОМПЛЕКТ НИЖНИХ ПРОКЛАДОК (V3800 T KUBOTA)

ДВИГАТЕЛЬ И КОМПЛЕКТ НИЖНИХ ПРОКЛАДОК (V3800 T KUBOTA)

1Артикул: 6688528, ENGINE V3800DI-T-E2CB-BC-2 complete - includes turbocharger, fuel injection pump, intake & exhaust manifolds
2Артикул: 6688528REM, ENGINE, KUBOTA V3800T
3Артикул: 6689755, KIT, GASKET ENG LOWER lower gasket- W/Ref. 3-23
Подробнее >
ДВИГАТЕЛЬ И КРЕПЕЖНЫЕ ДЕТАЛИ (СИСТЕМА РЕМНЕЙ ПРИВОДА)

ДВИГАТЕЛЬ И КРЕПЕЖНЫЕ ДЕТАЛИ (СИСТЕМА РЕМНЕЙ ПРИВОДА)

1Артикул: 38C828, BOLT shoulder
2Артикул: 1313116, BUSHING
3Артикул: 7109910, ADAPTER SPRING
Подробнее >
ДВИГАТЕЛЬ И КРЕПЕЖНЫЕ ДЕТАЛИ (ВОЗДУХООЧИСТИТЕЛЬ, ГЛУШИТЕЛЬ)

ДВИГАТЕЛЬ И КРЕПЕЖНЫЕ ДЕТАЛИ (ВОЗДУХООЧИСТИТЕЛЬ, ГЛУШИТЕЛЬ)

1Артикул: 42HC375, CLAMP
2Артикул: 45C616, BOLT
3Артикул: 53DM8, NUT
Подробнее >
ДВИГАТЕЛЬ И КОМПЛЕКТ ДЕТАЛЕЙ ВЕРХНЕГО УПЛОТНИТЕЛЬНОГО КОЛЬЦА (V3800 T KUBOTA)

ДВИГАТЕЛЬ И КОМПЛЕКТ ДЕТАЛЕЙ ВЕРХНЕГО УПЛОТНИТЕЛЬНОГО КОЛЬЦА (V3800 T KUBOTA)

1Артикул: 6688528, ENGINE V3800DI-T-E2CB-BC-2 complete - includes turbocharger, fuel injection pump, intake & exhaust manifolds
2Артикул: 6688528REM, ENGINE, KUBOTA V3800T
3Артикул: 6689756, KIT, GASKET ENG UPPER upper gasket - Ref. 3-20
Подробнее >
КОЛЛЕКТОРЫ (V3800 T KUBOTA)

КОЛЛЕКТОРЫ (V3800 T KUBOTA)

1Артикул: 6680851, BOLT
2Артикул: 6680886, FLANGE
3Артикул: 6680887, GASKET
Подробнее >
ПОРШЕНЬ И КОЛЕНЧАТЫЙ ВАЛ (V3800 T KUBOTA)

ПОРШЕНЬ И КОЛЕНЧАТЫЙ ВАЛ (V3800 T KUBOTA)

1Артикул: 21JM814, PIN dowel
2Артикул: 6652574, PLUG
3Артикул: 6680667, PLUG
Подробнее >