+7 (701) 588 50 05 Телефон для связи
RU

WhatsApp

Позвонить

ПОРШЕНЬ И КОЛЕНЧАТЫЙ ВАЛ (V3800 T KUBOTA) — Продажа в Казахстане Цены от официального дилера с доставкой в Алматы, Астану и регионы

Техника доступна в:
Полный спектр услуг:
Для Вашего удобства:
Характеристики и описание
Габариты, схема
Техническая документация
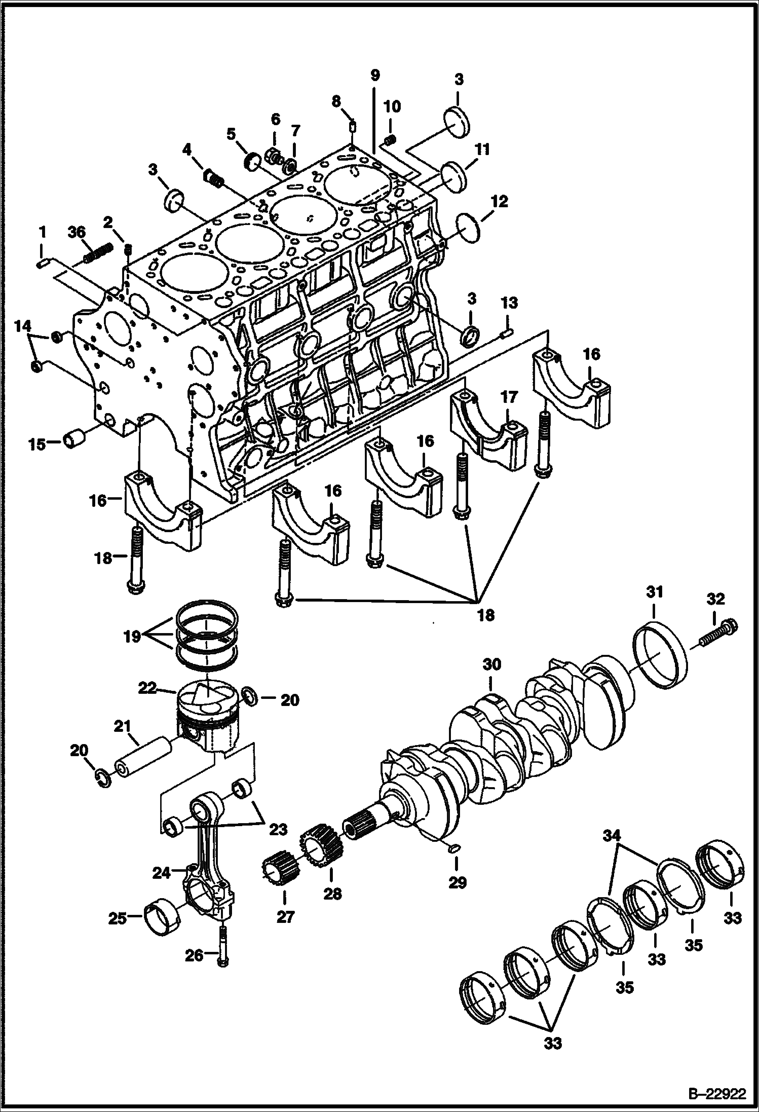
1 Артикул: 21JM814, PIN dowel
2 Артикул: 6652574, PLUG
3 Артикул: 6680667, PLUG
4 Артикул: 3974389, CAP, SEALING
5 Артикул: 6680646, ADAPTER Was 6685920 - A
6 Артикул: 6672354, PLUG
7 Артикул: 6652750, PLUG
8 Артикул: 6652751, GASKET
9 Артикул: 3974037, PIN
10 Артикул: 6692361, BLOCK ENGINE W/Ref. 1-3, 5, 8, 10-18 & 36
11 Артикул: 6680636, PLUG
12 Артикул: 3974390, PLUG
13 Артикул: 6680640, PLUG
14 Артикул: 6685918, PIN
15 Артикул: 3974056, CAP
16 Артикул: 7017198, PIN, STRAIGHT Was 6680644 - A
17 Артикул: CAP, CAP NSS - main bearing - Order Ref. 9
18 Артикул: CAP, CAP NSS - main bearing - Order Ref. 9
19 Артикул: 6680645, BOLT
20 Артикул: 6692364, PISTON RING standard
21 Артикул: 7024329, RING, PISTON +0,50 mm - Was 6692365 - A
22 Артикул: 6680726, SNAP RING internal
23 Артикул: 6680725, PIN
24 Артикул: PISTON,, PISTON, ENG NLA - std (1G544-2111) - Order 6698535 - Was 6692362 - A
25 Артикул: 6698535, PISTON, ENG std (1J550-2111)
26 Артикул: 6698536, PISTON, ENG OS +0,50 mm (1G544-2112 OS50) - Was 6692363 - A
27 Артикул: 6680728, BUSHING
28 Артикул: 6692366, ROD connecting - W/Ref. 23 & 25 - marked blue, yellow or w/o color
29 Артикул: 6680730, ROD BEARING std/blue/set
30 Артикул: 6680731, BEARING, ROD CONNECTING set - yellow or w/o color
31 Артикул: 6680732, ROD BEARING -0,20 mm/set
32 Артикул: 6680733, ROD BEARING -0,40mm/red/set
33 Артикул: 6698599, BOLT Was 6680729 - B,D
34 Артикул: 6680737, GEAR oil pump
35 Артикул: 6680736, GEAR crankshaft
36 Артикул: 3974226, KEY
37 Артикул: 6692367, CRANKSHAFT W/Ref. 27-29 & 31
38 Артикул: 6680735, SLEEVE crankshaft
39 Артикул: 6680747, BOLT, FLYWHEEL flywheel
40 Артикул: 6680738, BEARING MAIN std set
41 Артикул: 6680739, BEARING MAIN -0,20 mm set
42 Артикул: 6680740, BEARING MAIN -0,40 mm set
43 Артикул: 6680741, THRUST WASHER std
44 Артикул: 6680742, THRUST WASHER +0.20 mm
45 Артикул: 6680743, THRUST WASHER +0.40 mm
46 Артикул: 6680744, THRUST WASHER std
47 Артикул: 6680745, THRUST WASHER +0,20 mm
48 Артикул: 6680746, THRUST WASHER +0,40 mm
49 Артикул: 6685919, STUD

ПОРШЕНЬ И КОЛЕНЧАТЫЙ ВАЛ (V3800 T KUBOTA): Техника, которая работает на результат

ПОРШЕНЬ И КОЛЕНЧАТЫЙ ВАЛ (V3800 T KUBOTA) на мини-погрузчик Bobcat S330 A02011001 И ВЫШЕ, A02111001 И ВЫШЕ

Габаритные размеры

Габаритные размеры и схема ПОРШЕНЬ И КОЛЕНЧАТЫЙ ВАЛ (V3800 T KUBOTA)

Нажмите на схему для увеличения

Документация

Документация временно недоступна.

Похожая техника в категории: ЗАПЧАСТИ ДВИГАТЕЛЯ (Bobcat)

Спецтехника РЕГУЛЯТОРА ОБОРОТОВ (V3800 T KUBOTA)

РЕГУЛЯТОРА ОБОРОТОВ (V3800 T KUBOTA)

1Артикул: 669973...
2Артикул: 700865...
3Артикул: 668082...
Подробнее >
Спецтехника ВОДЯНОЙ ФЛАНЕЦ И ТЕРМОСТАТ (V3800 T KUBOTA)

ВОДЯНОЙ ФЛАНЕЦ И ТЕРМОСТАТ (V3800 T KUBOTA)

1Артикул: 668085...
2Артикул: 668595...
3Артикул: 668595...
Подробнее >
Спецтехника СИСТЕМА ОХЛАЖДЕНИЯ

СИСТЕМА ОХЛАЖДЕНИЯ

1Артикул: 673342...
2Артикул: 673399...
3Артикул: 673237...
Подробнее >
Спецтехника РАСПРЕДЕЛИТЕЛЬНЫЙ ВАЛ (V3800 T KUBOTA)

РАСПРЕДЕЛИТЕЛЬНЫЙ ВАЛ (V3800 T KUBOTA)

1Артикул: 668071...
2Артикул: 668071...
3Артикул: 701720...
Подробнее >
Спецтехника ПОДДОН КАРТЕРА (V3800 T KUBOTA)

ПОДДОН КАРТЕРА (V3800 T KUBOTA)

1Артикул: 702095...
2Артикул: 668070...
3Артикул: 669852...
Подробнее >
Спецтехника ПЕРЕДНЯЯ КРЫШКА (V3800 T KUBOTA)

ПЕРЕДНЯЯ КРЫШКА (V3800 T KUBOTA)

1Артикул: 668070...
2Артикул: COVER,...
3Артикул: 668070...
Подробнее >
Спецтехника КРЕПЛЕНИЯ ДВИГАТЕЛЯ

КРЕПЛЕНИЯ ДВИГАТЕЛЯ

1Артикул: 710979...
2Артикул: 710624...
3Артикул: 713127...
Подробнее >
Спецтехника ТУРБОКОМПРЕССОР (V3800 T KUBOTA)

ТУРБОКОМПРЕССОР (V3800 T KUBOTA)

1Артикул: 668089...
2Артикул: 665399...
3Артикул: 397414...
Подробнее >
Спецтехника ВОДЯНАЯ ПОМПА (V3800 T KUBOTA)

ВОДЯНАЯ ПОМПА (V3800 T KUBOTA)

1Артикул: 668028...
2Артикул: IMPELL...
3Артикул: 668085...
Подробнее >
Спецтехника ДВИГАТЕЛЬ И КРЕПЕЖНЫЕ ДЕТАЛИ (КРЕПЛЕНИЕ ДВИГАТЕЛЯ) (СЕРИЙНЫЙ НОМЕР A02040248 И ВЫШЕ)

ДВИГАТЕЛЬ И КРЕПЕЖНЫЕ ДЕТАЛИ (КРЕПЛЕНИЕ ДВИГАТЕЛЯ) (СЕРИЙНЫЙ НОМЕР A02040248 И ВЫШЕ)

1Артикул: ENGINE...
2Артикул: 84G311...
3Артикул: 83D8, ...
Подробнее >
Спецтехника ГОЛОВКА ЦИЛИНДРА (V3800 T KUBOTA)

ГОЛОВКА ЦИЛИНДРА (V3800 T KUBOTA)

1Артикул: 668086...
2Артикул: 25GM80...
3Артикул: 668087...
Подробнее >
Спецтехника УСТРОЙСТВО РЕГУЛИРОВАНИЯ ОБОРОТОВ ДВИГАТЕЛЯ (МНОГОРЕЖИМНЫЙ ДЖОЙСТИК УПРАВЛЕНИЯ)

УСТРОЙСТВО РЕГУЛИРОВАНИЯ ОБОРОТОВ ДВИГАТЕЛЯ (МНОГОРЕЖИМНЫЙ ДЖОЙСТИК УПРАВЛЕНИЯ)

1Артикул: 656445...
2Артикул: 673027...
3Артикул: 38C610...
Подробнее >