+7 (701) 588 50 05 Телефон для связи
RU

WhatsApp

Позвонить

УСТАНОВКА КАРБЮРАТОРА ДВИГАТЕЛЯ KAWASAKI — Продажа в Казахстане Цены от официального дилера с доставкой в Алматы, Астану и регионы

Техника доступна в:
Полный спектр услуг:
Для Вашего удобства:
Характеристики и описание
Габариты, схема
Техническая документация
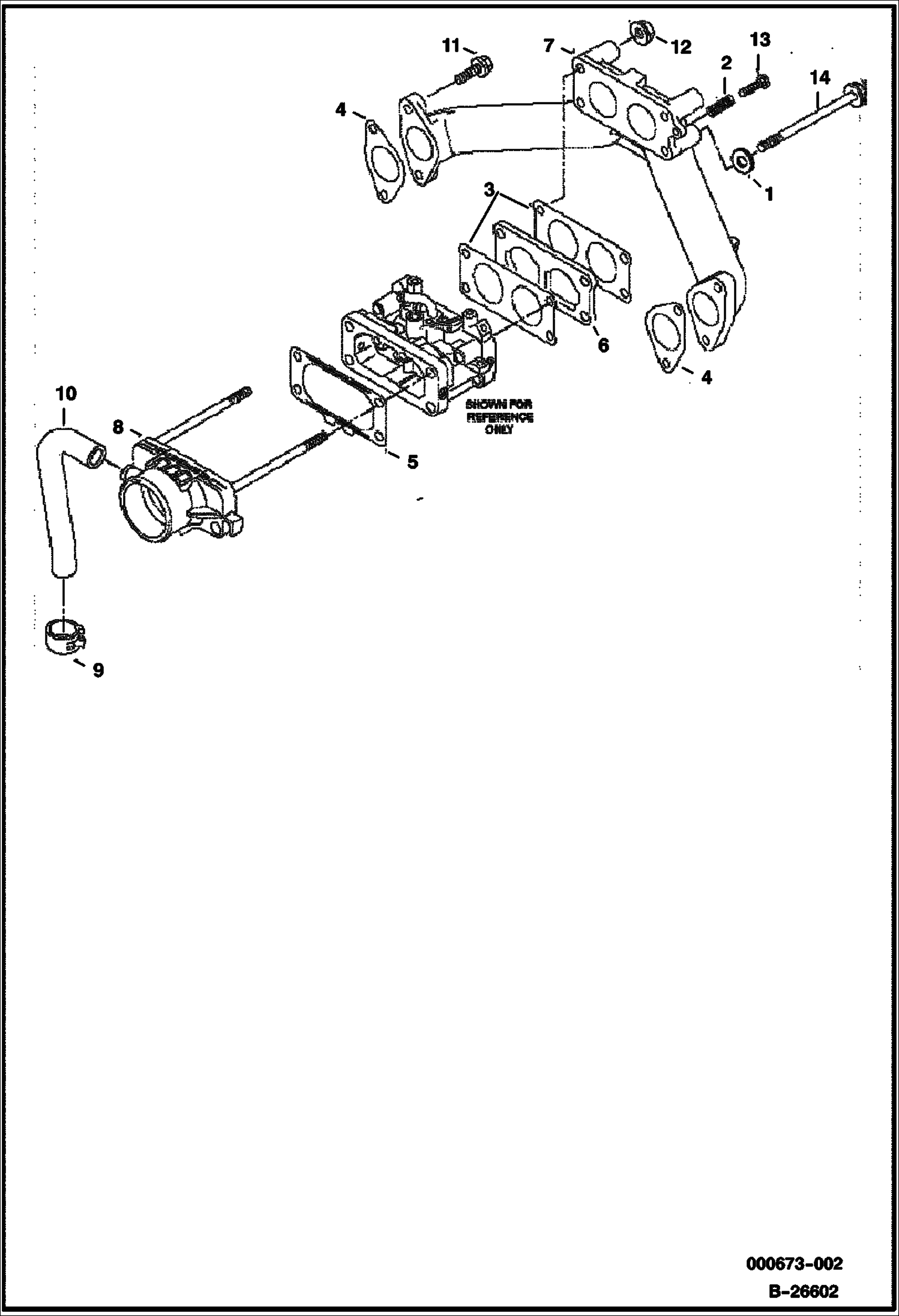
1 Артикул: 1016513CC, WASHER
2 Артикул: 103002801CC, SPRING
3 Артикул: 103003801CC, GASKET
4 Артикул: 103003901CC, GASKET manifold
5 Артикул: 103004201CC, GASKET air filter mount
6 Артикул: 103005001CC, INSULATOR manifold
7 Артикул: 103005601CC, INTAKE MANIFOLD
8 Артикул: 103297101CC, PIPE intake adapter
9 Артикул: 103297201CC, CLAMP
10 Артикул: 103297301CC, TUBE
11 Артикул: 29CM620, SCREW
12 Артикул: 1DM6, NUT Was 4DM6 - A
13 Артикул: 103320301CC, SCREW
14 Артикул: 103320401CC, BOLT M6x105

УСТАНОВКА КАРБЮРАТОРА ДВИГАТЕЛЯ KAWASAKI: Техника, которая работает на результат

УСТАНОВКА КАРБЮРАТОРА ДВИГАТЕЛЯ KAWASAKI на дизельные автомобили Bobcat 2200 A59Y11001 И ВЫШЕ, A59Z11001 И ВЫШЕ

Габаритные размеры

Габаритные размеры и схема УСТАНОВКА КАРБЮРАТОРА ДВИГАТЕЛЯ KAWASAKI

Нажмите на схему для увеличения

Документация

Документация временно недоступна.

Похожая техника в категории: ЗАПЧАСТИ ДВИГАТЕЛЯ (Bobcat)

Спецтехника ГОЛОВКА ЦИЛИНДРА И КРИВОШИПНАЯ КОРОБКА KAWASAKI ДВИГАТЕЛЯ

ГОЛОВКА ЦИЛИНДРА И КРИВОШИПНАЯ КОРОБКА KAWASAKI ДВИГАТЕЛЯ

1Артикул: 102990...
2Артикул: 102990...
3Артикул: 102990...
Подробнее >
Спецтехника МОНТАЖ ДВИГАТЕЛЯ ДИЗЕЛЬ KUBOTA D722

МОНТАЖ ДВИГАТЕЛЯ ДИЗЕЛЬ KUBOTA D722

1Артикул: 101276...
2Артикул: 101833...
3Артикул: 101833...
Подробнее >
Спецтехника ПОРШНЕВОЙ КОМПЛЕКТ ДИЗЕЛЬ

ПОРШНЕВОЙ КОМПЛЕКТ ДИЗЕЛЬ

1Артикул: KIT, K...
2Артикул: 397403...
3Артикул: 667039...
Подробнее >
Спецтехника ТРУБОПРОВОД СИСТЕМЫ ОХЛАЖДЕНИЯ И ШЛАНГИ

ТРУБОПРОВОД СИСТЕМЫ ОХЛАЖДЕНИЯ И ШЛАНГИ

1Артикул: 102628...
2Артикул: PIPE, ...
3Артикул: PIPE, ...
Подробнее >
Спецтехника КРИВОШИПНАЯ КОРОБКА ДИЗЕЛЬ

КРИВОШИПНАЯ КОРОБКА ДИЗЕЛЬ

1Артикул: 102600...
2Артикул: 102600...
3Артикул: 102600...
Подробнее >
Спецтехника ПОРШНИ И КОЛЕНЧАТЫЙ ВАЛ ДВИГАТЕЛЯ KAWASAKI

ПОРШНИ И КОЛЕНЧАТЫЙ ВАЛ ДВИГАТЕЛЯ KAWASAKI

1Артикул: 102993...
2Артикул: 102993...
3Артикул: 102993...
Подробнее >
Спецтехника ТОПЛИВНЫЙ РАСПРЕДЕЛИТЕЛЬНЫЙ ВАЛ ДИЗЕЛЬ

ТОПЛИВНЫЙ РАСПРЕДЕЛИТЕЛЬНЫЙ ВАЛ ДИЗЕЛЬ

1Артикул: 1CM612...
2Артикул: 667042...
3Артикул: 667042...
Подробнее >
Спецтехника ВЫХЛОПНОЙ КОЛЛЕКТОР ДВИГАТЕЛЯ KAWASAKI

ВЫХЛОПНОЙ КОЛЛЕКТОР ДВИГАТЕЛЯ KAWASAKI

1Артикул: 102949...
2Артикул: 103268...
3Артикул: 967044...
Подробнее >
Спецтехника РАСПРЕДЕЛИТЕЛЬНЫЙ ВАЛ И ШЕСТЕРНИ НАТЯЖНОГО КОЛЕСА ДИЗЕЛЬ

РАСПРЕДЕЛИТЕЛЬНЫЙ ВАЛ И ШЕСТЕРНИ НАТЯЖНОГО КОЛЕСА ДИЗЕЛЬ

1Артикул: 1CM612...
2Артикул: 667038...
3Артикул: 667038...
Подробнее >
Спецтехника КОМПЛЕКТ ПРОКЛАДОК ДИЗЕЛЬ

КОМПЛЕКТ ПРОКЛАДОК ДИЗЕЛЬ

1Артикул: UPPER,...
2Артикул: 102422...
3Артикул: 397403...
Подробнее >
Спецтехника ТРАНСПОРТНОЕ СРЕДСТВО ДЛЯ ПРОКЛАДКИ КАБЕЛЕЙ С ДВИГАТЕЛЕМ KAWASAKI

ТРАНСПОРТНОЕ СРЕДСТВО ДЛЯ ПРОКЛАДКИ КАБЕЛЕЙ С ДВИГАТЕЛЕМ KAWASAKI

1Артикул: 103276...
2Артикул: 101108...
3Артикул: 102457...
Подробнее >
Спецтехника КРЫШКА ГОЛОВКИ ДИЗЕЛЬ

КРЫШКА ГОЛОВКИ ДИЗЕЛЬ

1Артикул: 668300...
2Артикул: 102644...
3Артикул: 102798...
Подробнее >