+7 (701) 588 50 05 Телефон для связи
RU

WhatsApp

Позвонить

ВТОРИЧНЫЙ ВАЛ ГИДРОСТАТИЧЕСКОЙ ТРАНСМИССИИ — Продажа в Казахстане Цены от официального дилера с доставкой в Алматы, Астану и регионы

Техника доступна в:
Полный спектр услуг:
Для Вашего удобства:
Характеристики и описание
Габариты, схема
Техническая документация
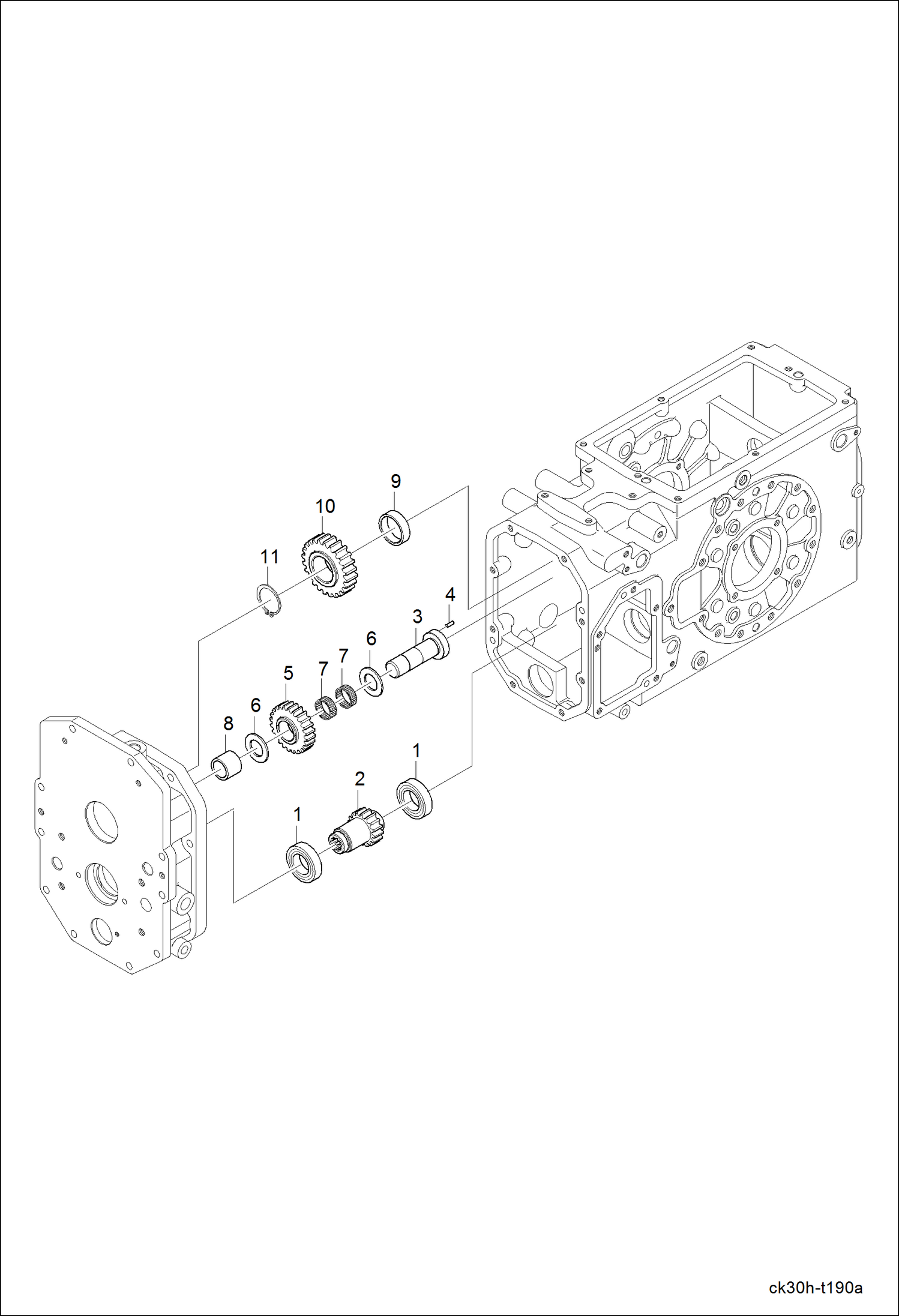
1 Артикул: 6694237, BEARING BALL
2 Артикул: 6697275, GEAR 15
3 Артикул: 6696621, SHAFT, HST COUNTER
4 Артикул: 6696388, PIN STRAIGHT
5 Артикул: 6697276, GEAR 22
6 Артикул: 6695752, BUSHING THRUST
7 Артикул: 6695470, BEARING NEEDLE
8 Артикул: 6695742, BUSHING
9 Артикул: 6695743, BUSHING
10 Артикул: 6697284, GEAR 27
11 Артикул: 6694115, RING SNAP

ВТОРИЧНЫЙ ВАЛ ГИДРОСТАТИЧЕСКОЙ ТРАНСМИССИИ: Техника, которая работает на результат

ВТОРИЧНЫЙ ВАЛ ГИДРОСТАТИЧЕСКОЙ ТРАНСМИССИИ на мини-трактор Bobcat CT225 A59B11001 И ВЫШЕ, ABFJ11001 И ВЫШЕ

Габаритные размеры

Габаритные размеры и схема ВТОРИЧНЫЙ ВАЛ ГИДРОСТАТИЧЕСКОЙ ТРАНСМИССИИ

Нажмите на схему для увеличения

Документация

Документация временно недоступна.

Похожая техника в категории: ТРАНСМИССИЯ (Bobcat)

Спецтехника КАРТЕР ГИДРОСТАТИЧЕСКОЙ ТРАНСМИССИИ

КАРТЕР ГИДРОСТАТИЧЕСКОЙ ТРАНСМИССИИ

1Артикул: 669737...
2Артикул: 669401...
3Артикул: 27DM10...
Подробнее >
Спецтехника КАРТЕР ФРИКЦИОНА В СБОРЕ 1

КАРТЕР ФРИКЦИОНА В СБОРЕ 1

1Артикул: 669737...
2Артикул: 669488...
3Артикул: 669422...
Подробнее >
Спецтехника ВНУТРЕННЯЯ ГИДРОЛИНИЯ ГИДРОСТАТИЧЕСКОЙ ТРАНСМИССИИ

ВНУТРЕННЯЯ ГИДРОЛИНИЯ ГИДРОСТАТИЧЕСКОЙ ТРАНСМИССИИ

1Артикул: 669772...
2Артикул: 669413...
3Артикул: 669559...
Подробнее >
Спецтехника УСТРОЙСТВО УПРАВЛЕНИЯ ГИДРОСТАТИЧЕСКОЙ ТРАНСМИССИИ 2

УСТРОЙСТВО УПРАВЛЕНИЯ ГИДРОСТАТИЧЕСКОЙ ТРАНСМИССИИ 2

1Артикул: 669747...
2Артикул: 669718...
3Артикул: 669734...
Подробнее >
Спецтехника ПЕДАЛЬ ГЛАВНОГО ФРИКЦИОНА В СБОРЕ

ПЕДАЛЬ ГЛАВНОГО ФРИКЦИОНА В СБОРЕ

1Артикул: 669747...
2Артикул: 669584...
3Артикул: 669651...
Подробнее >
Спецтехника РЫЧАГ ФРИКЦИОНА В СБОРЕ

РЫЧАГ ФРИКЦИОНА В СБОРЕ

1Артикул: 669741...
2Артикул: 669614...
3Артикул: 669426...
Подробнее >
Спецтехника ЦИЛИНДР РУЛЕВОГО УПРАВЛЕНИЯ С УСИЛИТЕЛЕМ

ЦИЛИНДР РУЛЕВОГО УПРАВЛЕНИЯ С УСИЛИТЕЛЕМ

1Артикул: 669688...
2Артикул: 669547...
3Артикул: 669413...
Подробнее >
Спецтехника ВИЛКА ПЕРЕКЛЮЧАТЕЛЯ В СБОРЕ

ВИЛКА ПЕРЕКЛЮЧАТЕЛЯ В СБОРЕ

1Артикул: 669593...
2Артикул: 669675...
3Артикул: 669423...
Подробнее >
Спецтехника ПЕРЕДНИЙ ДИФФЕРЕНЦИАЛ

ПЕРЕДНИЙ ДИФФЕРЕНЦИАЛ

1Артикул: 669587...
2Артикул: 669570...
3Артикул: 669582...
Подробнее >
Спецтехника ОПОРА ПЕРЕДНЕГО МОСТА В СБОРЕ

ОПОРА ПЕРЕДНЕГО МОСТА В СБОРЕ

1Артикул: 700026...
2Артикул: 669748...
3Артикул: 669627...
Подробнее >
Спецтехника РЫЧАГ КОРОБКИ ОТБОРА МОЩНОСТИ, РАСПОЛОЖЕННЫЙ СЗАДИ

РЫЧАГ КОРОБКИ ОТБОРА МОЩНОСТИ, РАСПОЛОЖЕННЫЙ СЗАДИ

1Артикул: 669661...
2Артикул: 669742...
3Артикул: 669496...
Подробнее >
Спецтехника КАРТЕР КОРОБКИ ПЕРЕДАЧ

КАРТЕР КОРОБКИ ПЕРЕДАЧ

1Артикул: 728453...
2Артикул: 669677...
3Артикул: 27DM10...
Подробнее >