+7 (701) 588 50 05 Телефон для связи
RU

WhatsApp

Позвонить

914B ЭКСКАВАТОР-ПОГРУЗЧИК в Алматы

ЭКСКАВАТОР-ПОГРУЗЧИК (ГИДРАВЛИКА ВСПОМОГАТЕЛЬНОГО ОБОРУДОВАНИЯ, РАСПОЛОЖЕННОГО СЗАДИ) (2400) (2410 509212177 И ВЫШЕ)

ЭКСКАВАТОР-ПОГРУЗЧИК (ГИДРАВЛИКА ВСПОМОГАТЕЛЬНОГО ОБОРУДОВАНИЯ, РАСПОЛОЖЕННОГО СЗАДИ) (2400) (2410 509212177 И ВЫШЕ)

1Артикул: 6537280, KIT rear auxiliary - Was SALES - A
2Артикул: 85D8, NUT, 5
3Артикул: 61D8, NUT 5
Подробнее >
ЭКСКАВАТОР-ПОГРУЗЧИК (ГИДРАВЛИКА ВСПОМОГАТЕЛЬНОГО ОБОРУДОВАНИЯ, РАСПОЛОЖЕННОГО СЗАДИ) (2400) (2410 509212335 И ВЫШЕ)

ЭКСКАВАТОР-ПОГРУЗЧИК (ГИДРАВЛИКА ВСПОМОГАТЕЛЬНОГО ОБОРУДОВАНИЯ, РАСПОЛОЖЕННОГО СЗАДИ) (2400) (2410 509212335 И ВЫШЕ)

1Артикул: 6650511, HOSE Was 6649474 - A
2Артикул: 17K8, FITTING Was 77F000008B - B
3Артикул: 6532128, HOSE ASSY. Was 6584688 - A
Подробнее >
ЭКСКАВАТОР-ПОГРУЗЧИК (ГИДРАВЛИКА ВСПОМОГАТЕЛЬНОГО ОБОРУДОВАНИЯ, РАСПОЛОЖЕННОГО СЗАДИ) (2400) (2410 509212001 - 12334)

ЭКСКАВАТОР-ПОГРУЗЧИК (ГИДРАВЛИКА ВСПОМОГАТЕЛЬНОГО ОБОРУДОВАНИЯ, РАСПОЛОЖЕННОГО СЗАДИ) (2400) (2410 509212001 - 12334)

1Артикул: 6650511, HOSE Was 6649474 - A
2Артикул: 77F8, ELBOW Was 87F000008B - B
3Артикул: 6532128, HOSE ASSY. Was 6584688 - A
Подробнее >
ЭКСКАВАТОР-ПОГРУЗЧИК (СЕКЦИЯ ЧЕРПАКА) (911B) (914B)

ЭКСКАВАТОР-ПОГРУЗЧИК (СЕКЦИЯ ЧЕРПАКА) (911B) (914B)

1Артикул: 6647676, SECTION Ref. 2-18
2Артикул: 6647700, RELIEF VALVE
3Артикул: O-RING, O-RING NSS
Подробнее >
ЭКСКАВАТОР-ПОГРУЗЧИК (ЦИЛИНДР КОВША) (911B)

ЭКСКАВАТОР-ПОГРУЗЧИК (ЦИЛИНДР КОВША) (911B)

1Артикул: CYLINDER, CYLINDER NLA - W/tube - Order 6591977 cyl. & 6529332 hose
2Артикул: 6591977, CYLINDER W/O tube - Ref. 7-16
3Артикул: 6592039, CASE
Подробнее >
ЭКСКАВАТОР-ПОГРУЗЧИК (РАМА ШАССИ) (914B)

ЭКСКАВАТОР-ПОГРУЗЧИК (РАМА ШАССИ) (914B)

1Артикул: CAP, CAP NLA - Was 6648801 - A
2Артикул: 31C1228, BOLT
3Артикул: 6593892, WASHER
Подробнее >
ЭКСКАВАТОР-ПОГРУЗЧИК (РЫЧАГ ИЗМЕНЕНИЯ РАССТОЯНИЯ, ПРОХОДИМОГО УПРУГИМ КОЛЕСОМ ЗА 1 ОБОРОТ, ПРИ ПЕРЕДАЧЕ ТЯГОВОГО МОМЕНТА) (911B)

ЭКСКАВАТОР-ПОГРУЗЧИК (РЫЧАГ ИЗМЕНЕНИЯ РАССТОЯНИЯ, ПРОХОДИМОГО УПРУГИМ КОЛЕСОМ ЗА 1 ОБОРОТ, ПРИ ПЕРЕДАЧЕ ТЯГОВОГО МОМЕНТА) (911B)

1Артикул: 6631036, JOINT
2Артикул: 62D4, NUT
3Артикул: 6646490, CABLE
Подробнее >
ЭКСКАВАТОР-ПОГРУЗЧИК (РАМА ШАССИ) (911B)

ЭКСКАВАТОР-ПОГРУЗЧИК (РАМА ШАССИ) (911B)

1Артикул: CAP, CAP NLA - Was 6648801 - A
2Артикул: 31C1228, BOLT
3Артикул: 6593892, WASHER
Подробнее >
ЭКСКАВАТОР-ПОГРУЗЧИК (СТРЕЛА И РУКОЯТЬ СТРЕЛЫ ЧЕРПАКА) (911B)

ЭКСКАВАТОР-ПОГРУЗЧИК (СТРЕЛА И РУКОЯТЬ СТРЕЛЫ ЧЕРПАКА) (911B)

1Артикул: 22J24, RING SNAP retainer - Was 6538285 - B
2Артикул: 231924, WASHER 1/8-- (3.18 mm) thick
3Артикул: 6560390, LINK W/ pins
Подробнее >
ЭКСКАВАТОР-ПОГРУЗЧИК (ИНДИКАТОР ПОЛОЖЕНИЯ ЦИЛИНДРОВОГО ЗАМКА) (KIT #6537285) (2400) (2410)

ЭКСКАВАТОР-ПОГРУЗЧИК (ИНДИКАТОР ПОЛОЖЕНИЯ ЦИЛИНДРОВОГО ЗАМКА) (KIT #6537285) (2400) (2410)

1Артикул: 6610510, TIE
2Артикул: 14D6, NUT
3Артикул: 12E6, WASHER
Подробнее >
ЭКСКАВАТОР-ПОГРУЗЧИК (ЦИЛИНДР СТРЕЛЫ) (914B)

ЭКСКАВАТОР-ПОГРУЗЧИК (ЦИЛИНДР СТРЕЛЫ) (914B)

1Артикул: 6529704, CYLINDER Ref. 2-19
2Артикул: 6529698, ROD
3Артикул: 6593105, HEAD
Подробнее >
ЭКСКАВАТОР-ПОГРУЗЧИК (СЕКЦИЯ ВСПОМОГАТЕЛЬНОГО ОБОРУДОВАНИЯ ЗАДНЕЙ ЧАСТИ) (ВСПОМОГАТЕЛЬНЫЙ КЛАПАН ЗАДНЕЙ ЧАСТИ)

ЭКСКАВАТОР-ПОГРУЗЧИК (СЕКЦИЯ ВСПОМОГАТЕЛЬНОГО ОБОРУДОВАНИЯ ЗАДНЕЙ ЧАСТИ) (ВСПОМОГАТЕЛЬНЫЙ КЛАПАН ЗАДНЕЙ ЧАСТИ)

1Артикул: 6647703, SECTION Ref. 2-17
2Артикул: 6647688, PLATE
3Артикул: 6647689, SCREW
Подробнее >
ЭКСКАВАТОР-ПОГРУЗЧИК (ГИДРАВЛИКА ВСПОМОГАТЕЛЬНОГО ОБОРУДОВАНИЯ, РАСПОЛОЖЕННОГО СЗАДИ) (2400) (2410 509212001 - 12176)

ЭКСКАВАТОР-ПОГРУЗЧИК (ГИДРАВЛИКА ВСПОМОГАТЕЛЬНОГО ОБОРУДОВАНИЯ, РАСПОЛОЖЕННОГО СЗАДИ) (2400) (2410 509212001 - 12176)

1Артикул: KIT, KIT SALES - rear auxiliary
2Артикул: 85D8, NUT, 5
3Артикул: 61D8, NUT 5
Подробнее >
ЭКСКАВАТОР-ПОГРУЗЧИК (ГИДРАВЛИКА ОСНОВНОЙ РАМЫ) (914B)

ЭКСКАВАТОР-ПОГРУЗЧИК (ГИДРАВЛИКА ОСНОВНОЙ РАМЫ) (914B)

1Артикул: 6539087, HOSE Was 6584677 - A
2Артикул: 731795, CONNECTR W/Ref. 3
3Артикул: 79K10, O RING 10
Подробнее >
ЭКСКАВАТОР-ПОГРУЗЧИК (СЕКЦИЯ КОВША) (911B) (914B)

ЭКСКАВАТОР-ПОГРУЗЧИК (СЕКЦИЯ КОВША) (911B) (914B)

1Артикул: 6647677, SECTION Ref. 2-19
2Артикул: 6647696, VALVE
3Артикул: O-RING, O-RING NSS
Подробнее >
ЭКСКАВАТОР-ПОГРУЗЧИК (ЦИЛИНДР ЗАМКАR) (911B) (914B)

ЭКСКАВАТОР-ПОГРУЗЧИК (ЦИЛИНДР ЗАМКАR) (911B) (914B)

1Артикул: 6593259, CYLINDER Ref. 2-13
2Артикул: 6593270, CASE
3Артикул: 92D12, NUT Was 88D000012B - B
Подробнее >
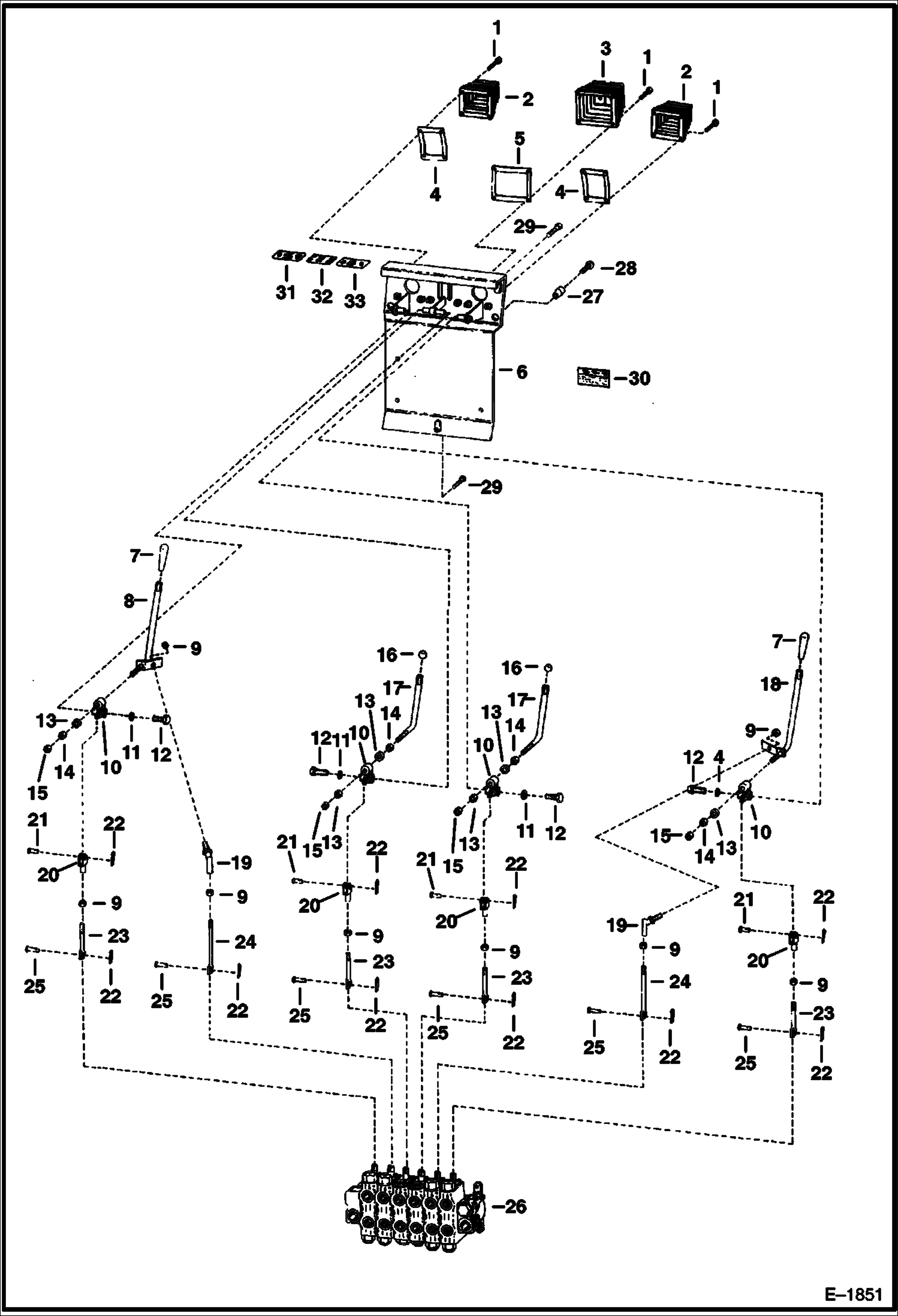
ЭКСКАВАТОР-ПОГРУЗЧИК (УПРАВЛЕНИЕ ВСПОМОГАТЕЛЬНЫМ ОБОРУДОВАНИЕМ ЗАДНЕЙ ЧАСТИ) (2400) (2410)

ЭКСКАВАТОР-ПОГРУЗЧИК (УПРАВЛЕНИЕ ВСПОМОГАТЕЛЬНЫМ ОБОРУДОВАНИЕМ ЗАДНЕЙ ЧАСТИ) (2400) (2410)

1Артикул: 6515888, KNOB
2Артикул: 6531289, LEVER Was 6531287 - D
3Артикул: 24G1012, BOLT
Подробнее >
ЭКСКАВАТОР-ПОГРУЗЧИК (СЕКЦИЯ СТРЕЛЫ) (911B) (914B)

ЭКСКАВАТОР-ПОГРУЗЧИК (СЕКЦИЯ СТРЕЛЫ) (911B) (914B)

1Артикул: 6647685, SECTION Ref. 2-21
2Артикул: 6647687, RELIEF VALVE
3Артикул: O-RING, O-RING NSS
Подробнее >
ЭКСКАВАТОР-ПОГРУЗЧИК (ГИДРАВЛИКА ОСНОВНОЙ РАМЫ) (911B)

ЭКСКАВАТОР-ПОГРУЗЧИК (ГИДРАВЛИКА ОСНОВНОЙ РАМЫ) (911B)

1Артикул: 6539087, HOSE Was 6584677 - A
2Артикул: 731795, CONNECTR W/Ref. 3
3Артикул: 79K10, O RING 10
Подробнее >
ЭКСКАВАТОР-ПОГРУЗЧИК (ОТДЕЛЕНИЕ СТАБИЛИЗАТОРА) (911B) (914B)

ЭКСКАВАТОР-ПОГРУЗЧИК (ОТДЕЛЕНИЕ СТАБИЛИЗАТОРА) (911B) (914B)

1Артикул: 6647682, SECTION Ref. 2-19
2Артикул: 6647697, CHECK VALVE lock out
3Артикул: O-RING, O-RING NSS
Подробнее >
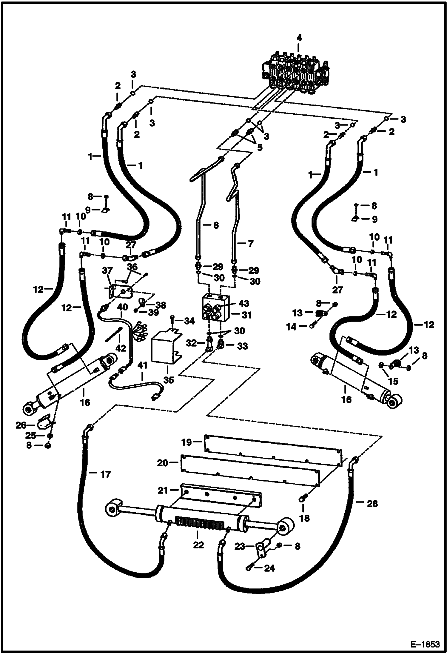
ЭКСКАВАТОР-ПОГРУЗЧИК (СХЕМА ГИДРАВЛИЧЕСКОЙ СИСТЕМЫ) (914B 058911179 И ВЫШЕ)

ЭКСКАВАТОР-ПОГРУЗЧИК (СХЕМА ГИДРАВЛИЧЕСКОЙ СИСТЕМЫ) (914B 058911179 И ВЫШЕ)

1Артикул: 17K8, FITTING W/Ref. 4
2Артикул: 6650511, HOSE 50-- (1270 mm) long - Was 6650512 - A
3Артикул: 6532131, TUBE
Подробнее >
ЭКСКАВАТОР-ПОГРУЗЧИК (СТРЕЛА И РУКОЯТЬ СТРЕЛЫ ЧЕРПАКА) (914B)

ЭКСКАВАТОР-ПОГРУЗЧИК (СТРЕЛА И РУКОЯТЬ СТРЕЛЫ ЧЕРПАКА) (914B)

1Артикул: 6593291, CYLINDER See Illustration BACKHOE/ C2892A bucket
2Артикул: 6584872, WASHER
3Артикул: 22J24, RING SNAP Was 6538285 - B
Подробнее >
ЭКСКАВАТОР-ПОГРУЗЧИК (СХЕМА ГИДРАВЛИЧЕСКОЙ СИСТЕМЫ) (911B)

ЭКСКАВАТОР-ПОГРУЗЧИК (СХЕМА ГИДРАВЛИЧЕСКОЙ СИСТЕМЫ) (911B)

1Артикул: 17K8, FITTING W/Ref. 4
2Артикул: 6650511, HOSE 50-- (1270 mm) long
3Артикул: 6532131, TUBE
Подробнее >
ЭКСКАВАТОР-ПОГРУЗЧИК (РЕГУЛИРУЮЩИЙ КЛАПАН) (911B) (914B)

ЭКСКАВАТОР-ПОГРУЗЧИК (РЕГУЛИРУЮЩИЙ КЛАПАН) (911B) (914B)

1Артикул: 6646843, VALVE
2Артикул: 6598690, SPRING
3Артикул: 6647674, END COVER
Подробнее >
ЭКСКАВАТОР-ПОГРУЗЧИК (СЕКЦИЯ ПОВОРОТА) (911B) (914B)

ЭКСКАВАТОР-ПОГРУЗЧИК (СЕКЦИЯ ПОВОРОТА) (911B) (914B)

1Артикул: SECTION, SECTION NLA - Ref. 2-20 - Was 6647684 - A
2Артикул: 6647699, VALVE relief & anti-cav.
3Артикул: O-RING, O-RING NSS
Подробнее >
ЭКСКАВАТОР-ПОГРУЗЧИК (ЦИЛИНДР КОВША) (914B)

ЭКСКАВАТОР-ПОГРУЗЧИК (ЦИЛИНДР КОВША) (914B)

1Артикул: 6593291, CYLINDER Ref. 2-14
2Артикул: 6593963, ROD
3Артикул: 6532822, HEAD Was 6544544 - B
Подробнее >
ЭКСКАВАТОР-ПОГРУЗЧИК (КОВШИ) (914B)

ЭКСКАВАТОР-ПОГРУЗЧИК (КОВШИ) (914B)

1Артикул: BUCKET, BUCKET SALES - trenching - 12--, 18--, 24--, 30-- & 36-- (305, 457, 610, 762 & 914 mm)
2Артикул: 6593931, CUTTING EDGE
3Артикул: 6593932, CUTTING EDGE
Подробнее >
ЭКСКАВАТОР-ПОГРУЗЧИК (РАЗДВИЖНОЙ ЧЕРПАК) (ЦИЛИНДР)

ЭКСКАВАТОР-ПОГРУЗЧИК (РАЗДВИЖНОЙ ЧЕРПАК) (ЦИЛИНДР)

1Артикул: 6649865, CYLINDER
2Артикул: ELBOW, ELBOW NLA - Was 6649837 - A
3Артикул: TUBE, TUBE NLA - Was 6649838 - A
Подробнее >
ЭКСКАВАТОР-ПОГРУЗЧИК (ГИДРАВЛИКА ЦИЛИНДРА НАКЛОНА) (914B)

ЭКСКАВАТОР-ПОГРУЗЧИК (ГИДРАВЛИКА ЦИЛИНДРА НАКЛОНА) (914B)

1Артикул: 6646842, VALVE See Illustration BACKHOE/ B20905 rear auxilliary
2Артикул: 79K10, O RING 10
3Артикул: 731794, CONNECTR
Подробнее >
ЭКСКАВАТОР-ПОГРУЗЧИК (СЕКЦИЯ СТОПОРНОГО ПАЛЬЦА ) (ВСПОМОГАТЕЛЬНЫЙ КЛАПАН ЗАДНЕЙ ЧАСТИ)

ЭКСКАВАТОР-ПОГРУЗЧИК (СЕКЦИЯ СТОПОРНОГО ПАЛЬЦА ) (ВСПОМОГАТЕЛЬНЫЙ КЛАПАН ЗАДНЕЙ ЧАСТИ)

1Артикул: 6647708, SECTION Ref. 2-18
2Артикул: 6647712, RELIEF VALVE
3Артикул: O-RING, O-RING NSS
Подробнее >
ЭКСКАВАТОР-ПОГРУЗЧИК (ЦИЛИНДР НАКЛОНА) (WORK И TRANSPORT) (911B) (914B)

ЭКСКАВАТОР-ПОГРУЗЧИК (ЦИЛИНДР НАКЛОНА) (WORK И TRANSPORT) (911B) (914B)

1Артикул: 6530336, CYLINDER Ref. 2-15
2Артикул: 6530344, CASE cylinder
3Артикул: 6803253, NUT Was 92D000018B - B
Подробнее >
ЭКСКАВАТОР-ПОГРУЗЧИК (ГИДРОЦИЛИНДР ЧЕРПАКА) (914B)

ЭКСКАВАТОР-ПОГРУЗЧИК (ГИДРОЦИЛИНДР ЧЕРПАКА) (914B)

1Артикул: 6529696, CYLINDER Ref. 2-20
2Артикул: 6529698, ROD
3Артикул: 6593285, HEAD
Подробнее >
ЭКСКАВАТОР-ПОГРУЗЧИК (ГИДРАВЛИЧЕСКИЙ РЕГУЛИРУЮЩИЙ КЛАПАН) (ВСПОМОГАТЕЛЬНОЕ ОБОРУДОВАНИЕ ЗАДНЕЙ ЧАСТИ) (2400) (2410)

ЭКСКАВАТОР-ПОГРУЗЧИК (ГИДРАВЛИЧЕСКИЙ РЕГУЛИРУЮЩИЙ КЛАПАН) (ВСПОМОГАТЕЛЬНОЕ ОБОРУДОВАНИЕ ЗАДНЕЙ ЧАСТИ) (2400) (2410)

1Артикул: 6646842, VALVE Ref. 2-21
2Артикул: 73K016, RING, BACK-UP - D
3Артикул: 6647701, COVER
Подробнее >
ЭКСКАВАТОР-ПОГРУЗЧИК (РАЗДВИЖНОЙ ЧЕРПАК) (914B)

ЭКСКАВАТОР-ПОГРУЗЧИК (РАЗДВИЖНОЙ ЧЕРПАК) (914B)

1Артикул: BRACKET, BRACKET NLA - Was 6649855 - A
2Артикул: 6649856, BRACKET
3Артикул: 17C848, BOLT
Подробнее >
ЭКСКАВАТОР-ПОГРУЗЧИК (ГИДРАВЛИКА ВСПОМОГАТЕЛЬНОГО ОБОРУДОВАНИЯ, РАСПОЛОЖЕННОГО СЗАДИ) (2400) (2410)

ЭКСКАВАТОР-ПОГРУЗЧИК (ГИДРАВЛИКА ВСПОМОГАТЕЛЬНОГО ОБОРУДОВАНИЯ, РАСПОЛОЖЕННОГО СЗАДИ) (2400) (2410)

1Артикул: 6586034, HOSE
2Артикул: 11K8, ELBOW
3Артикул: 6587778, HOSE W/conduit covering - Was 6584679 - A
Подробнее >
ЭКСКАВАТОР-ПОГРУЗЧИК (КОВШИ) (911B)

ЭКСКАВАТОР-ПОГРУЗЧИК (КОВШИ) (911B)

1Артикул: BUCKET, BUCKET SALES - trenching - 12--, 16--, 20--, 24--, 30-- & 36-- (305, 406, 508, 610, 762 & 914 mm)
2Артикул: 6593139, EDGE,CUTTING WELD ON BEVELED 10.79-- 12-- (305 mm)
3Артикул: 6593067, CUTTING EDGE 16-- (406 mm)
Подробнее >
ЭКСКАВАТОР-ПОГРУЗЧИК (ЦИЛИНДР СТАБИЛИЗАТОРА) (911B) (914B)

ЭКСКАВАТОР-ПОГРУЗЧИК (ЦИЛИНДР СТАБИЛИЗАТОРА) (911B) (914B)

1Артикул: 6594326, CYLINDER Ref. 2-14
2Артикул: 6594330, ROD
3Артикул: 6529680, HEAD
Подробнее >
ЭКСКАВАТОР-ПОГРУЗЧИК (УСТРОЙСТРО УПРАВЛЕНИЯ) (914B)

ЭКСКАВАТОР-ПОГРУЗЧИК (УСТРОЙСТРО УПРАВЛЕНИЯ) (914B)

1Артикул: 24G1012, BOLT
2Артикул: BOOT, BOOT NLA - Was 6585347 - A
3Артикул: 6583700, BOOT
Подробнее >
ЭКСКАВАТОР-ПОГРУЗЧИК (СТРЕЛА И ЦИЛИНДР РУКОЯТИ СТРЕЛЫ ЧЕРПАКА) (911B)

ЭКСКАВАТОР-ПОГРУЗЧИК (СТРЕЛА И ЦИЛИНДР РУКОЯТИ СТРЕЛЫ ЧЕРПАКА) (911B)

1Артикул: 6585386, CYLINDER Ref. 2-13
2Артикул: 6592715, ROD piston
3Артикул: 6690707, WIPER, ROD CYL Was 6665086 - A
Подробнее >
ЭКСКАВАТОР-ПОГРУЗЧИК (СЕКЦИЯ ЦИЛИНДРА НАКЛОНА) (ВСПОМОГАТЕЛЬНЫЙ КЛАПАН ЗАДНЕЙ ЧАСТИ)

ЭКСКАВАТОР-ПОГРУЗЧИК (СЕКЦИЯ ЦИЛИНДРА НАКЛОНА) (ВСПОМОГАТЕЛЬНЫЙ КЛАПАН ЗАДНЕЙ ЧАСТИ)

1Артикул: SECTION, SECTION NLA - Ref. 2-22 - Was 6647704 - A
2Артикул: O-RING, O-RING NSS
3Артикул: O-RING, O-RING NSS
Подробнее >
ЭКСКАВАТОР-ПОГРУЗЧИК (КОМПЛЕКТ ДЛЯ ИЗМЕНЕНИЯ ДЛИНЫ ШЛАНГА) (914B 058900101 - 11178)

ЭКСКАВАТОР-ПОГРУЗЧИК (КОМПЛЕКТ ДЛЯ ИЗМЕНЕНИЯ ДЛИНЫ ШЛАНГА) (914B 058900101 - 11178)

1Артикул: 6533012, KIT Ref. 2-11
2Артикул: 6532128, HOSE ASSY. 33.5-- (851 mm) long
3Артикул: 6532130, TUBE
Подробнее >
ЭКСКАВАТОР-ПОГРУЗЧИК (СХЕМА ГИДРАВЛИЧЕСКОЙ СИСТЕМЫ) (914B 058900101 - 11178)

ЭКСКАВАТОР-ПОГРУЗЧИК (СХЕМА ГИДРАВЛИЧЕСКОЙ СИСТЕМЫ) (914B 058900101 - 11178)

1Артикул: 17K8, FITTING W/Ref. 4
2Артикул: HOSE, HOSE See Illustration BACKHOE/ C3118A NLA - 30-- (768 mm) long - Order Ref. 2 - Was 6649474 - A
3Артикул: TUBE, TUBE See Illustration BACKHOE/ C3118A NLA - Order Ref. 3 & 15 - Was 6584690 - A
Подробнее >
ЭКСКАВАТОР-ПОГРУЗЧИК (ГИДРАВЛИКА ЦИЛИНДРА НАКЛОНА) (911B)

ЭКСКАВАТОР-ПОГРУЗЧИК (ГИДРАВЛИКА ЦИЛИНДРА НАКЛОНА) (911B)

1Артикул: 6646842, VALVE See Illustration BACKHOE/ B20905 rear auxilliary
2Артикул: 79K10, O RING 10
3Артикул: 731794, CONNECTR
Подробнее >
ЭКСКАВАТОР-ПОГРУЗЧИК (СХЕМА ГИДРАВЛИЧЕСКОЙ СИСТЕМЫ СТРЕЛЫ) (911B)

ЭКСКАВАТОР-ПОГРУЗЧИК (СХЕМА ГИДРАВЛИЧЕСКОЙ СИСТЕМЫ СТРЕЛЫ) (911B)

1Артикул: 6646843, VALVE See Illustration BACKHOE/ B20581A See Illustration BACKHOE/ B20593
2Артикул: 15K7, FITTING W/Ref. 3
3Артикул: 79K10, O RING 10
Подробнее >
ЭКСКАВАТОР-ПОГРУЗЧИК (УСТРОЙСТРО УПРАВЛЕНИЯ) (911B)

ЭКСКАВАТОР-ПОГРУЗЧИК (УСТРОЙСТРО УПРАВЛЕНИЯ) (911B)

1Артикул: 24G1012, BOLT
2Артикул: BOOT, BOOT NLA - Was 6585347 - A
3Артикул: 6583700, BOOT
Подробнее >
ЭКСКАВАТОР-ПОГРУЗЧИК (СХЕМА ГИДРАВЛИЧЕСКОЙ СИСТЕМЫ СТРЕЛЫ) (914B)

ЭКСКАВАТОР-ПОГРУЗЧИК (СХЕМА ГИДРАВЛИЧЕСКОЙ СИСТЕМЫ СТРЕЛЫ) (914B)

1Артикул: 6646843, VALVE See Illustration BACKHOE/ B20581A See Illustration BACKHOE/ B20593
2Артикул: 15K7, FITTING W/Ref. 3
3Артикул: 79K10, O RING 10
Подробнее >
ЭКСКАВАТОР-ПОГРУЗЧИК (РЫЧАГ ИЗМЕНЕНИЯ РАССТОЯНИЯ, ПРОХОДИМОГО УПРУГИМ КОЛЕСОМ ЗА 1 ОБОРОТ, ПРИ ПЕРЕДАЧЕ ТЯГОВОГО МОМЕНТА) (914B)

ЭКСКАВАТОР-ПОГРУЗЧИК (РЫЧАГ ИЗМЕНЕНИЯ РАССТОЯНИЯ, ПРОХОДИМОГО УПРУГИМ КОЛЕСОМ ЗА 1 ОБОРОТ, ПРИ ПЕРЕДАЧЕ ТЯГОВОГО МОМЕНТА) (914B)

1Артикул: 6631036, JOINT
2Артикул: 62D4, NUT
3Артикул: 6646490, CABLE
Подробнее >
ЭКСКАВАТОР-ПОГРУЗЧИК (ЦИЛИНДР ПОВОРОТА) (911B) (914B)

ЭКСКАВАТОР-ПОГРУЗЧИК (ЦИЛИНДР ПОВОРОТА) (911B) (914B)

1Артикул: CYLINDER, CYLINDER NLA - Ref. 2-13 - Was 6530807 - A
2Артикул: 6593164, ROD
3Артикул: 6530810, CAP
Подробнее >