+7 (701) 588 50 05 Телефон для связи
RU

WhatsApp

Позвонить

ЭКСКАВАТОР-ПОГРУЗЧИК (ГИДРАВЛИКА ОСНОВНОЙ РАМЫ) (914B) — Продажа в Казахстане Цены от официального дилера с доставкой в Алматы, Астану и регионы

Техника доступна в:
Полный спектр услуг:
Для Вашего удобства:
Характеристики и описание
Габариты, схема
Техническая документация
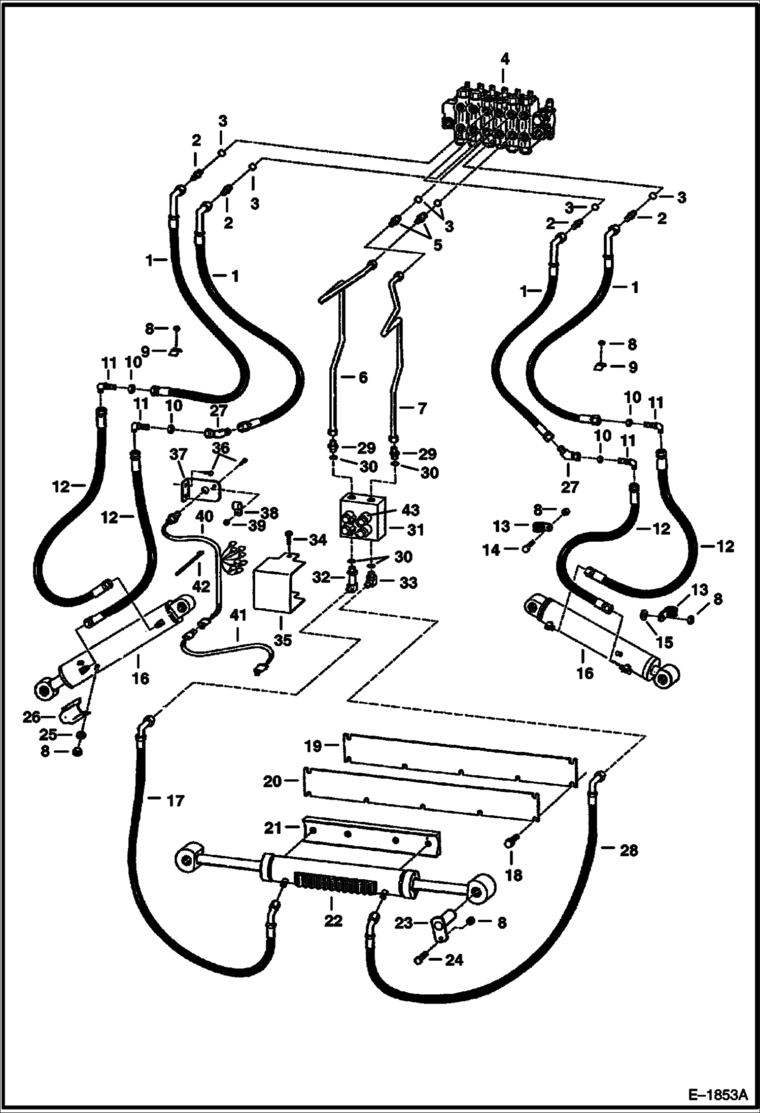
1 Артикул: 6539087, HOSE Was 6584677 - A
2 Артикул: 731795, CONNECTR W/Ref. 3
3 Артикул: 79K10, O RING 10
4 Артикул: 6646843, VALVE See Illustration BACKHOE/ B20581A See Illustration BACKHOE/ B20593
5 Артикул: 731794, CONNECTR W/Ref. 3
6 Артикул: 6584670, TUBE
7 Артикул: 6584671, TUBE
8 Артикул: 85D6, NUT, 5
9 Артикул: 6502426, CLAMP
10 Артикул: 86F5, NUT
11 Артикул: 88F5, ELBOW
12 Артикул: 6530775, HOSE
13 Артикул: 30H46, CLIP
14 Артикул: 17C614, BOLT
15 Артикул: 25E22, WASHER
16 Артикул: 6594326, CYLINDER See Illustration BACKHOE/ B20591 stab.
17 Артикул: 6589447, HOSE
18 Артикул: 84G3116, SCREW
19 Артикул: 6593890, SHIM
20 Артикул: 6593896, WEAR PLATE
21 Артикул: 6593965, WEAR BAR
22 Артикул: CYLINDER, CYLINDER See Illustration BACKHOE/ D1713B NLA - swing - Was 6530807 - A
23 Артикул: 6586172, PIN
24 Артикул: 17C628, BOLT
25 Артикул: 25E17, WASHER 5
26 Артикул: 6593914, BRACKET
27 Артикул: 12K5, ADAPTER
28 Артикул: 6589446, HOSE
29 Артикул: 15K6, ADAPTER
30 Артикул: 79K8, O RING 10
31 Артикул: 6665116, VALVE
32 Артикул: 6812820, ELBOW Was 6511914 - A
33 Артикул: 17K6, ELBOW
34 Артикул: 84G3112, BOLT 5
35 Артикул: 6589439, COVER
36 Артикул: 84G3712, BOLT 5
37 Артикул: 6589443, PLATE
38 Артикул: 30H31, CLAMP 10
39 Артикул: 61D8, NUT 5
40 Артикул: 6589440, HARNESS
41 Артикул: 6589442, HARNESS
42 Артикул: 6624289, STRAP, TIE
43 Артикул: 6672452, SOLENOID coil & stem assy. - Was 6665702 - A
44 Артикул: 6665703, COIL coil only
45 Артикул: 6672515, KIT, SEAL Was 6665704 - A

ЭКСКАВАТОР-ПОГРУЗЧИК (ГИДРАВЛИКА ОСНОВНОЙ РАМЫ) (914B): Техника, которая работает на результат

ЭКСКАВАТОР-ПОГРУЗЧИК (ГИДРАВЛИКА ОСНОВНОЙ РАМЫ) (914B) на bobcat экскаватор-погрузчик Bobcat ПОГРУЗЧИК 911B

Габаритные размеры

Габаритные размеры и схема ЭКСКАВАТОР-ПОГРУЗЧИК (ГИДРАВЛИКА ОСНОВНОЙ РАМЫ) (914B)

Нажмите на схему для увеличения

Документация

Документация временно недоступна.

Похожая техника в категории: 914B ЭКСКАВАТОР-ПОГРУЗЧИК (Bobcat)

Спецтехника ЭКСКАВАТОР-ПОГРУЗЧИК (ГИДРАВЛИКА ВСПОМОГАТЕЛЬНОГО ОБОРУДОВАНИЯ, РАСПОЛОЖЕННОГО СЗАДИ) (2400) (2410 509212177 И ВЫШЕ)

ЭКСКАВАТОР-ПОГРУЗЧИК (ГИДРАВЛИКА ВСПОМОГАТЕЛЬНОГО ОБОРУДОВАНИЯ, РАСПОЛОЖЕННОГО СЗАДИ) (2400) (2410 509212177 И ВЫШЕ)

1Артикул: 653728...
2Артикул: 85D8, ...
3Артикул: 61D8, ...
Подробнее >
Спецтехника ЭКСКАВАТОР-ПОГРУЗЧИК (ГИДРАВЛИКА ВСПОМОГАТЕЛЬНОГО ОБОРУДОВАНИЯ, РАСПОЛОЖЕННОГО СЗАДИ) (2400) (2410 509212335 И ВЫШЕ)

ЭКСКАВАТОР-ПОГРУЗЧИК (ГИДРАВЛИКА ВСПОМОГАТЕЛЬНОГО ОБОРУДОВАНИЯ, РАСПОЛОЖЕННОГО СЗАДИ) (2400) (2410 509212335 И ВЫШЕ)

1Артикул: 665051...
2Артикул: 17K8, ...
3Артикул: 653212...
Подробнее >
Спецтехника ЭКСКАВАТОР-ПОГРУЗЧИК (ГИДРАВЛИКА ВСПОМОГАТЕЛЬНОГО ОБОРУДОВАНИЯ, РАСПОЛОЖЕННОГО СЗАДИ) (2400) (2410 509212001 - 12334)

ЭКСКАВАТОР-ПОГРУЗЧИК (ГИДРАВЛИКА ВСПОМОГАТЕЛЬНОГО ОБОРУДОВАНИЯ, РАСПОЛОЖЕННОГО СЗАДИ) (2400) (2410 509212001 - 12334)

1Артикул: 665051...
2Артикул: 77F8, ...
3Артикул: 653212...
Подробнее >
Спецтехника ЭКСКАВАТОР-ПОГРУЗЧИК (СЕКЦИЯ ЧЕРПАКА) (911B) (914B)

ЭКСКАВАТОР-ПОГРУЗЧИК (СЕКЦИЯ ЧЕРПАКА) (911B) (914B)

1Артикул: 664767...
2Артикул: 664770...
3Артикул: O-RING...
Подробнее >
Спецтехника ЭКСКАВАТОР-ПОГРУЗЧИК (ЦИЛИНДР КОВША) (911B)

ЭКСКАВАТОР-ПОГРУЗЧИК (ЦИЛИНДР КОВША) (911B)

1Артикул: CYLIND...
2Артикул: 659197...
3Артикул: 659203...
Подробнее >
Спецтехника ЭКСКАВАТОР-ПОГРУЗЧИК (РАМА ШАССИ) (914B)

ЭКСКАВАТОР-ПОГРУЗЧИК (РАМА ШАССИ) (914B)

1Артикул: CAP, C...
2Артикул: 31C122...
3Артикул: 659389...
Подробнее >
Спецтехника ЭКСКАВАТОР-ПОГРУЗЧИК (РЫЧАГ ИЗМЕНЕНИЯ РАССТОЯНИЯ, ПРОХОДИМОГО УПРУГИМ КОЛЕСОМ ЗА 1 ОБОРОТ, ПРИ ПЕРЕДАЧЕ ТЯГОВОГО МОМЕНТА) (911B)

ЭКСКАВАТОР-ПОГРУЗЧИК (РЫЧАГ ИЗМЕНЕНИЯ РАССТОЯНИЯ, ПРОХОДИМОГО УПРУГИМ КОЛЕСОМ ЗА 1 ОБОРОТ, ПРИ ПЕРЕДАЧЕ ТЯГОВОГО МОМЕНТА) (911B)

1Артикул: 663103...
2Артикул: 62D4, ...
3Артикул: 664649...
Подробнее >
Спецтехника ЭКСКАВАТОР-ПОГРУЗЧИК (РАМА ШАССИ) (911B)

ЭКСКАВАТОР-ПОГРУЗЧИК (РАМА ШАССИ) (911B)

1Артикул: CAP, C...
2Артикул: 31C122...
3Артикул: 659389...
Подробнее >
Спецтехника ЭКСКАВАТОР-ПОГРУЗЧИК (СТРЕЛА И РУКОЯТЬ СТРЕЛЫ ЧЕРПАКА) (911B)

ЭКСКАВАТОР-ПОГРУЗЧИК (СТРЕЛА И РУКОЯТЬ СТРЕЛЫ ЧЕРПАКА) (911B)

1Артикул: 22J24,...
2Артикул: 231924...
3Артикул: 656039...
Подробнее >
Спецтехника ЭКСКАВАТОР-ПОГРУЗЧИК (ИНДИКАТОР ПОЛОЖЕНИЯ ЦИЛИНДРОВОГО ЗАМКА) (KIT #6537285) (2400) (2410)

ЭКСКАВАТОР-ПОГРУЗЧИК (ИНДИКАТОР ПОЛОЖЕНИЯ ЦИЛИНДРОВОГО ЗАМКА) (KIT #6537285) (2400) (2410)

1Артикул: 661051...
2Артикул: 14D6, ...
3Артикул: 12E6, ...
Подробнее >
Спецтехника ЭКСКАВАТОР-ПОГРУЗЧИК (ЦИЛИНДР СТРЕЛЫ) (914B)

ЭКСКАВАТОР-ПОГРУЗЧИК (ЦИЛИНДР СТРЕЛЫ) (914B)

1Артикул: 652970...
2Артикул: 652969...
3Артикул: 659310...
Подробнее >
Спецтехника ЭКСКАВАТОР-ПОГРУЗЧИК (СЕКЦИЯ ВСПОМОГАТЕЛЬНОГО ОБОРУДОВАНИЯ ЗАДНЕЙ ЧАСТИ) (ВСПОМОГАТЕЛЬНЫЙ КЛАПАН ЗАДНЕЙ ЧАСТИ)

ЭКСКАВАТОР-ПОГРУЗЧИК (СЕКЦИЯ ВСПОМОГАТЕЛЬНОГО ОБОРУДОВАНИЯ ЗАДНЕЙ ЧАСТИ) (ВСПОМОГАТЕЛЬНЫЙ КЛАПАН ЗАДНЕЙ ЧАСТИ)

1Артикул: 664770...
2Артикул: 664768...
3Артикул: 664768...
Подробнее >