+7 (701) 588 50 05 Телефон для связи
RU

WhatsApp

Позвонить

ЭЛЕКТРИЧЕСКАЯ СИСТЕМА в Алматы

СТАРТЕР (BOSCH 0-001-211-228)

СТАРТЕР (BOSCH 0-001-211-228)

1Артикул: 7303331, STARTER Was 6514006 - A
2Артикул: 7303331, STARTER Was 6665502REM - A
3Артикул: NLA, NLA - Was 6513289
Подробнее >
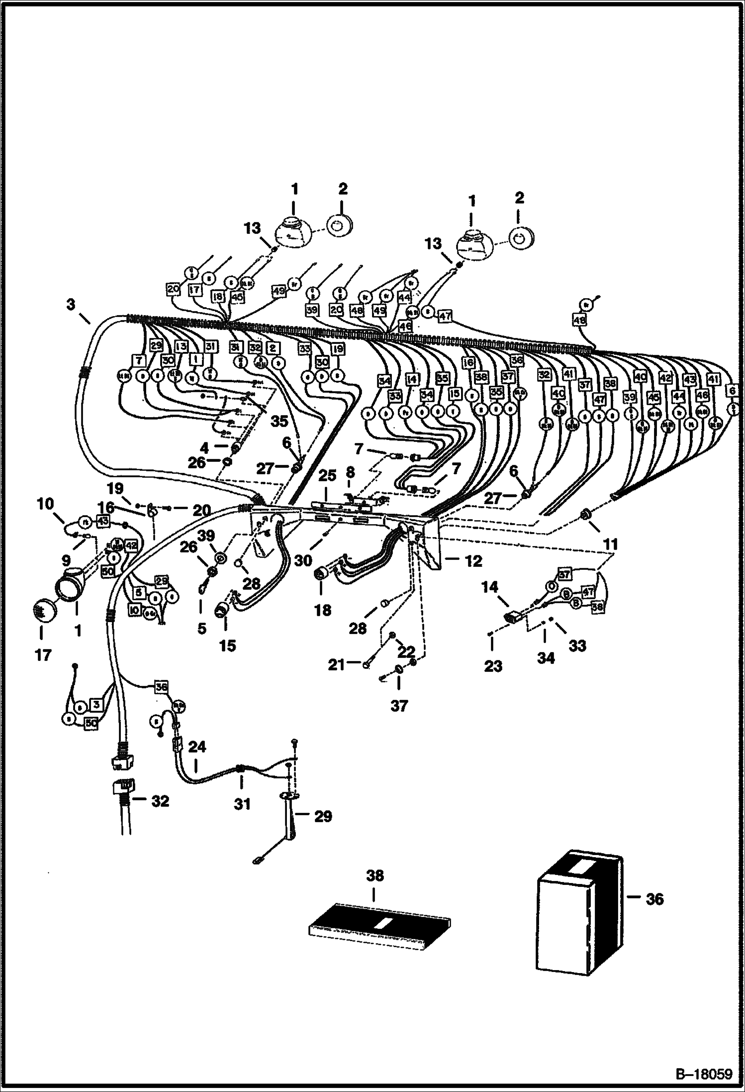
ЭЛЕКТРООБОРУДОВАНИЕ КАБИНЫ (СЕРИЙНЫЙ НОМЕР 12001 И ВЫШЕ)

ЭЛЕКТРООБОРУДОВАНИЕ КАБИНЫ (СЕРИЙНЫЙ НОМЕР 12001 И ВЫШЕ)

1Артикул: 6558142, HOUSING
2Артикул: 6557486, LAMP
3Артикул: HARNESS, HARNESS NLA - Was 6560179 - A
Подробнее >
ГЕНЕРАТОР ПЕРЕМЕННОГО ТОКА (DELCO 1103133 - ОТКРЫТЫЙ)

ГЕНЕРАТОР ПЕРЕМЕННОГО ТОКА (DELCO 1103133 - ОТКРЫТЫЙ)

1Артикул: ALTERNATOR, ALTERNATOR See Illustration ALTERNATOR/ B18161 NLA - ORDER 908221REM ALTERNATOR
2Артикул: BEARING, BEARING NLA - Was 905351B - A
3Артикул: BOLT, BOLT NLA - thru - Was 897467B - A
Подробнее >
ГЕНЕРАТОР ПЕРЕМЕННОГО ТОКА (DELCO 1105070 ИЛИ 1105422 - ОТКРЫТАЯ)

ГЕНЕРАТОР ПЕРЕМЕННОГО ТОКА (DELCO 1105070 ИЛИ 1105422 - ОТКРЫТАЯ)

1Артикул: ALTERNATOR, ALTERNATOR NLA - Less Pulley & Fan - Order 908221REM -Was 908221B - A
2Артикул: BEARING, BEARING NLA - Was 905351B - A
3Артикул: BOLT, BOLT NLA - thru - Was 897467B - A
Подробнее >
СТАРТЕР (LUCAS)

СТАРТЕР (LUCAS)

1Артикул: STARTER, STARTER See Illustration STARTER/ B17983 NLA - Was - 6665502REM
2Артикул: 6512800, BRUSH KIT
3Артикул: ARMATURE, ARMATURE NLA - Was 6512799 - A
Подробнее >
ЭЛЕКТРООБОРУДОВАНИЕ ДВИГАТЕЛЯ

ЭЛЕКТРООБОРУДОВАНИЕ ДВИГАТЕЛЯ

1Артикул: HARNESS, HARNESS See Illustration CAB ELECTRICAL/ E1188 CAB
2Артикул: 6558864, HARNESS engine
3Артикул: HARNESS, HARNESS engine NLA - engine - Was 6560512 - A
Подробнее >
СТАРТЕР (BOSCH 0-001-211-206)

СТАРТЕР (BOSCH 0-001-211-206)

1Артикул: STARTER, STARTER See Illustration STARTER/ B17983 NLA - ORDER 6514006 STARTER
2Артикул: COIL, COIL NLA - Was 6513289
3Артикул: LEVER, LEVER NLA - Was 6513298
Подробнее >
ЭЛЕКТРООБОРУДОВАНИЕ КАБИНЫ (СЕРИЙНЫЙ НОМЕР 11999 И НИЖЕ)

ЭЛЕКТРООБОРУДОВАНИЕ КАБИНЫ (СЕРИЙНЫЙ НОМЕР 11999 И НИЖЕ)

1Артикул: 6558859, HARNESS cab
2Артикул: 6558142, HOUSING light
3Артикул: 6557486, LAMP
Подробнее >
ГЕНЕРАТОР ПЕРЕМЕННОГО ТОКА (DELCO 1102920 - ОТКРЫТЫЙ)

ГЕНЕРАТОР ПЕРЕМЕННОГО ТОКА (DELCO 1102920 - ОТКРЫТЫЙ)

1Артикул: ALTERNATOR, ALTERNATOR See Illustration ALTERNATOR/ B18161 NLA - ORDER 908221REM ALTERNATOR
2Артикул: BEARING, BEARING NLA - Was 999306B - A
3Артикул: BOLT, BOLT NLA - thru - Was 897467B - A
Подробнее >