+7 (701) 588 50 05 Телефон для связи
RU

WhatsApp

Позвонить

РАМА в Алматы

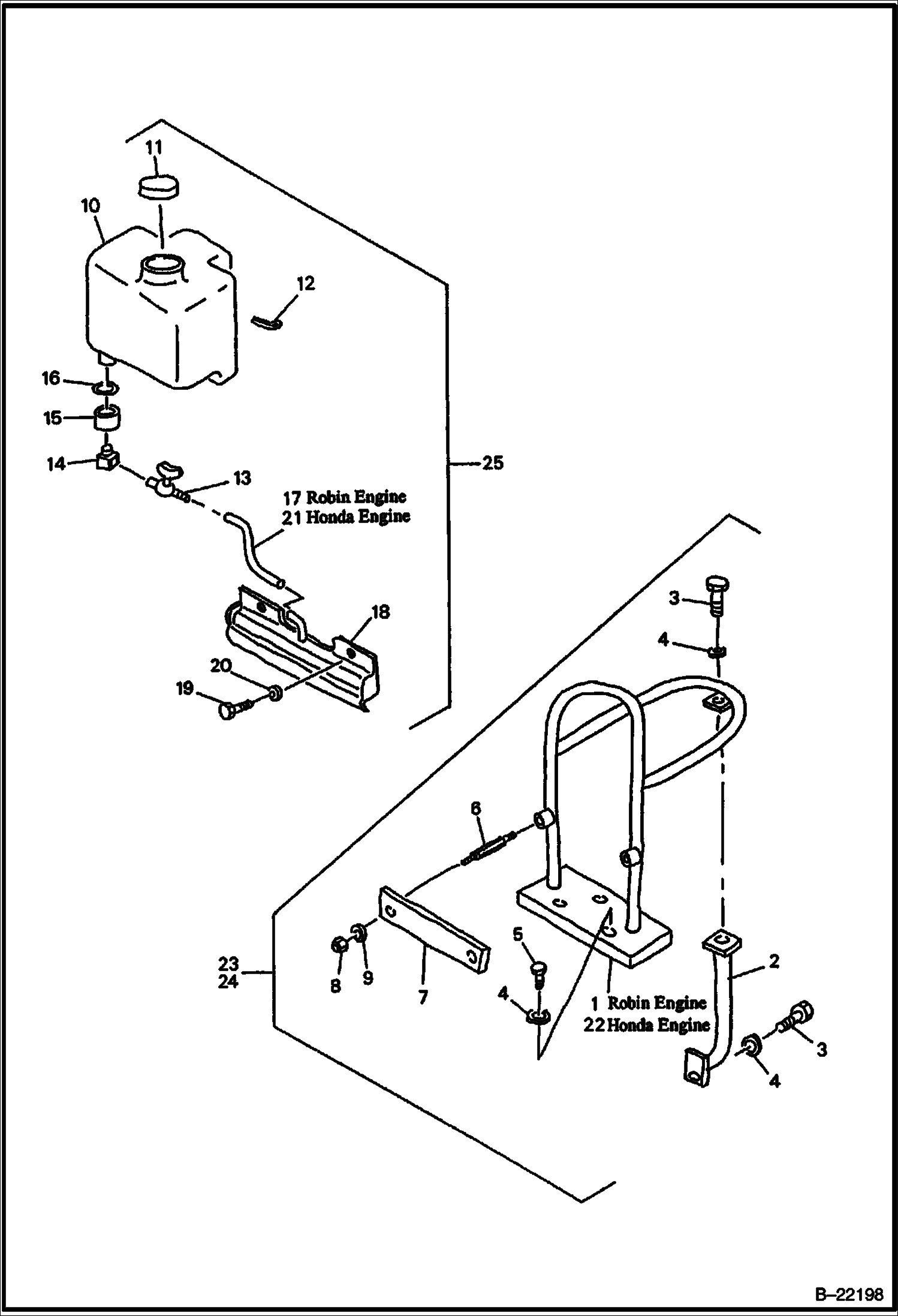
БАК ДЛЯ ВОДЫ (СТАРАЯ ВЕРСИЯ - STEEL)

БАК ДЛЯ ВОДЫ (СТАРАЯ ВЕРСИЯ - STEEL)

1Артикул: IR59831198, TANK SUPPORT
2Артикул: IR59830687, BOLT
3Артикул: SPRING, SPRING WASHER NLA - Was IR59831743 - A
Подробнее >
ПРИЦЕП В СБОРЕ (КОМПЛЕКТ ИНСТРУМЕНТОВ И ПРЕДУПРЕЖДАЮЩИЕ ТАБЛИЧКИ)

ПРИЦЕП В СБОРЕ (КОМПЛЕКТ ИНСТРУМЕНТОВ И ПРЕДУПРЕЖДАЮЩИЕ ТАБЛИЧКИ)

1Артикул: IR59984906, CART ASSY carrying - Includes Ref. 2-5
2Артикул: IR58836024, CART SHAFT
3Артикул: IR59843706, TIRE ASSY tire & wheel
Подробнее >
РАМА ШАССИ (ВИБРАЦИЯ, ДВИГАТЕЛЬ И УСТРОЙСТВА УПРАВЛЕНИЯ)

РАМА ШАССИ (ВИБРАЦИЯ, ДВИГАТЕЛЬ И УСТРОЙСТВА УПРАВЛЕНИЯ)

1Артикул: IR58836008, VIBRATION PLATE
2Артикул: IR58837675, ENGINE BED
3Артикул: IR58837626, ENGINE BED CE Only
Подробнее >
ЗАЩИТНОЕ ОГРАЖДЕНИЕ, ПРЕДОТВРАЩАЮЩЕЕ ВЫПАДЕНИЕ ВОДИТЕЛЯ В СЛУЧАЕ ОПРОКИДЫВАНИЯ ВИЛОЧНОГО ПОГРУЗЧИКА И БАК ДЛЯ ВОДЫ

ЗАЩИТНОЕ ОГРАЖДЕНИЕ, ПРЕДОТВРАЩАЮЩЕЕ ВЫПАДЕНИЕ ВОДИТЕЛЯ В СЛУЧАЕ ОПРОКИДЫВАНИЯ ВИЛОЧНОГО ПОГРУЗЧИКА И БАК ДЛЯ ВОДЫ

1Артикул: IR58836099, ROLLOVER CAGE (A)
2Артикул: IR58836107, ROLLOVER CAGE (B)
3Артикул: IR59952535, BOLT
Подробнее >
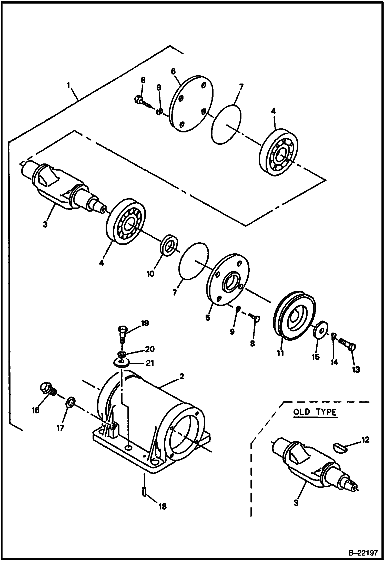
КОМПЛЕКТ ДЛЯ ВИБРАЦИОННОГО УПЛОТНЕНИЯ

КОМПЛЕКТ ДЛЯ ВИБРАЦИОННОГО УПЛОТНЕНИЯ

1Артикул: IR59831073, VIBRATION ASSY Includes Ref. 2-17
2Артикул: IR59831065, SHAFT CASE
3Артикул: IR58837691, SHAFT eccentric
Подробнее >