+7 (701) 588 50 05 Телефон для связи
RU

WhatsApp

Позвонить

РАМА в Алматы

СИДЕНЬЕ (MILSCO)

СИДЕНЬЕ (MILSCO)

1Артикул: SEAT, SEAT NLA - seat - black - Order 6669135 Seat - Was 6563140 - A
2Артикул: CUSHION, CUSHION NLA - seat - gray
3Артикул: 6630468, CUSHION seat - black
Подробнее >
ЗАДНЯЯ ДВЕРЬ (ДВЕ ЧАСТИ) (СЕРИЙНЫЙ НОМЕР 5122 25975 И НИЖЕ, 5124 41137 И НИЖЕ, 5126 12658 И НИЖЕ)

ЗАДНЯЯ ДВЕРЬ (ДВЕ ЧАСТИ) (СЕРИЙНЫЙ НОМЕР 5122 25975 И НИЖЕ, 5124 41137 И НИЖЕ, 5126 12658 И НИЖЕ)

1Артикул: 6703868, HOOD See Illustration ENGINE & ATTACHING PARTS/ E2168 STEEL
2Артикул: 6704682, COVER
3Артикул: 6704683, COVER
Подробнее >
BOB-TACH

BOB-TACH

1Артикул: BOB-TACH, BOB-TACH NLA - for 31,8 mm (1.25--) dia lift arm pin - W/Ref. 6 (NLA/ 6577445 bushing) - 57,2 mm (2.25--) OD weld-on bushings - Order 6709215 Bob-Tach & (2) of Ref. 4 - Also Order 6561383 decal - Was 6571744 - A
2Артикул: BOB-TACH, BOB-TACH NLA - for 31,8 mm(1.25--) dia lift arm pin - W/Ref. 7 - 63,5 mm (2.50--) OD weld-on bushings - Order 6709215 Bob-Tach & (2) of Ref. 4 - Remove Ref. 5 from Bob-Tach & replace W/Ref. 4 - Also Order 6561383 decal - Was 6571744 - A
3Артикул: BOB-TACH, BOB-TACH NLA - for 38,1 mm (1.50--) dia lift arm pin - W/Ref. 5 & 7 - 63,5 mm (2.50--) OD weld-on bushings - Order 6709215 Bob-Tach - Also Order 6561383 decal - Was 6571744 - A
Подробнее >
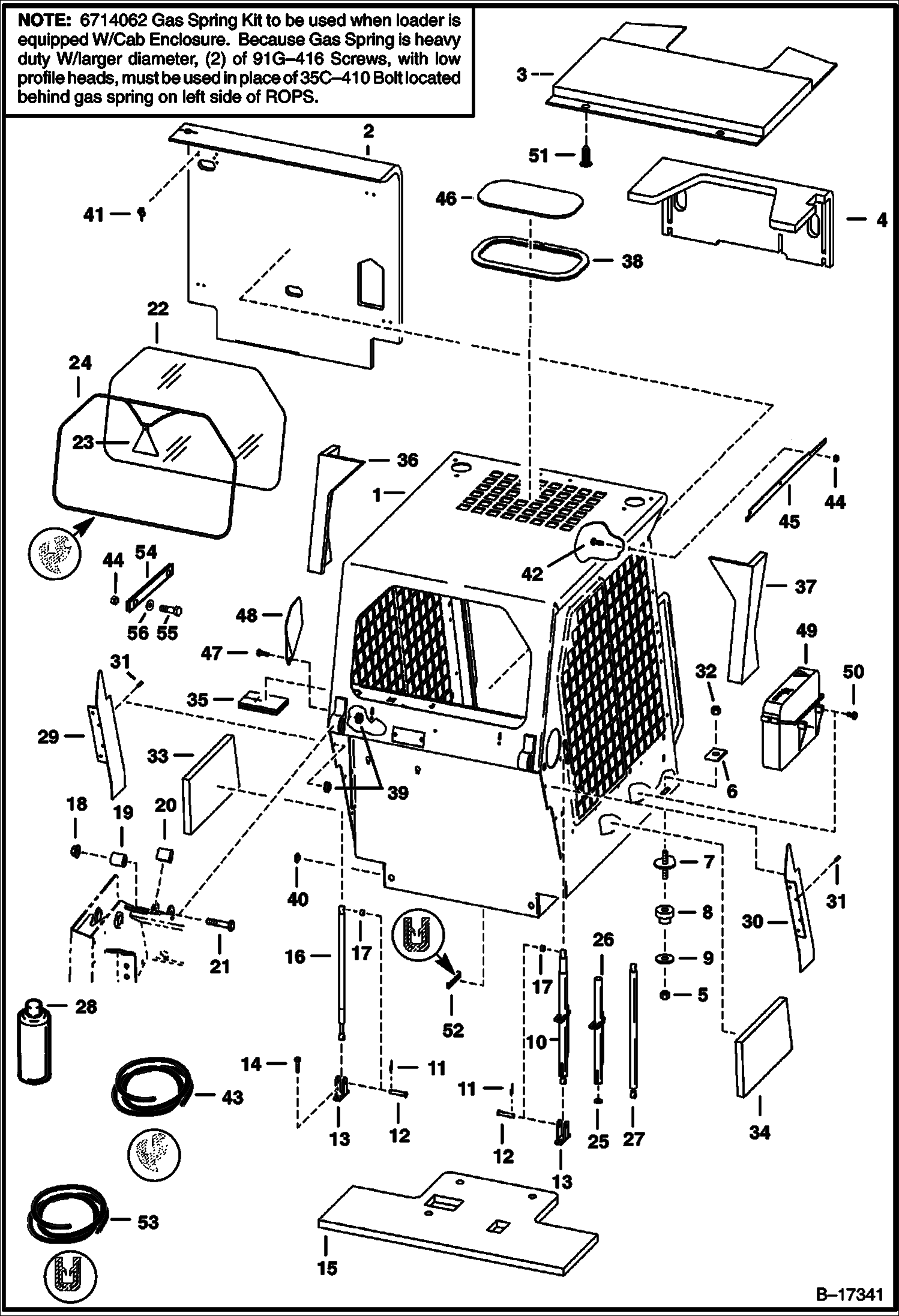
КАБИНА ОПЕРАТОРА

КАБИНА ОПЕРАТОРА

1Артикул: 6701957, OPERATOR CAB Does NOT include cab decals
2Артикул: 6708682, INSULATION seat back - Use W/Ref. 41 - Was 6707326 - B
3Артикул: 6706155, INSULATION cab top - Use W/Ref. 41
Подробнее >
ТОПЛИВНАЯ СИСТЕМА

ТОПЛИВНАЯ СИСТЕМА

1Артикул: TANK, TANK NLA - Order 6736659 Tank, Ref. 16 (6717402 Bushing) & Ref. 36 (6717401 Plug) - Was 6575897 - A
2Артикул: 6736659, TANK, FUEL Was 6717572 - A
3Артикул: 7120881, SCREEN, FILLER Was 6569219 - A
Подробнее >
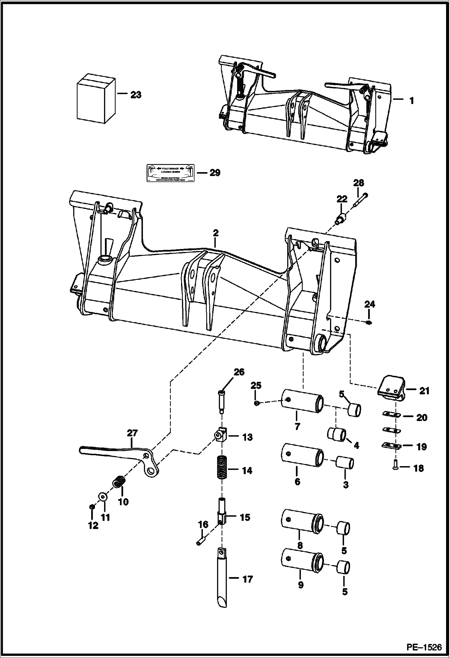
ПОДЪЕМНЫЕ РУКОЯТИ И BOBTACH

ПОДЪЕМНЫЕ РУКОЯТИ И BOBTACH

1Артикул: 17C640, BOLT
2Артикул: 6702935, PIN, PIVOT
3Артикул: 85D6, NUT, 5
Подробнее >
СИДЕНИЕ (МИЧИГАН)

СИДЕНИЕ (МИЧИГАН)

1Артикул: SEAT, SEAT NLA - W/Ref. 2-5 & 8 - Order 6669135 Seat - Was 6667684 - A
2Артикул: 6669135, SEAT, OPERATOR VINYL See Illustration SEAT COVERS/ NA10386 W/Ref. 2-7
3Артикул: 6670160, CUSHION W/edging, clip & (2) grommets
Подробнее >
СИДЕНИЕ И ОПОРА СИДЕНЬЯ

СИДЕНИЕ И ОПОРА СИДЕНЬЯ

1Артикул: SEAT, SEAT See Illustration SEAT/ B7185 STANDARD SEAT REQUIRES (1) OF Ref. 49 LOCATED ON R.H. SIDE - MILSCO SUSPENSION SEAT REQUIRES (2) OF Ref. 49 LOCATED ONE EACH SIDE - FOR GRAMMER SUSPENSION SEAT see Ill. C3375
2Артикул: SEAT, SEAT BELT NLA - Order Ref. 64 - Was 6564774 - A
3Артикул: SEAT, SEAT BELT NLA - Order 6675074 Seat Belt & (2) of Ref. 3 (6725373 Spring Plate) - Was 6667875 - A
Подробнее >
ЗАДНЯЯ ДВЕРЬ (НЕРАЗБОРНЫЙ) (СЕРИЙНЫЙ НОМЕР 5122 25976 И ВЫШЕ, 5124 41138 И ВЫШЕ, 5126 12659 И ВЫШЕ)

ЗАДНЯЯ ДВЕРЬ (НЕРАЗБОРНЫЙ) (СЕРИЙНЫЙ НОМЕР 5122 25976 И ВЫШЕ, 5124 41138 И ВЫШЕ, 5126 12659 И ВЫШЕ)

1Артикул: 6670287, COVER
2Артикул: BUMPER, BUMPER NLA - Order 6655399 Bumper & (2) of Ref. 20 - Was 6714454 - A
3Артикул: 6655399, BUMPER
Подробнее >
ПАНЕЛИ

ПАНЕЛИ

1Артикул: 6707316, PLATE
2Артикул: 84G3712, BOLT 5
3Артикул: SHIELD, SHIELD NLA - Order (2) of Ref. 2 & (1) ea. of Ref. 10, 11 & 6734520 cover - Was 6706917 - A
Подробнее >