+7 (701) 588 50 05 Телефон для связи
RU

WhatsApp

Позвонить

Продажа: ТАНДЕМНЫЙ КАТОК в Алматы и Астане Цены официального дилера с доставкой по всему Казахстану

Официальный дилер Все запчасти в наличии Лизинг / Рассрочка Сервис и гарантия
Спецтехника АККУМУЛЯТОР И УСТАНОВКА КЛАКСОНА от Globus Machinery

АККУМУЛЯТОР И УСТАНОВКА КЛАКСОНА

1Артикул: 7305029, ...
2Артикул: IR5896878...
3Артикул: IR5921173...
Подробнее >
Спецтехника ГЛАВНЫЙ ЖГУТ В СБОРЕ от Globus Machinery

ГЛАВНЫЙ ЖГУТ В СБОРЕ

1Артикул: IR5896537...
2Артикул: IR5453041...
3Артикул: IR5915149...
Подробнее >
Спецтехника УСТАНОВКА ДУГИ БЕЗОПАСНОСТИ СИСТЕМЫ ЗАЩИТЫ ПРИ ОПРОКИДЫВАНИИ (ROPS)УСТАНОВКА ЛАМПОВОГО МАЯКА (РАМА СИСТЕМЫ ЗАЩИТЫ ПРИ ОПРОКИДЫВАНИИ (ROPS)) (ОПЦИЯ) от Globus Machinery

УСТАНОВКА ДУГИ БЕЗОПАСНОСТИ СИСТЕМЫ ЗАЩИТЫ ПРИ ОПРОКИДЫВАНИИ (ROPS)УСТАНОВКА ЛАМПОВОГО МАЯКА (РАМА СИСТЕМЫ ЗАЩИТЫ ПРИ ОПРОКИДЫВАНИИ (ROPS)) (ОПЦИЯ)

1Артикул: IR5908310...
2Артикул: IR5902307...
3Артикул: IR5902287...
Подробнее >
Спецтехника УСТАНОВКА ЖГУТА ПРОВОДОВ от Globus Machinery

УСТАНОВКА ЖГУТА ПРОВОДОВ

1Артикул: Harness, ...
2Артикул: IR9539677...
3Артикул: IR9670265...
Подробнее >
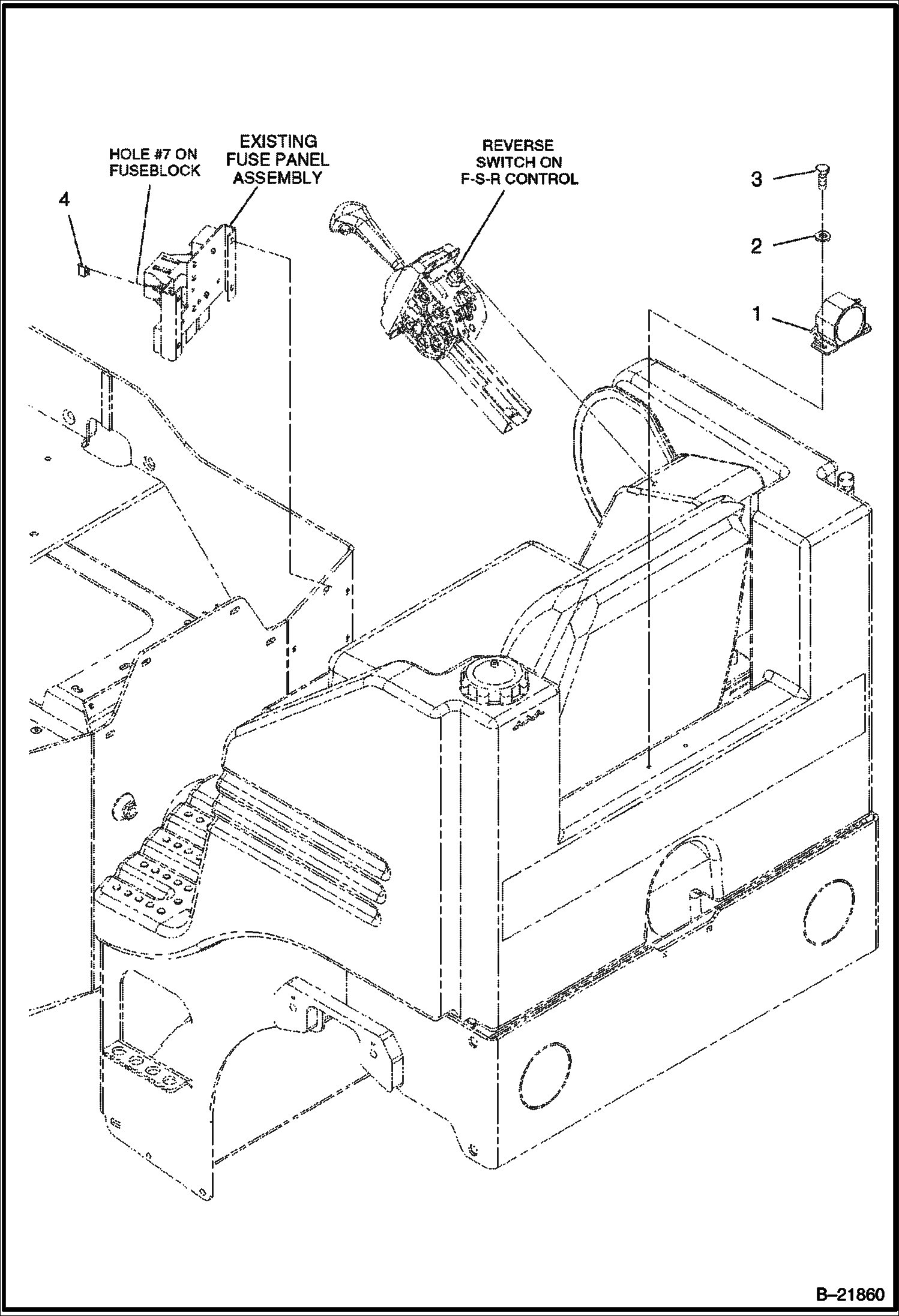
Спецтехника УСТАНОВКА СИГНАЛА ЗАДНЕГО ХОДА (ОПЦИЯ) от Globus Machinery

УСТАНОВКА СИГНАЛА ЗАДНЕГО ХОДА (ОПЦИЯ)

1Артикул: IR5926941...
2Артикул: IR9674105...
3Артикул: IR9670239...
Подробнее >