УСТАНОВКА ЖГУТА ПРОВОДОВ — Продажа в Казахстане Цены от официального дилера с доставкой в Алматы, Астану и регионы
×
❮
❯
Характеристики и описание
Габариты, схема
Техническая документация
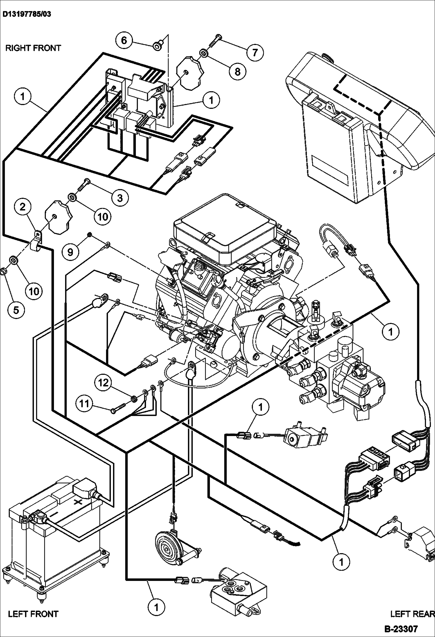
| 1 | Артикул: Harness, Harness Assy See Illustration MAIN WIRE HARNESS ASSEMBLY/ B21858 - main wire |
| 2 | Артикул: IR95396776, HOSE CLAMP hose |
| 3 | Артикул: IR96702659, BOLT |
| 4 | Артикул: IR96704606, NUT |
| 5 | Артикул: IR59229690, NUT |
| 6 | Артикул: IR96705744, BOLT |
| 7 | Артикул: IR96738554, washer |
| 8 | Артикул: IR96703756, Nut |
| 9 | Артикул: IR96712898, WASHER Was IR96741038 - A |
| 10 | Артикул: IR96743935, BOLT |
| 11 | Артикул: IR96742945, WASHER |
УСТАНОВКА ЖГУТА ПРОВОДОВ: Техника, которая работает на результат
УСТАНОВКА ЖГУТА ПРОВОДОВ на тандемный каток Bobcat BCA12 491611050 И ВЫШЕГабаритные размеры
Нажмите на схему для увеличения
Документация
Документация временно недоступна.
Похожая техника в категории: ТАНДЕМНЫЙ КАТОК (Bobcat)
УСТАНОВКА СИГНАЛА ЗАДНЕГО ХОДА (ОПЦИЯ)
1Артикул: IR5926...
2Артикул: IR9674...
3Артикул: IR9670...
Подробнее >
ГЛАВНЫЙ ЖГУТ В СБОРЕ
1Артикул: IR5896...
2Артикул: IR5453...
3Артикул: IR5915...
Подробнее >
АККУМУЛЯТОР И УСТАНОВКА КЛАКСОНА
1Артикул: 730502...
2Артикул: IR5896...
3Артикул: IR5921...
Подробнее >
УСТАНОВКА ДУГИ БЕЗОПАСНОСТИ СИСТЕМЫ ЗАЩИТЫ ПРИ ОПРОКИДЫВАНИИ (ROPS)УСТАНОВКА ЛАМПОВОГО МАЯКА (РАМА СИСТЕМЫ ЗАЩИТЫ ПРИ ОПРОКИДЫВАНИИ (ROPS)) (ОПЦИЯ)
1Артикул: IR5908...
2Артикул: IR5902...
3Артикул: IR5902...
Подробнее >