АККУМУЛЯТОР И УСТАНОВКА КЛАКСОНА — Продажа в Казахстане Цены от официального дилера с доставкой в Алматы, Астану и регионы
×
❮
❯
Характеристики и описание
Габариты, схема
Техническая документация
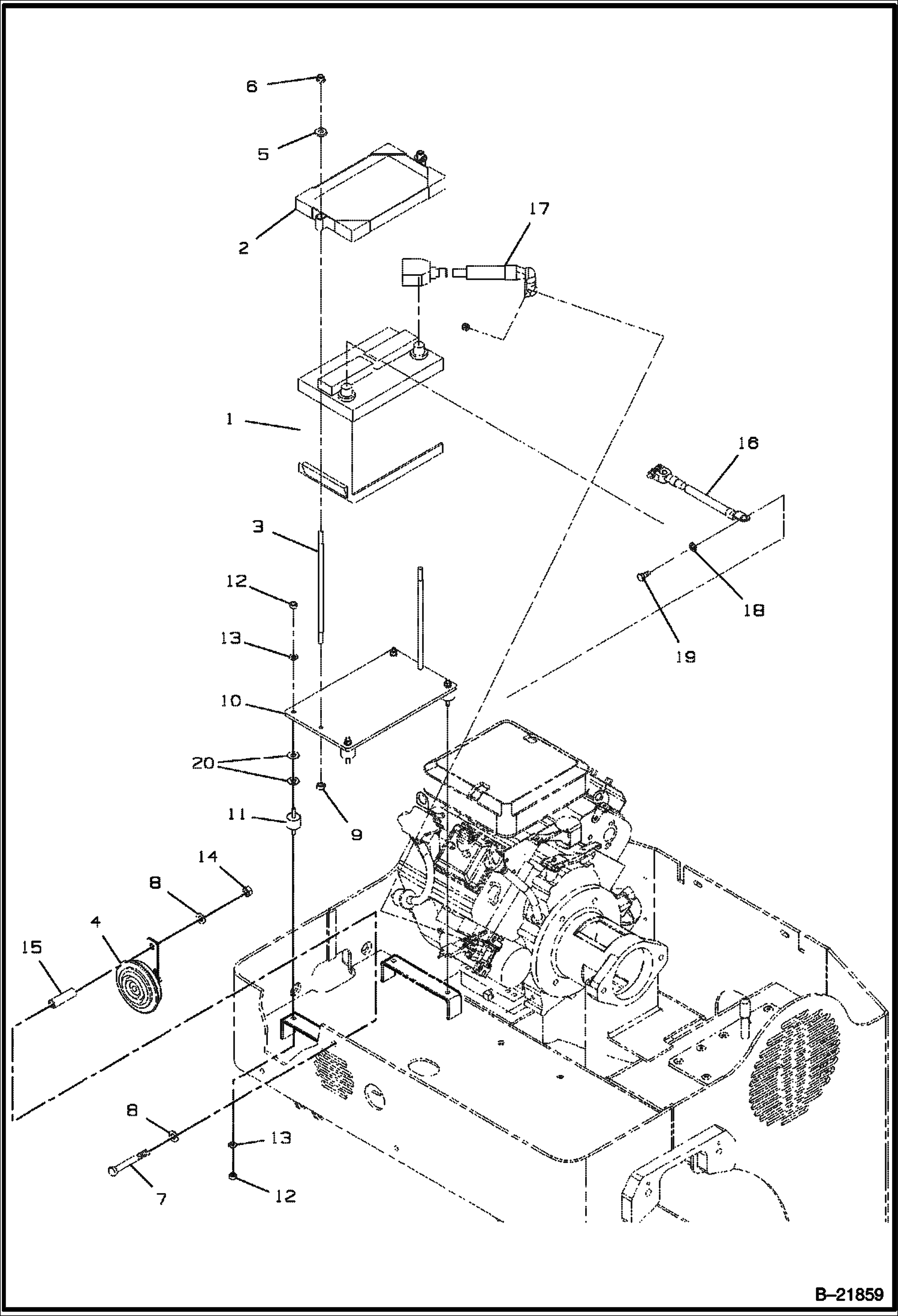
| 1 | Артикул: 7305029, BATTERY 390 CCA Was 6686659D - A |
| 2 | Артикул: IR58968785, Hold Down battery |
| 3 | Артикул: IR59211730, TIE DOWN battery |
| 4 | Артикул: IR13469010, HORN Was IR59200758 - D |
| 5 | Артикул: IR96712674, Washer |
| 6 | Артикул: IR96704606, NUT |
| 7 | Артикул: IR96712062, BOLT |
| 8 | Артикул: IR96714308, WASHER Was IR96741046 - A |
| 9 | Артикул: IR96701370, Nut |
| 10 | Артикул: IR13166657, Plate battery |
| 11 | Артикул: IR54658422, Mount |
| 12 | Артикул: IR96704234, Nut |
| 13 | Артикул: IR96741053, WASHER |
| 14 | Артикул: IR96704812, NUT |
| 15 | Артикул: IR13165709, SPACER |
| 16 | Артикул: IR13179957, Battery Cable negative |
| 17 | Артикул: IR13179940, Battery Cable positive |
| 18 | Артикул: IR96712898, WASHER Was IR96741038 - A |
| 19 | Артикул: IR96702816, BOLT |
| 20 | Артикул: IR96740204, washer |
АККУМУЛЯТОР И УСТАНОВКА КЛАКСОНА: Техника, которая работает на результат
АККУМУЛЯТОР И УСТАНОВКА КЛАКСОНА на тандемный каток Bobcat BCA12 491611050 И ВЫШЕГабаритные размеры
Нажмите на схему для увеличения
Документация
Документация временно недоступна.
Похожая техника в категории: ТАНДЕМНЫЙ КАТОК (Bobcat)
УСТАНОВКА СИГНАЛА ЗАДНЕГО ХОДА (ОПЦИЯ)
1Артикул: IR5926...
2Артикул: IR9674...
3Артикул: IR9670...
Подробнее >
УСТАНОВКА ЖГУТА ПРОВОДОВ
1Артикул: Harnes...
2Артикул: IR9539...
3Артикул: IR9670...
Подробнее >
ГЛАВНЫЙ ЖГУТ В СБОРЕ
1Артикул: IR5896...
2Артикул: IR5453...
3Артикул: IR5915...
Подробнее >
УСТАНОВКА ДУГИ БЕЗОПАСНОСТИ СИСТЕМЫ ЗАЩИТЫ ПРИ ОПРОКИДЫВАНИИ (ROPS)УСТАНОВКА ЛАМПОВОГО МАЯКА (РАМА СИСТЕМЫ ЗАЩИТЫ ПРИ ОПРОКИДЫВАНИИ (ROPS)) (ОПЦИЯ)
1Артикул: IR5908...
2Артикул: IR5902...
3Артикул: IR5902...
Подробнее >