+7 (701) 588 50 05 Телефон для связи
RU

WhatsApp

Позвонить

ЗАПЧАСТИ ДВИГАТЕЛЯ в Алматы

ДВОЙНОЙ ФИЛЬТР (ДВИГАТЕЛЬ СПЕЦИФИКАЦИИ LD 22557)

ДВОЙНОЙ ФИЛЬТР (ДВИГАТЕЛЬ СПЕЦИФИКАЦИИ LD 22557)

1Артикул: 961048, ELEMENT
2Артикул: 3490352, BOLT
3Артикул: 6513106, WASHER
Подробнее >
ТОПЛИВНЫЙ НАСОС

ТОПЛИВНЫЙ НАСОС

1Артикул: PUMP, PUMP NLA - Was 6510283 - A
2Артикул: PUMP, PUMP NLA - Order Ref. 1 & 8 - Was 6630862 - A
3Артикул: 6666639, PUMP
Подробнее >
ТОПЛИВО ДЛЯ ДВИГАТЕЛЯ И ДЕТАЛИ ВЫХЛОПНОГО КОЛЛЕКТОРА

ТОПЛИВО ДЛЯ ДВИГАТЕЛЯ И ДЕТАЛИ ВЫХЛОПНОГО КОЛЛЕКТОРА

1Артикул: ENGINE, ENGINE See Illustration DRIVE TRAIN/ B20285
2Артикул: 6591963, HOSE
3Артикул: 42H40, HOSECLAM5 Was 942792B - A
Подробнее >
СМАЗКА ДВИГАТЕЛЯ И КРЕПЕЖНЫЕ ДЕТАЛИ ЭЛЕКТРИЧЕСКИХ МЕХАНИЗМОВ

СМАЗКА ДВИГАТЕЛЯ И КРЕПЕЖНЫЕ ДЕТАЛИ ЭЛЕКТРИЧЕСКИХ МЕХАНИЗМОВ

1Артикул: ENGINE, ENGINE See Illustration PERKINS DIESEL ENGINE/ B18337
2Артикул: 17C512, BOLT 5 Use W/Delco Alt.-1100827
3Артикул: 1CM825, BOLT Was 4CM825 - A
Подробнее >
СИСТЕМА ВПРЫСКА ТОПЛИВА

СИСТЕМА ВПРЫСКА ТОПЛИВА

1Артикул: 3490094, BOLT inlet union
2Артикул: 3490095, WASHER 5
3Артикул: 3725685, PIPE
Подробнее >
ШЕСТЕРНИ РАСПРЕДЕЛИТЕЛЬНОГО ВАЛА

ШЕСТЕРНИ РАСПРЕДЕЛИТЕЛЬНОГО ВАЛА

1Артикул: 18C818, BOLT
2Артикул: 3725482, SHIM
3Артикул: 3725481, T WASHER
Подробнее >
ВОЗДУХООЧИСТИТЕЛЬ (ДВА ЭЛЕМЕНТА - СЕРИЙНЫЙ НОМЕР 12704 И ВЫШЕ)

ВОЗДУХООЧИСТИТЕЛЬ (ДВА ЭЛЕМЕНТА - СЕРИЙНЫЙ НОМЕР 12704 И ВЫШЕ)

1Артикул: 7001076, FILTER, AIR CLEANER ASSY W/Ref. 2-9 - Was 6591853 - A
2Артикул: 6598899, COVER
3Артикул: 4280099, FILTER, AIR OUTER
Подробнее >
ВОЗДУХООЧИСТИТЕЛЬ (ЕДИНЫЙ ЭЛЕМЕНТ - СЕРИЙНЫЙ НОМЕР 12703 И НИЖЕ)

ВОЗДУХООЧИСТИТЕЛЬ (ЕДИНЫЙ ЭЛЕМЕНТ - СЕРИЙНЫЙ НОМЕР 12703 И НИЖЕ)

1Артикул: AIR, AIR CLEANER See Illustration AIR CLEANER/ C3510 NLA - Ref. 2-8 - ORDER 6673892, 6673891 & 6805174 - WAS 6547469 - A
2Артикул: 6519065, BAR retainer
3Артикул: 6519066, FILTER, AIR OUTER
Подробнее >
СОЕДИНИТЕЛЬНАЯ ТЯГА И ПОРШЕНЬ

СОЕДИНИТЕЛЬНАЯ ТЯГА И ПОРШЕНЬ

1Артикул: 6662032, KIT Ring - Std. - For One Piston - Was 3725418B - A
2Артикул: 6662948, COOLER Ring - .030 oversize - for one piston - Was 3726184B - A
3Артикул: 6515703, KIT Ring - service - for one piston - .002
Подробнее >
ОСЬ КЛАПАННОГО КОРОМЫСЛА

ОСЬ КЛАПАННОГО КОРОМЫСЛА

1Артикул: 6640798, SHAFT Rocker - W/Ref. 4-15 - Was 6513101 - A
2Артикул: 6649430, SHAFT Rocker - Was 3739649B - A
3Артикул: 3725329, NUT
Подробнее >
БАЛАНСИРОВОЧНЫЙ УЗЕЛ (ДВИГАТЕЛЬ СЕРИЙНЫЙ НОМЕР 70095U967562L И ВЫШЕ)

БАЛАНСИРОВОЧНЫЙ УЗЕЛ (ДВИГАТЕЛЬ СЕРИЙНЫЙ НОМЕР 70095U967562L И ВЫШЕ)

1Артикул: 6631671, BALANCER
2Артикул: 6631508, PIN
3Артикул: 6631507, CAP
Подробнее >
БАЛАНСИРОВОЧНЫЙ УЗЕЛ (ДВИГАТЕЛЬ СЕРИЙНЫЙ НОМЕР 70095U967561L И НИЖЕ)

БАЛАНСИРОВОЧНЫЙ УЗЕЛ (ДВИГАТЕЛЬ СЕРИЙНЫЙ НОМЕР 70095U967561L И НИЖЕ)

1Артикул: BALANCER, BALANCER UNIT NLA - Order Ref. 1, 2, 7, 8 & 25 - A
2Артикул: 6630830, BALANCER UNIT Ref. 2-6, 9-26 & 30-43 - Was 6598784 - A
3Артикул: 18C536, BOLT
Подробнее >
КРЫШКА КОРОМЫСЛА КЛАПАНА

КРЫШКА КОРОМЫСЛА КЛАПАНА

1Артикул: 3725429, SCREW
2Артикул: 18C410, BOLT
3Артикул: 4E4, WASHER
Подробнее >
БЛОК ЦИЛИНДРОВ

БЛОК ЦИЛИНДРОВ

1Артикул: 6649423, GASKET cylinder head - Was 3575053 - A
2Артикул: 3739121, PLUG rocker oil feed
3Артикул: 3725304, LINER cylinder
Подробнее >
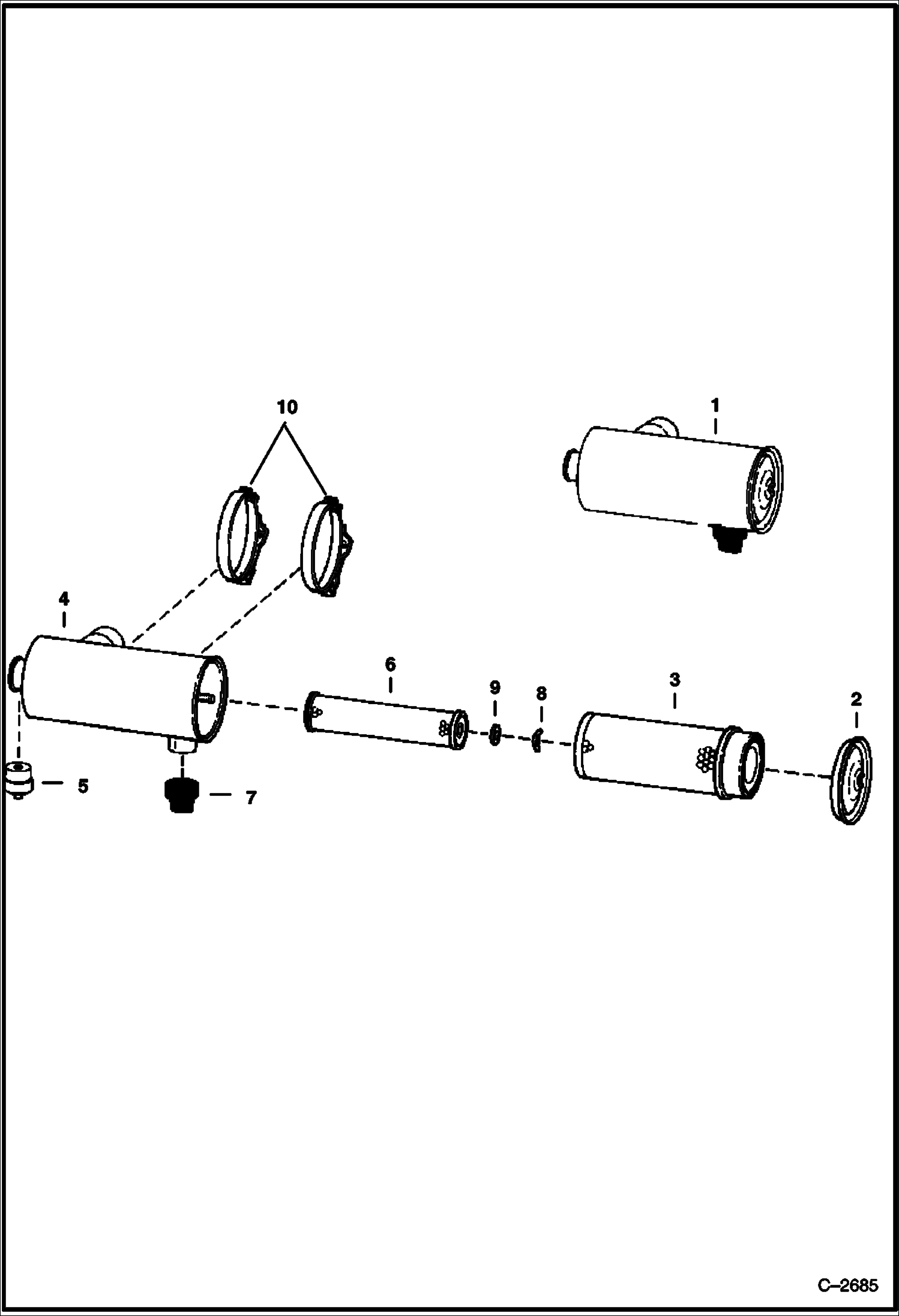
ФИЛЬТР ДЛЯ ТОПЛИВА (ДВИГАТЕЛЬ СПЕЦИФИКАЦИИ LD 70095)

ФИЛЬТР ДЛЯ ТОПЛИВА (ДВИГАТЕЛЬ СПЕЦИФИКАЦИИ LD 70095)

1Артикул: 3885315, FILTER, FUEL 12
2Артикул: 3490132, SEAL
3Артикул: 3490133, UNION NUT
Подробнее >
ДИЗЕЛЬНЫЙ ДВИГАТЕЛЬ PERKINS

ДИЗЕЛЬНЫЙ ДВИГАТЕЛЬ PERKINS

1Артикул: ENGINE, ENGINE NLA - Order 6630039REM engine & 1638660B starter
2Артикул: ENGINE, ENGINE NLA - W/Injection Pump & Filters - Less Starter & Alternator - Order 6630039REM engine
3Артикул: ENGINE, ENGINE See BTI223 NLA - W/injection pump & filters - less starter & alt - Order 6630039REM - Was 6630039 - A
Подробнее >
ВОЗДУХООЧИСТИТЕЛЬ (ЕДИНЫЙ ЭЛЕМЕНТ - СЕРИЙНЫЙ НОМЕР 12703 И НИЖЕ)

ВОЗДУХООЧИСТИТЕЛЬ (ЕДИНЫЙ ЭЛЕМЕНТ - СЕРИЙНЫЙ НОМЕР 12703 И НИЖЕ)

1Артикул: 6673892, AIR CLNR W/Ref. 2-6
2Артикул: TANK, TANK NLA
3Артикул: 6666333, FILTER, AIR OUTER
Подробнее >
КОРПУС И МАХОВИК

КОРПУС И МАХОВИК

1Артикул: 6515768, HOUSING
2Артикул: HOUSING, HOUSING Was 6512111 - A
3Артикул: 6924344, DOWEL Was 3725347 - A
Подробнее >
ФИЛЬТР ДЛЯ ТОПЛИВА (ДВИГАТЕЛЬ СПЕЦИФИКАЦИИ LD 22557)

ФИЛЬТР ДЛЯ ТОПЛИВА (ДВИГАТЕЛЬ СПЕЦИФИКАЦИИ LD 22557)

1Артикул: 3885315, FILTER, FUEL 12
2Артикул: 3490132, SEAL
3Артикул: 3490133, UNION NUT
Подробнее >
КОРПУС ВОДООТВОДЯЩЕГО ПАТРУБКА

КОРПУС ВОДООТВОДЯЩЕГО ПАТРУБКА

1Артикул: 6515692, HOUSING
2Артикул: 6649523, HOUSING Was 6512003 - A
3Артикул: 6668014, GASKET Was 6515693 - A
Подробнее >
КОЛЕНЧАТЫЙ ВАЛ И КОМПЛЕКТУЮЩИЕ ДЕТАЛИ

КОЛЕНЧАТЫЙ ВАЛ И КОМПЛЕКТУЮЩИЕ ДЕТАЛИ

1Артикул: 6662035, WASHER thrust - Std. - Top - Was 3725399B - A
2Артикул: 3725400, WASHER thrust - .007 Undersize - Top - One Half
3Артикул: 6668230, WASHER thrust -Std. - Bottom - 2 Halves - Was 3725401 - A
Подробнее >
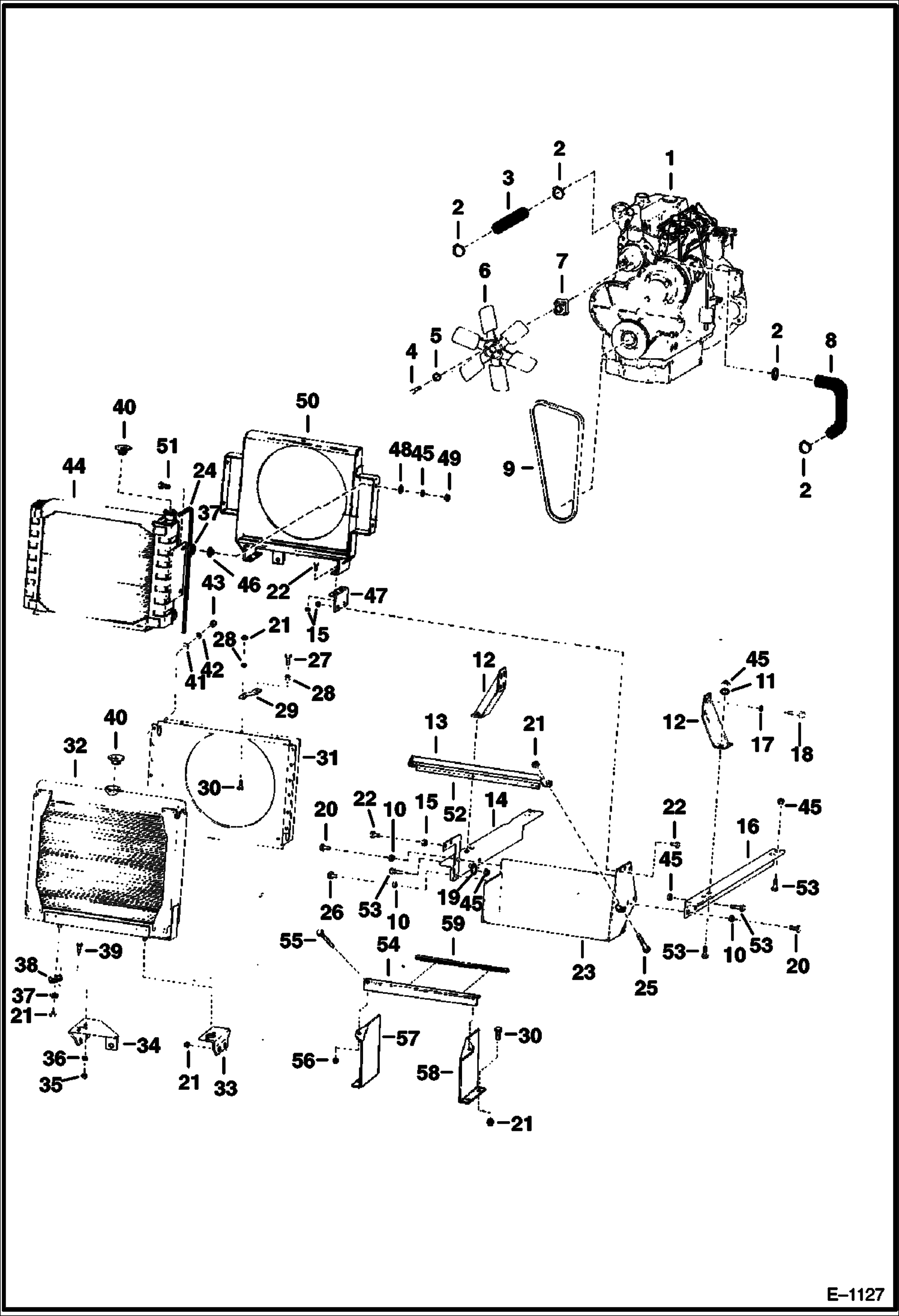
СИСТЕМА ОХЛАЖДЕНИЯ ДВИГАТЕЛЯ И КРЕПЕЖНЫЕ ДЕТАЛИ

СИСТЕМА ОХЛАЖДЕНИЯ ДВИГАТЕЛЯ И КРЕПЕЖНЫЕ ДЕТАЛИ

1Артикул: ENGINE, ENGINE See Illustration PERKINS DIESEL ENGINE/ B18337
2Артикул: 42H32, HS CLAMP5
3Артикул: 6547175, HOSE
Подробнее >
КОЛЛЕКТОР

КОЛЛЕКТОР

1Артикул: 3725378, MANIFOLD exhaust
2Артикул: 6519506, NUT
3Артикул: 3725383, STUD
Подробнее >
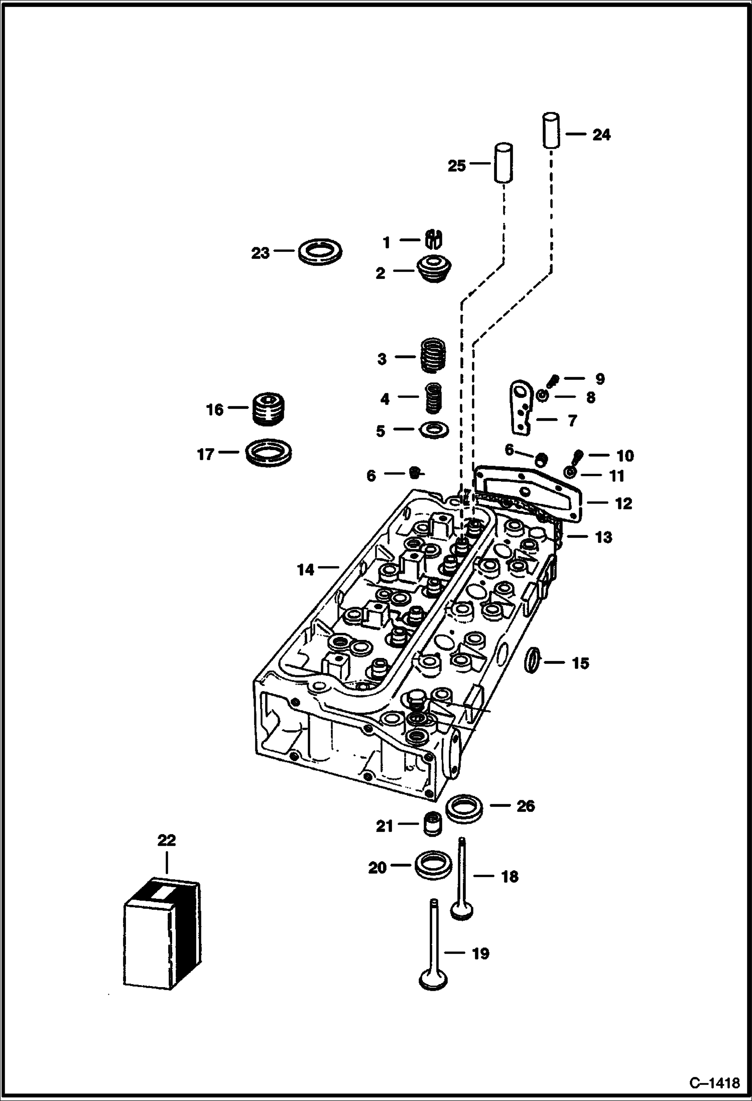
ГОЛОВКА БЛОКА ЦИЛИНДРОВ

ГОЛОВКА БЛОКА ЦИЛИНДРОВ

1Артикул: 3739149, SPACER retaining cap
2Артикул: 3737963, CAP spring retaining - Was 3679997B - A
3Артикул: SPRING, SPRING NLA - Outer valve - Order 6634202 & 6634203 - Was 3725372B - A
Подробнее >
ПРОКЛАДКА

ПРОКЛАДКА

1Артикул: 6668034, GASKET Was 3739690B - A
2Артикул: 6649431, GASKET
3Артикул: 6668021, GASKET Was 3490369B - A
Подробнее >
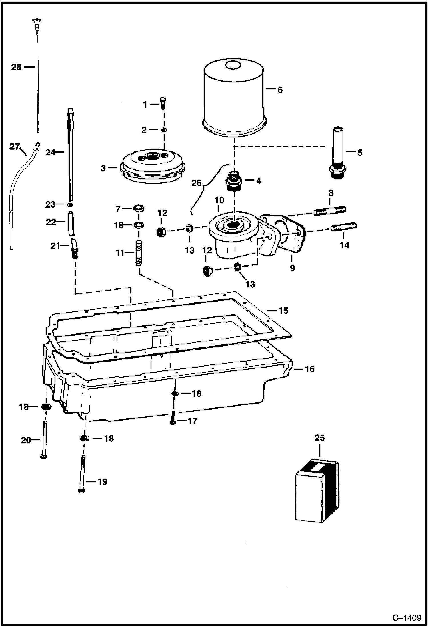
СМАЗОЧНАЯ СИСТЕМА

СМАЗОЧНАЯ СИСТЕМА

1Артикул: 18C410, BOLT
2Артикул: 4E4, WASHER
3Артикул: 3725551, STRAINER oil
Подробнее >
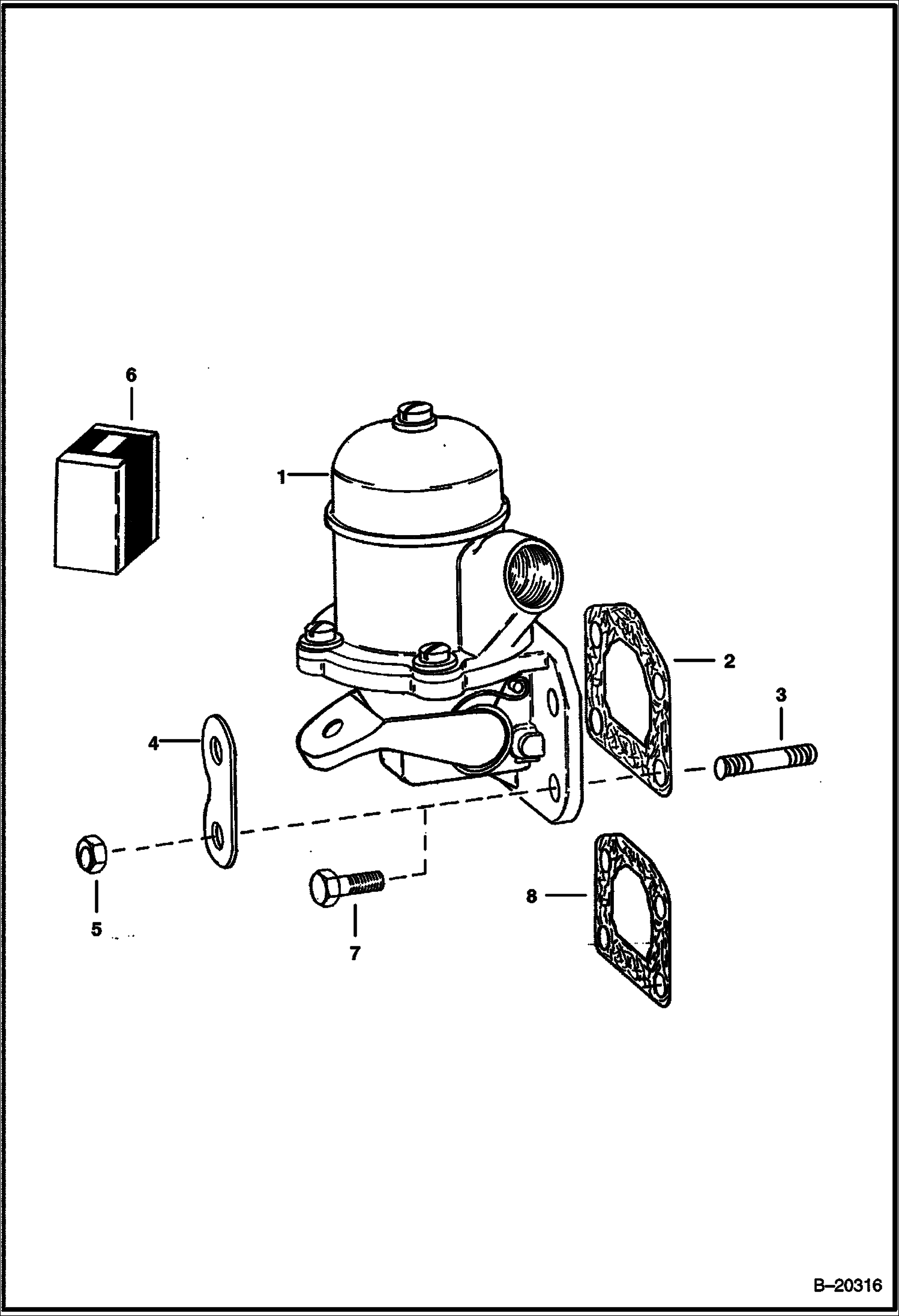
ВОДЯНАЯ ПОМПА

ВОДЯНАЯ ПОМПА

1Артикул: 10D5, NUT
2Артикул: 4E5, WASHER
3Артикул: 3734229, STUD
Подробнее >