BOB-TACH — Продажа в Казахстане Цены от официального дилера с доставкой в Алматы, Астану и регионы
×
❮
❯
Характеристики и описание
Габариты, схема
Техническая документация
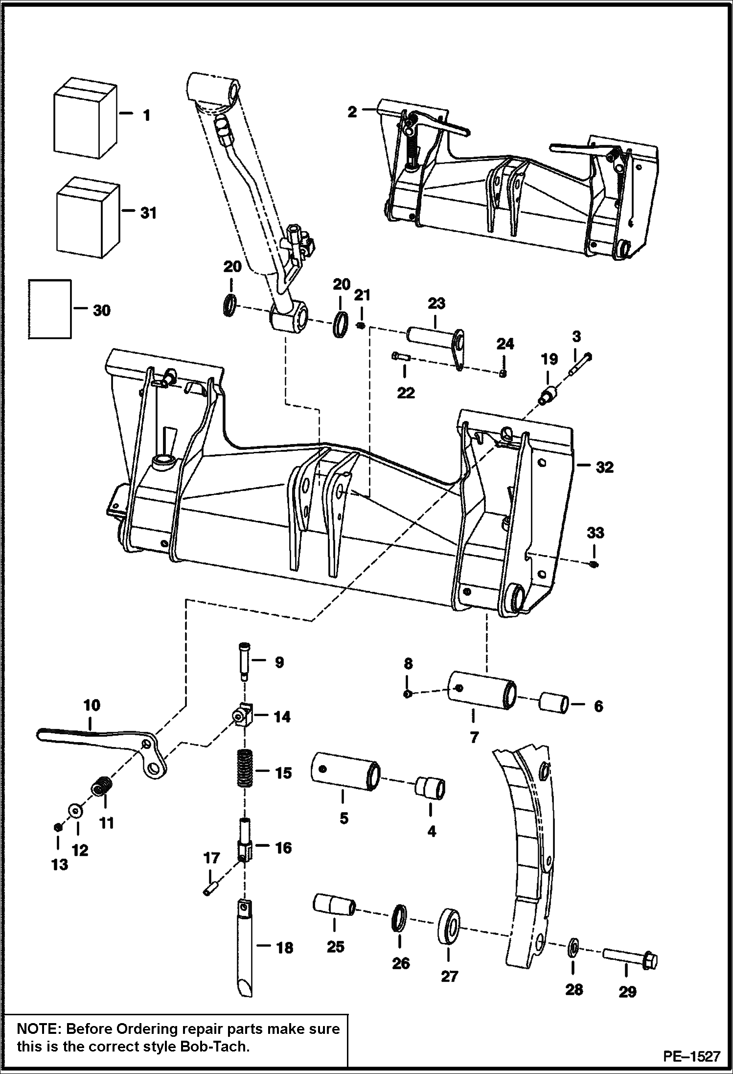
| 1 | Артикул: 6705172, KIT Ref. 4 & 20-28 |
| 2 | Артикул: BOB-TACH, BOB-TACH NLA - W/Ref. 7 (NLA/6577445 bushing) - 2.25-- (57,15 mm) OD weld on bushings - Order 6571744 Bob-tach & (2) Ref. 4 - Also Order 6561383 decal - Was 6705173 - A |
| 3 | Артикул: 6571744, BOB-TACH W/Ref. 5 - 2.50-- (63,5 mm) OD weld on bushings - Also Order (2) Ref. 4 & 6561383 decal |
| 4 | Артикул: 17C644, BOLT See Ref. 11 & 12 - 2.75-- (69,9mm) |
| 5 | Артикул: 17C660, BOLT See Ref. 11 & 12 - 3.75-- (95,3mm) long - in kit |
| 6 | Артикул: 6732446, BUSHING, PRESS FIT press fit - 1.25-- (31,8 mm) ID - stepped OD |
| 7 | Артикул: 6731979, BUSHING weld on - 2.5-- (63,5 mm) OD - Also Order Ref. 4 |
| 8 | Артикул: 6589665, BUSHING press fit - 1.25-- (31,8 mm) ID - straight OD - Was 6534387 - A |
| 9 | Артикул: BUSHING, BUSHING NLA - weld on - 2.25-- (57,15 mm) OD - W/Ref. 6 - Order 6577446 bushing & Ref. 6 - Was 6577445 - A |
| 10 | Артикул: 6577446, BUSHING, WELD-ON weld on - 2.25-- (57,15 mm) OD - Also Order Ref. 6 |
| 11 | Артикул: 743332, FITTING, GREASE 5 |
| 12 | Артикул: BOLT,, BOLT, SHOULDER 85,09 mm (3.35-- ) long - pre-applied thread locker - Use W/ 6704248 pivot, wedge - Was 6728473 - B |
| 13 | Артикул: 7255136, SCREW, SOCKET HEAD 28,58 mm (1.125--) long - Use W/ 7252989 pivot, wedge |
| 14 | Артикул: 6702903, LEVER, BOB-TACH LH |
| 15 | Артикул: 6702904, LEVER, BOB-TACH RH |
| 16 | Артикул: 6704453, SPRING Use W/ 17C000644B Bolt - Was 6578252 - A |
| 17 | Артикул: 6713040, SPRING Use W/ 17C000660B Bolt - in kit |
| 18 | Артикул: 6557831, WASHER Use W/ 17C000644B Bolt |
| 19 | Артикул: 619021, WASHER, 5 Use W/ 17C000660B Bolt - in kit |
| 20 | Артикул: 85D6, NUT, 5 |
| 21 | Артикул: 6704240, PIVOT ASSY. 0.75-- long pin - not in kit - Was 6576456 - A |
| 22 | Артикул: 6731119, PIVOT, WEDGE 50 mm (1.95--) long pin - in kit |
| 23 | Артикул: 6578253, SPRING, COMPRESSION |
| 24 | Артикул: PIVOT,, PIVOT, WEDGE 99,1 mm (3.90-- ) long - Use W/ 6728473 bolt - Was 6704248 - B |
| 25 | Артикул: 7252989, PIVOT, WEDGE 156,2 mm (6.15--) long - Use W/ 7255136 bolt |
| 26 | Артикул: 14J5032, PIN CSPR STRAIGHT |
| 27 | Артикул: 6737191, WEDGE Was 6704242 - A |
| 28 | Артикул: 6702958, BUSHING, WELD-ON |
| 29 | Артикул: 6654117, SEAL, OIL 51 mm (2--) OD |
| 30 | Артикул: 225855, SEAL, OIL 10 38 mm (1.5--) OD |
| 31 | Артикул: 10H25, FITTING, GREASE 5 |
| 32 | Артикул: 17C620, BOLT |
| 33 | Артикул: 6705223, PIN Was 6700037 - A |
| 34 | Артикул: 85D6, NUT, 5 |
| 35 | Артикул: PIN, PIN NLA - Order 6707521 Pin Kit - Was 6700301 - A |
| 36 | Артикул: 6707521, PIN KIT W/6707042 Pin, 17C001064B Bolt & Ref. 30 |
| 37 | Артикул: 6732012, PIN, PIVOT Was 6707042 - A |
| 38 | Артикул: 6651709, SEAL |
| 39 | Артикул: 6700039, CUP |
| 40 | Артикул: 6555455, WASHER |
| 41 | Артикул: 17C1020, BOLT 5 1.25-- (31,8 mm) long |
| 42 | Артикул: 17C1064, BOLT 5 4-- (101,6 mm) |
| 43 | Артикул: 6722967, INSTRUCTIONS W/Ref. 25 |
| 44 | Артикул: 6724775, LEVER KIT RH - Bob-Tach - Ref. 3 & 9-18 - Order W/ 6724776 |
| 45 | Артикул: 6724776, LEVER KIT LH - Bob-Tach - Ref. 3 & 9-18 - Order W/ 6724775 |
| 46 | Артикул: 7302298, KIT, BOBTACH UPPER W/ Ref. 3, 11, 12, 13, 19 |
| 47 | Артикул: 7302293, KIT, BOBTACH PIVOT W/ Ref. 9, 16, 17 |
| 48 | Артикул: FRAME, FRAME NLA |
| 49 | Артикул: 10H35, FITTING, GREASE 10 |
BOB-TACH: Техника, которая работает на результат
BOB-TACH на Bobcat 700s Bobcat 743 5025M50001 И ВЫШЕГабаритные размеры
Нажмите на схему для увеличения
Документация
Документация временно недоступна.
Похожая техника в категории: РАМА (Bobcat)
ТОПЛИВНАЯ СИСТЕМА
1Артикул: 656011...
2Артикул: 742876...
3Артикул: 656260...
Подробнее >
СИДЕНИЕ (МИЧИГАН)
1Артикул: SEAT, ...
2Артикул: 666913...
3Артикул: 667016...
Подробнее >
ПОДЪЕМНАЯ РУКОЯТЬ И BOB-TACH
1Артикул: 17C640...
2Артикул: 654759...
3Артикул: 670395...
Подробнее >
ЗАДНЯЯ ДВЕРЬ
1Артикул: 670432...
2Артикул: 85D5, ...
3Артикул: 656368...
Подробнее >
СИДЕНИЕ
1Артикул: SEAT, ...
2Артикул: 663046...
3Артикул: 663046...
Подробнее >
ПАНЕЛИ
1Артикул: 656280...
2Артикул: 84G371...
3Артикул: 656467...
Подробнее >
КАБИНА ВОДИТЕЛЯ (СЕРИЙНЫЙ НОМЕР 51001 И ВЫШЕ)
1Артикул: 656924...
2Артикул: 656827...
3Артикул: 656789...
Подробнее >
СИДЕНИЕ И ОПОРА СИДЕНЬЯ
1Артикул: SEAT, ...
2Артикул: SEAT, ...
3Артикул: SEAT, ...
Подробнее >
КАБИНА ВОДИТЕЛЯ (СЕРИЙНЫЙ НОМЕР 50999 И НИЖЕ)
1Артикул: 656924...
2Артикул: CAB, C...
3Артикул: 656902...
Подробнее >