+7 (701) 588 50 05 Телефон для связи
RU

WhatsApp

Позвонить

ГИДРОМОТОР ПОВОРОТА ПЛАТФОРМЫ — Продажа в Казахстане Цены от официального дилера с доставкой в Алматы, Астану и регионы

Техника доступна в:
Полный спектр услуг:
Для Вашего удобства:
Характеристики и описание
Габариты, схема
Техническая документация
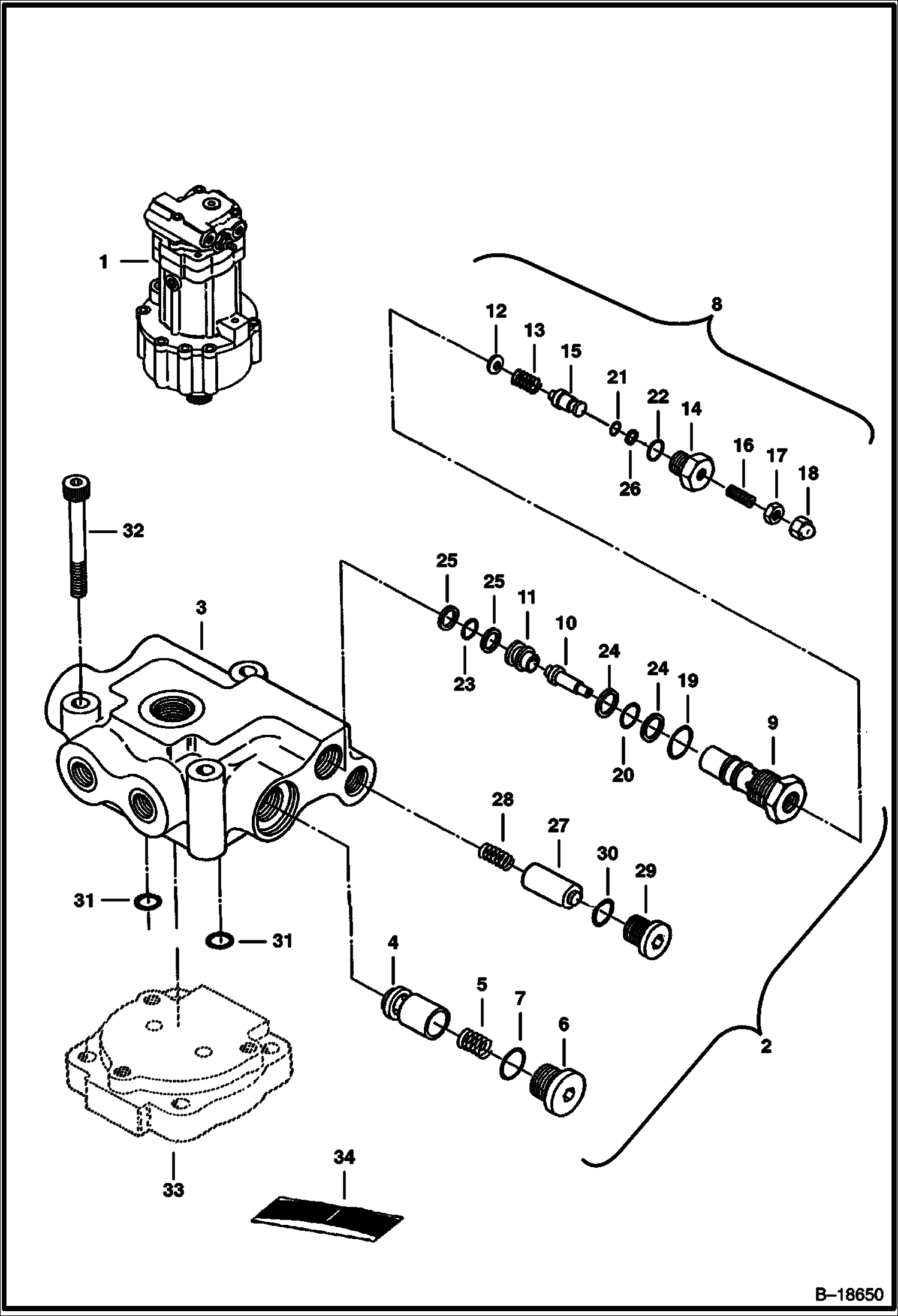
1 Артикул: MOTOR, MOTOR NLA - swing - W/Ref. 2-33 - Also includes Ref. 2 on Ill. C3192 & B18649 - Was 6655394 - A
2 Артикул: VALVE, VALVE NLA - assy - Ref. 3-31 - adjust relief valve to 1855 PSI - Was 6656001 - A
3 Артикул: HOUSING, HOUSING NSS
4 Артикул: 6653165, CHECK VALVE
5 Артикул: 6653166, SPRING
6 Артикул: 6653167, PLUG
7 Артикул: O-RING, O-RING NSS
8 Артикул: 6656002, RELIEF VALVE W/Ref. 9-26 - Adjust to 1855 PSI
9 Артикул: HOUSING, HOUSING NSS
10 Артикул: POPPET, POPPET NSS
11 Артикул: SEAT, SEAT NSS - Poppet
12 Артикул: SEAT, SEAT NSS - Spring
13 Артикул: SPRING, SPRING NSS
14 Артикул: PLUG, PLUG NSS
15 Артикул: GUIDE, GUIDE NSS
16 Артикул: SET, SET SCREW NSS
17 Артикул: NUT, NUT NSS
18 Артикул: CAP, CAP NSS
19 Артикул: O-RING, O-RING NSS
20 Артикул: O-RING, O-RING NSS
21 Артикул: O-RING, O-RING NSS
22 Артикул: O-RING, O-RING NSS
23 Артикул: O-RING, O-RING NSS
24 Артикул: BACK-UP, BACK-UP RING NSS
25 Артикул: BACK-UP, BACK-UP RING NSS
26 Артикул: BACK-UP, BACK-UP RING NSS
27 Артикул: PISTON, PISTON NSS
28 Артикул: 6653169, SPRING
29 Артикул: 6653170, PLUG
30 Артикул: O-RING, O-RING NSS
31 Артикул: O-RING, O-RING NSS
32 Артикул: 6653192, BOLT
33 Артикул: BLOCK, BLOCK See Illustration SWING MOTOR/ B18649
34 Артикул: 6653196, SEAL KIT Ref. 7, 19-26, 30 & 31

ГИДРОМОТОР ПОВОРОТА ПЛАТФОРМЫ: Техника, которая работает на результат

ГИДРОМОТОР ПОВОРОТА ПЛАТФОРМЫ на мини-экскаватор Bobcat 231 508911001 - 508911999

Габаритные размеры

Габаритные размеры и схема ГИДРОМОТОР ПОВОРОТА ПЛАТФОРМЫ

Нажмите на схему для увеличения

Документация

Документация временно недоступна.

Похожая техника в категории: ГИДРАВЛИЧЕСКАЯ СИСТЕМА (Bobcat)

Спецтехника ЦИЛИНДР РУКОЯТИ

ЦИЛИНДР РУКОЯТИ

1Артикул: CYLIND...
2Артикул: CASE, ...
3Артикул: ROD, R...
Подробнее >
Спецтехника ЛЕВОСТОРОННИЙ ДЖОЙСТИК УПРАВЛЕНИЯ

ЛЕВОСТОРОННИЙ ДЖОЙСТИК УПРАВЛЕНИЯ

1Артикул: 665411...
2Артикул: HOUSIN...
3Артикул: 665528...
Подробнее >
Спецтехника СЕКЦИЯ РАСПРЕДЕЛИТЕЛЯ (ВСПОМОГАТЕЛЬНОЕ УСТРОЙСТВО)

СЕКЦИЯ РАСПРЕДЕЛИТЕЛЯ (ВСПОМОГАТЕЛЬНОЕ УСТРОЙСТВО)

1Артикул: 665311...
2Артикул: HOUSIN...
3Артикул: 663096...
Подробнее >
Спецтехника ПОВОРОТНОЕ СОЕДИНЕНИЕ

ПОВОРОТНОЕ СОЕДИНЕНИЕ

1Артикул: 712386...
2Артикул: 712386...
3Артикул: 666490...
Подробнее >
Спецтехника ГИДРАВЛИЧЕСКИЙ БАК И ФИЛЬТР

ГИДРАВЛИЧЕСКИЙ БАК И ФИЛЬТР

1Артикул: TANK, ...
2Артикул: 653514...
3Артикул: O-RING...
Подробнее >
Спецтехника СХЕМА ГИДРАВЛИЧЕСКОЙ СИСТЕМЫ (РУКОЯТЬ И СТРЕЛА)

СХЕМА ГИДРАВЛИЧЕСКОЙ СИСТЕМЫ (РУКОЯТЬ И СТРЕЛА)

1Артикул: 653557...
2Артикул: 79K8, ...
3Артикул: 653558...
Подробнее >
Спецтехника СХЕМА ГИДРАВЛИЧЕСКОЙ СИСТЕМЫ (ОТ КЛАПАНА В ЦИЛИНДР ОТВАЛА)

СХЕМА ГИДРАВЛИЧЕСКОЙ СИСТЕМЫ (ОТ КЛАПАНА В ЦИЛИНДР ОТВАЛА)

1Артикул: 653557...
2Артикул: 79K8, ...
3Артикул: 665510...
Подробнее >
Спецтехника ПРАВОСТОРОННИЙ ДЖОЙСТИК УПРАВЛЕНИЯ

ПРАВОСТОРОННИЙ ДЖОЙСТИК УПРАВЛЕНИЯ

1Артикул: 665412...
2Артикул: HOUSIN...
3Артикул: 665528...
Подробнее >
Спецтехника СЕКЦИЯ РАСПРЕДЕЛИТЕЛЯ (ПОВОРОТ СТРЕЛЫ)

СЕКЦИЯ РАСПРЕДЕЛИТЕЛЯ (ПОВОРОТ СТРЕЛЫ)

1Артикул: 665311...
2Артикул: HOUSIN...
3Артикул: 663096...
Подробнее >
Спецтехника РАЗГРУЗОЧНЫЙ КЛАПАН

РАЗГРУЗОЧНЫЙ КЛАПАН

1Артикул: VALVE,...
2Артикул: HOUSIN...
3Артикул: SPOOL,...
Подробнее >
Спецтехника ЦИЛИНДР ОТВАЛА

ЦИЛИНДР ОТВАЛА

1Артикул: 665558...
2Артикул: HOUSIN...
3Артикул: ROD, R...
Подробнее >
Спецтехника СЕКЦИЯ РАСПРЕДЕЛИТЕЛЯ (ПОВОРОТ И КОВШ)

СЕКЦИЯ РАСПРЕДЕЛИТЕЛЯ (ПОВОРОТ И КОВШ)

1Артикул: 665311...
2Артикул: HOUSIN...
3Артикул: SPOOL,...
Подробнее >