КАБИНА ОПЕРАТОРА — Продажа в Казахстане Цены от официального дилера с доставкой в Алматы, Астану и регионы
×
❮
❯
Характеристики и описание
Габариты, схема
Техническая документация
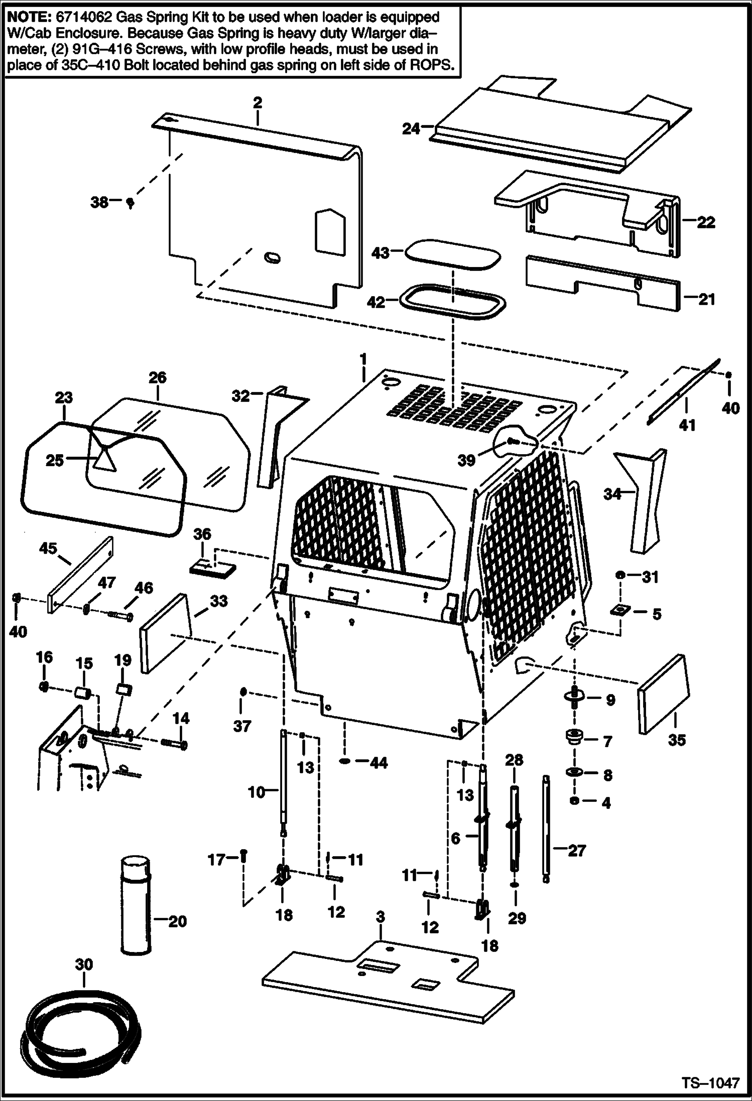
| 1 | Артикул: 6701957, OPERATOR CAB Does NOT Include Cab Decals - Also Order (2) Of Ref. 44 |
| 2 | Артикул: 6706569, INSULATION seat back - Was 6701553 - Use W/Ref. 20 - A |
| 3 | Артикул: 6708682, INSULATION seat back - shown - Was 6705816 - Use W/Ref. 38 - A |
| 4 | Артикул: 6715095, INSULATION seat pan - Was 6706982 - A |
| 5 | Артикул: 85D8, NUT, 5 |
| 6 | Артикул: 6553709, WASHER |
| 7 | Артикул: GAS, GAS SPRING NLA - Was 6701176 - Use W/Ref. 27,28,29 - A |
| 8 | Артикул: 6560633, DAMPENER |
| 9 | Артикул: 6515817, WASHER |
| 10 | Артикул: 6702971, BOLT Was 6568398 - A |
| 11 | Артикул: 6700171, GAS SPRING w/o lock - also order 6675257, clevis - Was 6706590 - A |
| 12 | Артикул: 6714062, KIT W/out lock - heavy duty, gas spring -SEE NOTE |
| 13 | Артикул: 91G416, SCREW SEE NOTE |
| 14 | Артикул: 6900531ENUS, INSTRUCTIONS for kit 6714062 - Was 6900531 - A |
| 15 | Артикул: 6631418, RING, RETAINING |
| 16 | Артикул: 6567743, PIN |
| 17 | Артикул: 6567604, SPACER |
| 18 | Артикул: 17C1056, BOLT |
| 19 | Артикул: 6562602, BUSHING rubber |
| 20 | Артикул: 53D10, NUT Was 83D000010B - B |
| 21 | Артикул: 84G3112, BOLT 5 |
| 22 | Артикул: 6706349, MOUNT Was 6576340 - A |
| 23 | Артикул: 6579613, STOP cab tilt |
| 24 | Артикул: 6652818, ADHESIVE insulation - 24 oz. spray can - Was 6632469 - A |
| 25 | Артикул: 6701674, INSULATION controls panel - Use W/Ref. 20 |
| 26 | Артикул: 6708181, INSULATION controls panel - Was 6701675 - Use W/Ref. 20 - A |
| 27 | Артикул: EXTRUSION, EXTRUSION NLA - 81.5-- (2070,1 mm) long - order Ref. 30 |
| 28 | Артикул: CORD, CORD NLA - 81.5-- (2070,1 mm) long - Order Ref. 30 - Also Order Ref. 25 (6731478 exit tag) |
| 29 | Артикул: 6701519, INSULATION cab top - Use W/Ref. 20 |
| 30 | Артикул: 6706155, INSULATION cab top - Use W/Ref. 38 |
| 31 | Артикул: 6731478, TAG EXIT Was 6559515 - A |
| 32 | Артикул: WIND.REAR, WIND.REAR NLA - Order 6729730 window - Also Order 2134mm (84--) of 6675387 seal and 6554149 cord - Was 6701651 - A |
| 33 | Артикул: 6664205, GAS SPRING also order 6675257, clevis - Was 6655389 - A |
| 34 | Артикул: 6675257, CLEVIS |
| 35 | Артикул: 6708189, TUBE stop - Was 6701175 - A |
| 36 | Артикул: 6701174, WASHER |
| 37 | Артикул: 6665568, EXTRUSION bulk - sold per foot - Was 6658352 - B |
| 38 | Артикул: 6554149, CORD, BULK/FT bulk - sold per foot |
| 39 | Артикул: 59D8, NUT 5 |
| 40 | Артикул: 6703449, INSULATION cab back - LH - Use W/Ref. 20 |
| 41 | Артикул: 6706156, INSULATION cab back - LH - Use W/Ref. 38 |
| 42 | Артикул: 6703451, INSULATION cab back - LH - Use W/Ref. 20 |
| 43 | Артикул: 6703450, INSULATION Cab Back- RH - Use W/Ref. 20 |
| 44 | Артикул: 6706151, HOSE Cab Back- LH - Use W/Ref. 38 |
| 45 | Артикул: 6703452, INSULATION cab back - LH - Use W/Ref. 20 |
| 46 | Артикул: 6703455, INSULATION Cab Back- - Was 6703453 - Use W/Ref. 20 - A |
| 47 | Артикул: 6664374, PLUG heater hole |
| 48 | Артикул: 6664310, CLIP |
| 49 | Артикул: 35C410, BOLT 5 |
| 50 | Артикул: 83D4, NUT 10 |
| 51 | Артикул: 6703159, TRACK RH |
| 52 | Артикул: 6703160, TRACK LH |
| 53 | Артикул: 6664351, SEAL Use W/cab headliner |
| 54 | Артикул: 6665012, SEAL Use W/O cab headliner |
| 55 | Артикул: 6705735, WINDOW |
| 56 | Артикул: 6571991, GUIDE Spacer - For Seat Rear Mounting Bolts - Was 6707318 - A |
| 57 | Артикул: 6736126, COVER |
| 58 | Артикул: 35C410, BOLT 5 |
| 59 | Артикул: 25E13, WASHER 5 |
КАБИНА ОПЕРАТОРА: Техника, которая работает на результат
КАБИНА ОПЕРАТОРА на Bobcat 800s Bobcat 853 508411001 - 508414999, 509711001 - 509714999Габаритные размеры
Нажмите на схему для увеличения
Документация
Документация временно недоступна.
Похожая техника в категории: РАМА (Bobcat)
СИДЕНИЕ
1Артикул: 666565...
2Артикул: 666913...
3Артикул: 667016...
Подробнее >
СИДЕНИЕ И ОПОРА СИДЕНЬЯ
1Артикул: SEAT, ...
2Артикул: SEAT, ...
3Артикул: SEAT, ...
Подробнее >
ТОПЛИВНАЯ СИСТЕМА
1Артикул: 670852...
2Артикул: 712088...
3Артикул: 42H32,...
Подробнее >
BOB-TACH
1Артикул: 657798...
2Артикул: 17C644...
3Артикул: 17C660...
Подробнее >
ЗАДНЯЯ ДВЕРЬ
1Артикул: 670386...
2Артикул: 670379...
3Артикул: 670436...
Подробнее >
ПОДЪЕМНАЯ РУКОЯТЬ И BOB-TACH
1Артикул: 17C640...
2Артикул: 670293...
3Артикул: LIFT, ...
Подробнее >
ПАНЕЛИ
1Артикул: 671848...
2Артикул: 670134...
3Артикул: 670747...
Подробнее >