ПОДЪЕМНАЯ РУКОЯТЬ И BOB-TACH — Продажа в Казахстане Цены от официального дилера с доставкой в Алматы, Астану и регионы
×
❮
❯
Характеристики и описание
Габариты, схема
Техническая документация
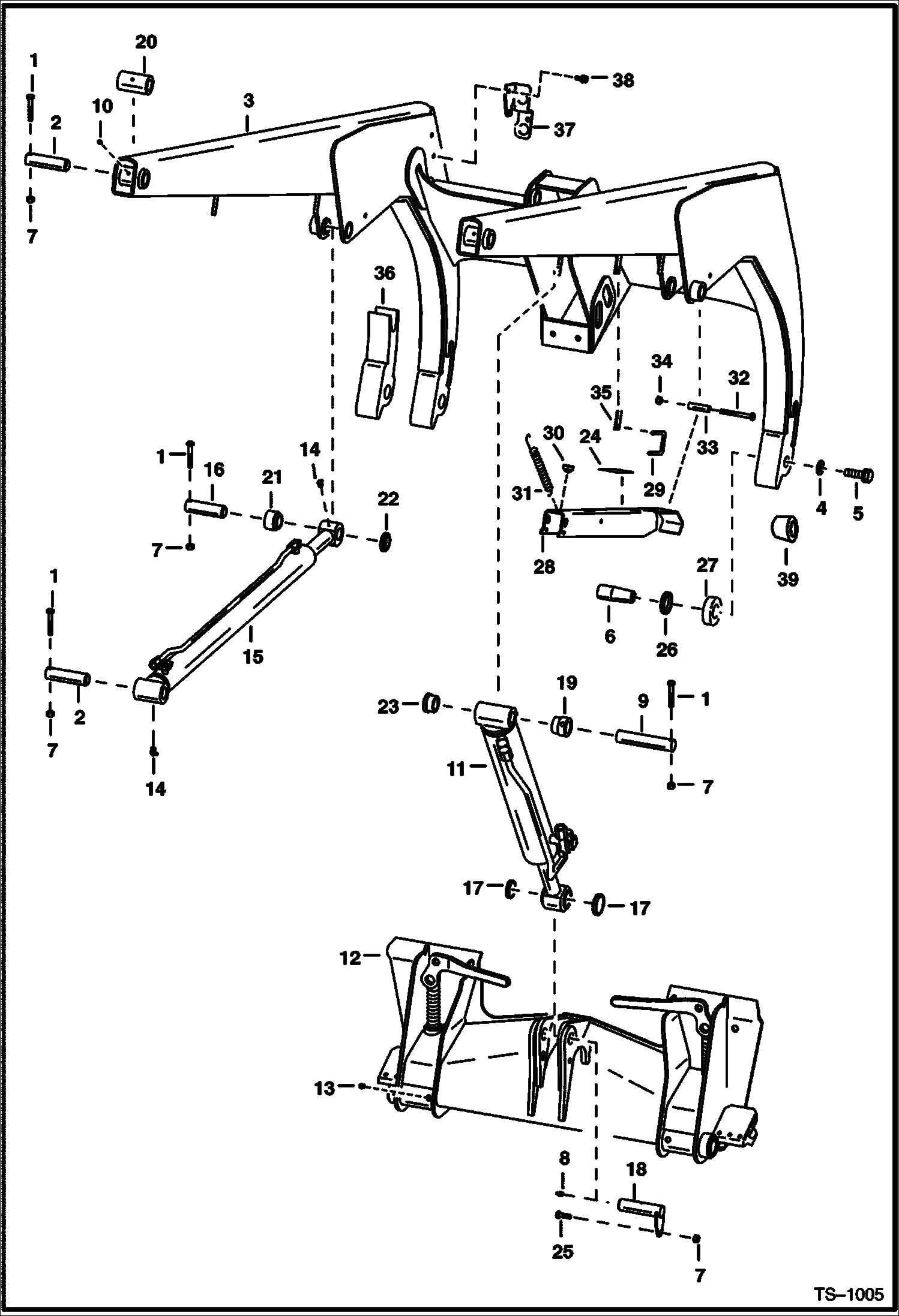
| 1 | Артикул: 17C640, BOLT |
| 2 | Артикул: 6702935, PIN, PIVOT Was 6577954 - B |
| 3 | Артикул: LIFT, LIFT ARM NLA - Order 6705719 Lift Arm , 6704108 , 6704130 , 6704140 & 6703588 Tubelines, 6706751 Bracket & (2) 84G003712B Bolts - Was 6578834 - A |
| 4 | Артикул: LIFT, LIFT ARM NLA - Order 6705719 Lift Arm, 6706751 Bracket & (4) of 84G003712B Bolts -Was 6703226 - A |
| 5 | Артикул: LIFT, LIFT ARM NLA - Order 6705719 Lift Arm, 6706752 Bracket & (4) of 84G003712B Bolts -Was 6703226 - A |
| 6 | Артикул: 6705719, LIFT ARM |
| 7 | Артикул: 6576033, WASHER 1.50-- (38.1 mm) dia. |
| 8 | Артикул: 31C1224, BOLT 1.5-- long - use W/Ref. 6 (NLA/6579118 Pin) - Was 35C1224 - A |
| 9 | Артикул: 31C1272, BOLT 4.5-- long - use W/Ref. 6 (6707180 Pin) - Was 35C001224B - B |
| 10 | Артикул: PIN, PIN NLA - Order 6707180 Pin & 31C1272 Bolt - Was 6579118 - A |
| 11 | Артикул: 6707180, PIN, PIVOT |
| 12 | Артикул: 85D6, NUT, 5 |
| 13 | Артикул: 10H25, FITTING, GREASE 5 |
| 14 | Артикул: 6704288, PIN, PIVOT Was 6553061 - B |
| 15 | Артикул: 10H35, FITTING, GREASE 10 |
| 16 | Артикул: CYLINDER, CYLINDER See Illustration TILT CYLINDER/ MS1713 See Illustration TILT CYLINDER/ TS1012 - tilt |
| 17 | Артикул: BOB-TACH, BOB-TACH See Illustration BOB-TACH/ TS1000 |
| 18 | Артикул: 743332, FITTING, GREASE 5 |
| 19 | Артикул: 11H15, GREASE FITTING |
| 20 | Артикул: CYLINDER, CYLINDER See Illustration LIFT CYLINDER/ MS1687 See Illustration LIFT CYLINDER/ TS1013 - lift |
| 21 | Артикул: 6547593, PIN, PIVOT |
| 22 | Артикул: 6654117, SEAL, OIL 51 mm (2--) OD |
| 23 | Артикул: 225855, SEAL, OIL 10 38 mm (1.5--) OD |
| 24 | Артикул: 6705223, PIN Was 6700037 - A |
| 25 | Артикул: 6737623, BUSHING Weld On - Also Order Ref. 9 - Was 6704287 - A |
| 26 | Артикул: 6579117, BUSHING Weld On |
| 27 | Артикул: 6558992, BUSHING Weld On |
| 28 | Артикул: 6558991, BUSHING Weld On |
| 29 | Артикул: 6703363, BUSHING Weld On - Also Order Ref. 9 - Was 6576350 - A |
| 30 | Артикул: 6704436, PAD rubber - self adhesive |
| 31 | Артикул: 17C620, BOLT |
| 32 | Артикул: 6651709, SEAL |
| 33 | Артикул: 6700463, CUP, SEAL |
| 34 | Артикул: 6705090, LIFT ARM STOP assy. - Was 6700616 - A |
| 35 | Артикул: 6714810, PIN retainer - Was 6700525 - A |
| 36 | Артикул: 6519178, BUMPER |
| 37 | Артикул: 6579072, SPRING |
| 38 | Артикул: 17C660, BOLT Was 17C000656B |
| 39 | Артикул: 6700533, SPACER |
| 40 | Артикул: 61D6, NUT 5 |
| 41 | Артикул: 6705091, TAB Weld On |
| 42 | Артикул: ARM, ARM NLA - R.H. - weld on - Was 6578837 - A |
| 43 | Артикул: ARM, ARM NLA - L.H. - weld on - Was 6578838 - A |
| 44 | Артикул: BRACKET, BRACKET See Illustration HIGH HORSEPOWER HYDRAULICS/ E2094 See Illustration AUXILIARY HYDRAULICS/ TS1010 |
| 45 | Артикул: BOLT, BOLT See Illustration HIGH HORSEPOWER HYDRAULICS/ E2094 See Illustration AUXILIARY HYDRAULICS/ TS1010 |
| 46 | Артикул: 6717666, BUSHING, WELD-ON weld-on - W/tapered hole - 38,1 mm (1.50--) - 63,5 mm (2.5--) long - Also Order Ref. 5 (31C1272 bolt) |
ПОДЪЕМНАЯ РУКОЯТЬ И BOB-TACH: Техника, которая работает на результат
ПОДЪЕМНАЯ РУКОЯТЬ И BOB-TACH на Bobcat 800s Bobcat 853 508411001 - 508414999, 509711001 - 509714999Габаритные размеры
Нажмите на схему для увеличения
Документация
Документация временно недоступна.
Похожая техника в категории: РАМА (Bobcat)
СИДЕНИЕ
1Артикул: 666565...
2Артикул: 666913...
3Артикул: 667016...
Подробнее >
СИДЕНИЕ И ОПОРА СИДЕНЬЯ
1Артикул: SEAT, ...
2Артикул: SEAT, ...
3Артикул: SEAT, ...
Подробнее >
ТОПЛИВНАЯ СИСТЕМА
1Артикул: 670852...
2Артикул: 712088...
3Артикул: 42H32,...
Подробнее >
BOB-TACH
1Артикул: 657798...
2Артикул: 17C644...
3Артикул: 17C660...
Подробнее >
ЗАДНЯЯ ДВЕРЬ
1Артикул: 670386...
2Артикул: 670379...
3Артикул: 670436...
Подробнее >
КАБИНА ОПЕРАТОРА
1Артикул: 670195...
2Артикул: 670656...
3Артикул: 670868...
Подробнее >
ПАНЕЛИ
1Артикул: 671848...
2Артикул: 670134...
3Артикул: 670747...
Подробнее >