КОМПЛЕКТ ДЕТАЛЕЙ PEDESTAL в Алматы
×
Характеристики и описание
Габариты, схема
Техническая документация
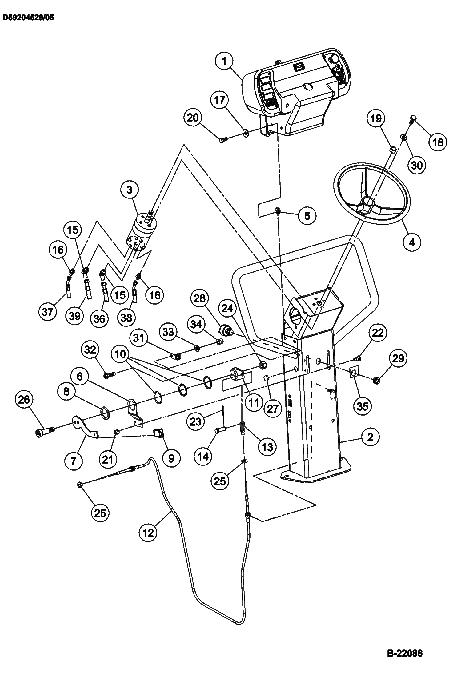
| 1 | Артикул: CONSOLE, CONSOLE ASSEMBLY See Illustration INSTRUMENT PANEL/ B22088 |
| 2 | Артикул: IR13316302, PEDESTAL |
| 3 | Артикул: IR59295675, PEDESTAL Was IR59211896 - A |
| 4 | Артикул: IR59295675, PEDESTAL off set option |
| 5 | Артикул: IR13316310, STEERING orbital |
| 6 | Артикул: IR59184689, ORBITAL steering |
| 7 | Артикул: IR13335658, KIT seal |
| 8 | Артикул: IR59184689, ORBITAL steering - off-set option |
| 9 | Артикул: IR13335658, KIT seal |
| 10 | Артикул: IR59213405, Steering Wheel |
| 11 | Артикул: IR59214650, U-nut |
| 12 | Артикул: IR59275495, MOUNT throttle - Was IR59225078 - A |
| 13 | Артикул: IR59219279, THROTTLE LEVER |
| 14 | Артикул: IR59219253, WASHER |
| 15 | Артикул: IR59219246, GRIP |
| 16 | Артикул: IR59219261, WASHER |
| 17 | Артикул: IR59219287, THROTTLE LEVER |
| 18 | Артикул: IR58848516, THROTTLE CABLE |
| 19 | Артикул: IR59901306, CLEVIS |
| 20 | Артикул: IR59726034, CLEVIS PIN |
| 21 | Артикул: IR95866687, ADAPTER |
| 22 | Артикул: IR95371258, ADAPTER |
| 23 | Артикул: IR96740204, washer |
| 24 | Артикул: IR96701958, BOLT |
| 25 | Артикул: IR96702279, BOLT |
| 26 | Артикул: IR96702279, BOLT off-set option |
| 27 | Артикул: IR96726872, NUT |
| 28 | Артикул: IR96702824, BOLT |
| 29 | Артикул: IR96704580, LOCKNUT |
| 30 | Артикул: IR59148569, BOLT |
| 31 | Артикул: IR95924023, COTTER PIN |
| 32 | Артикул: IR95923314, LOCKNUT |
| 33 | Артикул: IR95923124, NUT |
| 34 | Артикул: IR95326609, SCREW |
| 35 | Артикул: IR59992677, PLASTIC PLUG Was IR59228338 - A |
| 36 | Артикул: IR13305180, IGNITION SWITCH W/pigtail harness |
| 37 | Артикул: IR58917261, Ignition Key |
| 38 | Артикул: IR13284690, IR KEY TAG |
| 39 | Артикул: IR54461090, IGNITION SWITCH W/O pigtail harness |
| 40 | Артикул: IR58917261, Ignition Key |
| 41 | Артикул: IR13284690, IR KEY TAG |
| 42 | Артикул: IR54461090, IGNITION SWITCH off-set option |
| 43 | Артикул: IR58917261, Ignition Key |
| 44 | Артикул: IR13284690, IR KEY TAG |
| 45 | Артикул: IR59126961, Nut ignition switch |
| 46 | Артикул: IR96714308, WASHER Was IR96741046 - A |
| 47 | Артикул: IR54479886, CONDUIT CLAMP |
| 48 | Артикул: IR59148684, BOLT |
| 49 | Артикул: IR96741053, WASHER |
| 50 | Артикул: IR96702873, LOCKNUT |
| 51 | Артикул: IR59243584, IGNITION PLATE |
| 52 | Артикул: IR54462387, HOSE 62.5-- |
| 53 | Артикул: IR13267661, HOSE off-set option only - 65.5-- |
| 54 | Артикул: IR59219469, HOSE 35.5-- |
| 55 | Артикул: IR59219477, HOSE 39-- |
| 56 | Артикул: IR59219485, HOSE 55.5-- |
| 57 | Артикул: IR13267679, HOSE off set option only - 58.5-- |
КОМПЛЕКТ ДЕТАЛЕЙ PEDESTAL: Техника, которая работает на результат
КОМПЛЕКТ ДЕТАЛЕЙ PEDESTAL на тандемный каток Bobcat BCA14 491711050 И ВЫШЕ – купить по доступной цене в интернет-магазине «Ремзона»Габаритные размеры
Документация
Документация временно недоступна.