ПАНЕЛЬ ИЗМЕРИТЕЛЬНЫХ ПРИБОРОВ в Алматы
×
Характеристики и описание
Габариты, схема
Техническая документация
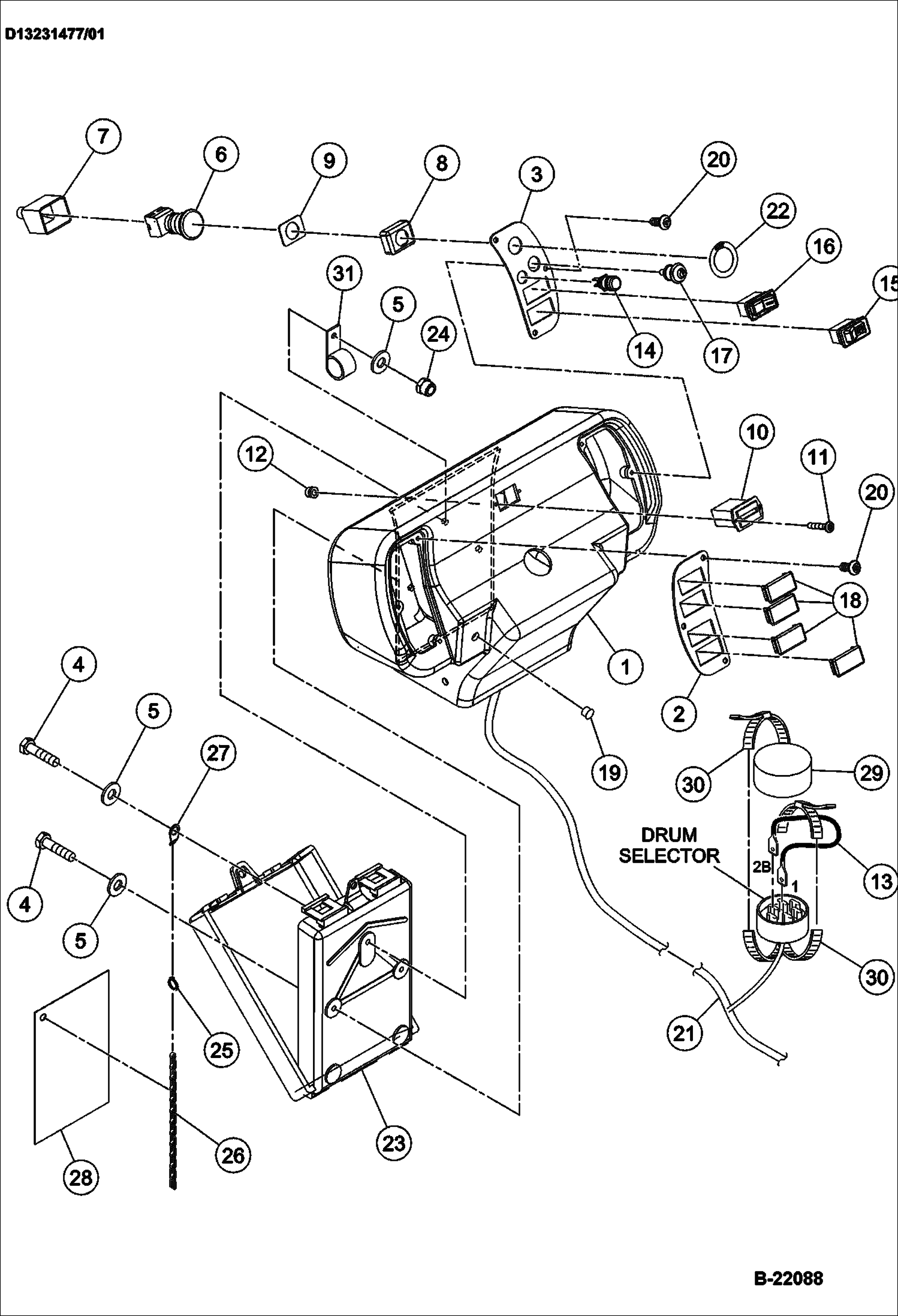
| 1 | Артикул: IR59295683, Panel instrument - Was IR59212308 - A |
| 2 | Артикул: IR59184069, Switch Panel L.H. |
| 3 | Артикул: IR59184127, Panel emergency |
| 4 | Артикул: IR96714258, SCREW Was IR96701451 - A |
| 5 | Артикул: IR95922324, WASHER |
| 6 | Артикул: STOP, STOP SWITCH NLA - Emergency Stop - Order IR43910579 (switch) & IR43910587 (washer) - Was IR59111450 - A |
| 7 | Артикул: IR58917543, BULB emergency stop switch |
| 8 | Артикул: IR59108605, Dust Boot bottom |
| 9 | Артикул: IR59108100, Dust Boot top |
| 10 | Артикул: IR59109116, WASHER |
| 11 | Артикул: IR13305198, HOURMETER |
| 12 | Артикул: IR59165001, HOURMETER |
| 13 | Артикул: IR59165001, HOURMETER off-set option |
| 14 | Артикул: IR59229492, BOLT |
| 15 | Артикул: IR59137448, LOCKNUT |
| 16 | Артикул: IR13229240, HARNESS wire jumper |
| 17 | Артикул: IR58771668, SWITCH push button |
| 18 | Артикул: IR13305420, SWITCH, PARK BRAKE |
| 19 | Артикул: IR59214734, Switch parking brake |
| 20 | Артикул: IR13305420, SWITCH, PARK BRAKE off-set option |
| 21 | Артикул: IR59214742, Switch brake test |
| 22 | Артикул: IR59214726, Indicator warning |
| 23 | Артикул: IR58835398, SWITCH plug |
| 24 | Артикул: IR59813279, BUTTON PLUG |
| 25 | Артикул: IR59148569, BOLT |
| 26 | Артикул: IR13305263, HARNESS console |
| 27 | Артикул: IR13229646, HARNESS console - Was IR59219295 - A |
| 28 | Артикул: IR13229646, HARNESS console - offset option |
| 29 | Артикул: IR59239897, Decal stop |
| 30 | Артикул: IR59185074, Manual Case Was IR59496182 - A |
| 31 | Артикул: IR96704598, LOCKNUT Was IR54468509 - A |
| 32 | Артикул: IR58880303, Split Ring |
| 33 | Артикул: IR58880311, CHAIN Was IR58874389 - A |
| 34 | Артикул: IR58874397, RETAINING RING |
| 35 | Артикул: IR59260943, MANUAL safety label |
| 36 | Артикул: IR13232301, COVER cap |
| 37 | Артикул: IR95373973, TIE STRAP |
| 38 | Артикул: IR54479886, CONDUIT CLAMP |
ПАНЕЛЬ ИЗМЕРИТЕЛЬНЫХ ПРИБОРОВ: Техника, которая работает на результат
ПАНЕЛЬ ИЗМЕРИТЕЛЬНЫХ ПРИБОРОВ на тандемный каток Bobcat BCA14 491711050 И ВЫШЕ – купить по доступной цене в интернет-магазине «Ремзона»Габаритные размеры
Документация
Документация временно недоступна.