+7 (701) 588 50 05 Телефон для связи
RU

WhatsApp

Позвонить

СИДЕНЬЕ В СБОРЕ в Алматы

Техника доступна в:
Полный спектр услуг:
Сервис
Офисы продаж
Гарантия
Для Вашего удобства:
Запчасти
Доставка
Характеристики и описание
Габариты, схема
Техническая документация
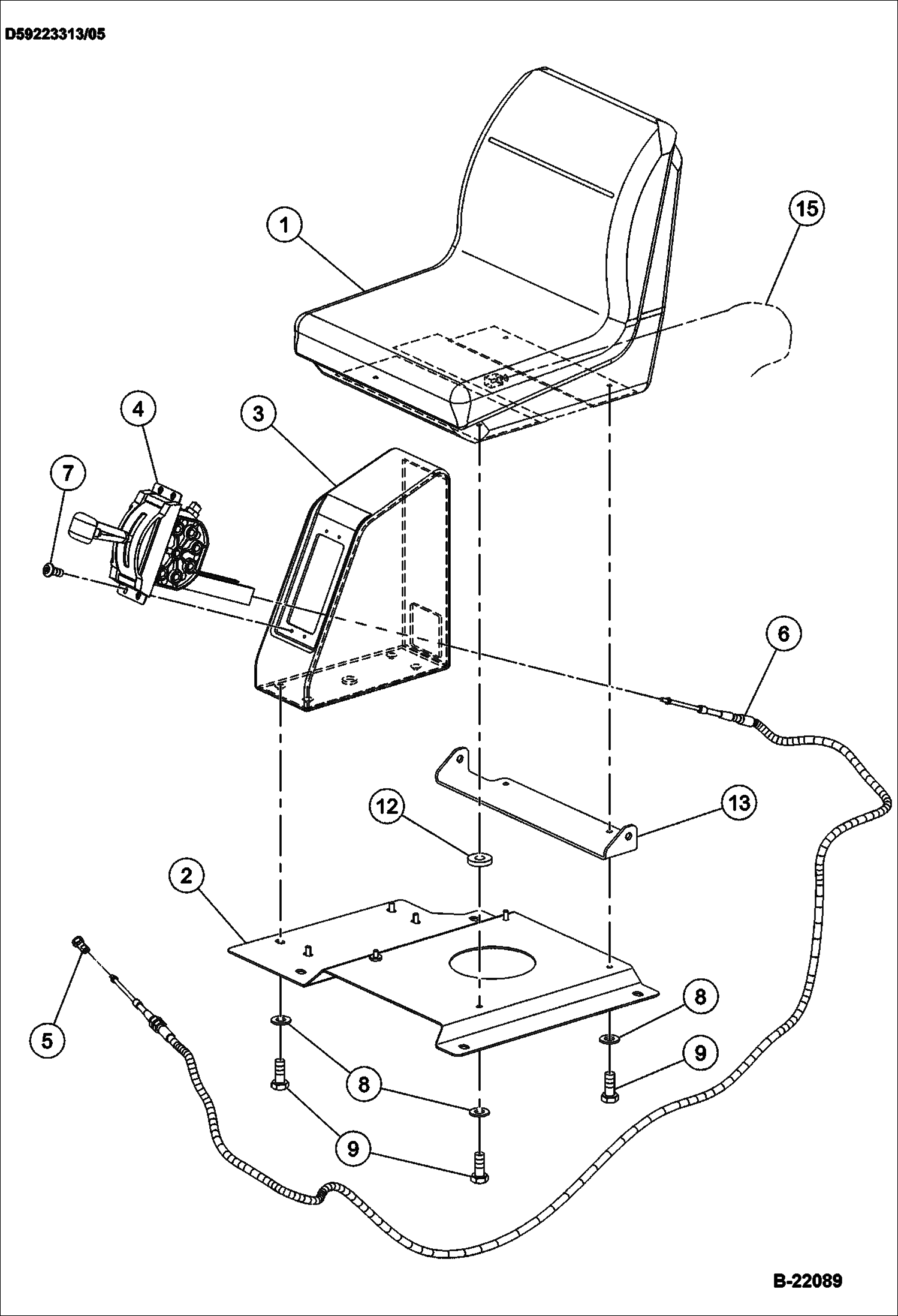
1 Артикул: SEAT, SEAT NLA - Was IR13198221 - A
2 Артикул: IR59142174, SEAT SWITCH shut-off kit
3 Артикул: IR59266932, Seat Plate
4 Артикул: IR59257121, F-S-R HOUSING
5 Артикул: IR13316377, CONTROL See Illustration F-STOP-R CONTROL/ B22132 F-STOP-R - Was IR59257790 - A
6 Артикул: IR59463786, BALL JOINT
7 Артикул: IR59214312, F-S-R CABLE
8 Артикул: IR13198015, BOLT
9 Артикул: IR96712898, WASHER Was IR96741038 - A
10 Артикул: IR96702824, BOLT
11 Артикул: IR96712674, Washer
12 Артикул: IR59266858, Bracket seat belt
13 Артикул: IR59093203, Harness seat switch

СИДЕНЬЕ В СБОРЕ: Техника, которая работает на результат

СИДЕНЬЕ В СБОРЕ на тандемный каток Bobcat BCA14 491711050 И ВЫШЕ – купить по доступной цене в интернет-магазине «Ремзона»

Габаритные размеры

Схема СИДЕНЬЕ В СБОРЕ

Документация

Документация временно недоступна.