+7 (701) 588 50 05 Телефон для связи
RU

WhatsApp

Позвонить

ПОДАЧА ТОПЛИВА — Продажа в Казахстане Цены от официального дилера с доставкой в Алматы, Астану и регионы

Техника доступна в:
Полный спектр услуг:
Для Вашего удобства:
Характеристики и описание
Габариты, схема
Техническая документация
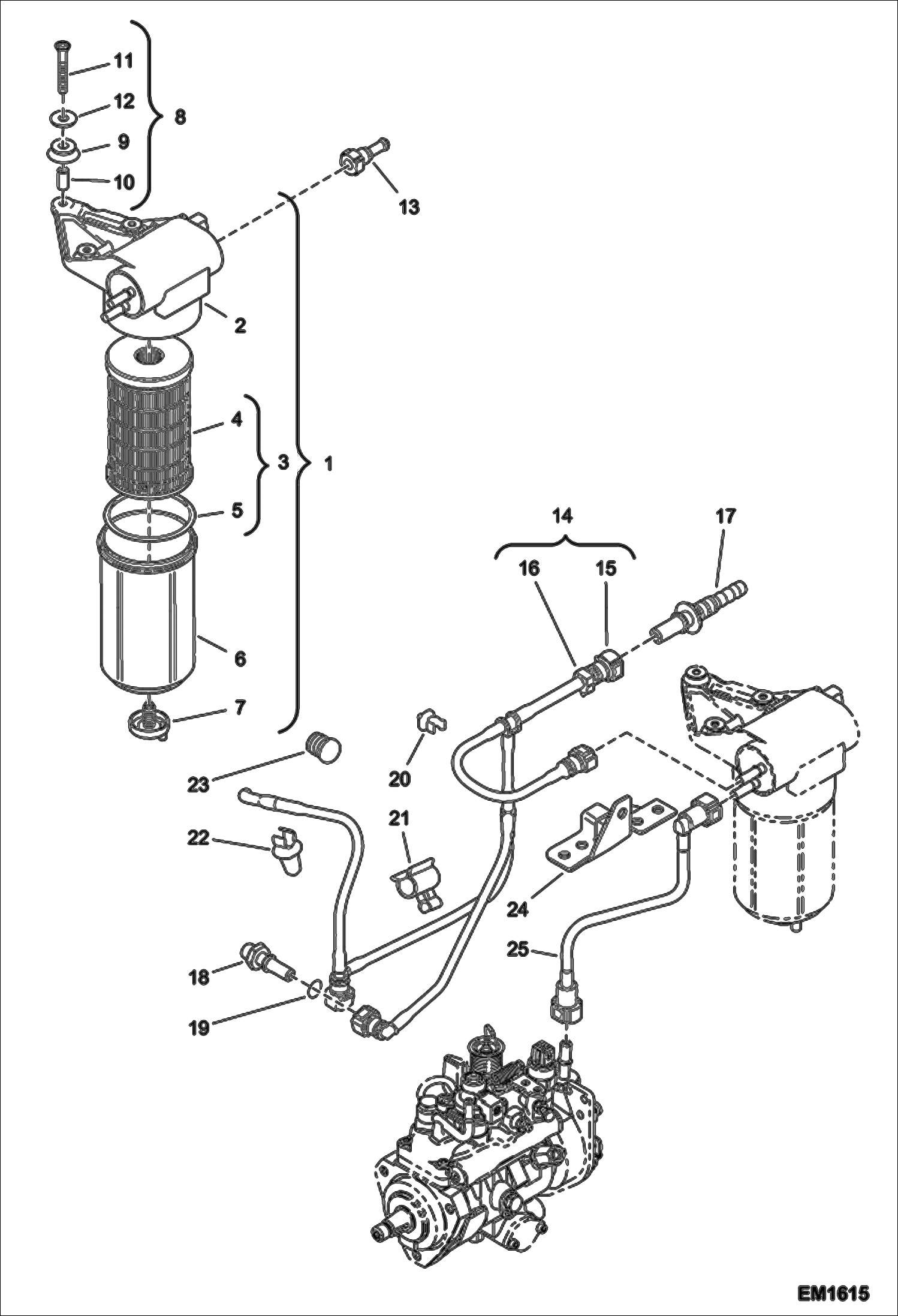
1 Артикул: 6912158, PUMP, LIFT W/Ref. 2-7
2 Артикул: PUMP,, PUMP, LIFT NAP - Order Ref. 1
3 Артикул: 6911907, FUEL FILTER ELEMENT KIT W/ O-ring - W/Ref. 4-5
4 Артикул: ELEMENT,, ELEMENT, FILTER NAP - Order Ref. 3
5 Артикул: O-RING, O-RING NAP - Order Ref. 3
6 Артикул: 6924330, BOWL
7 Артикул: 6924345, DRAIN PLUG
8 Артикул: 6924909, MOUNTING W/Ref. 9-12
9 Артикул: MOUNTING, MOUNTING NAP - Order Ref. 8
10 Артикул: SPACER, SPACER NAP - Order Ref. 8
11 Артикул: 6924934, SCREW
12 Артикул: 6911863, WASHER
13 Артикул: 6911991, CONNECTION
14 Артикул: 6924920, PIPE - INJ PUMP TO FILTER W/Ref. 15-16
15 Артикул: PIPE, PIPE NAP - Order Ref. 14
16 Артикул: 6924338, CLIP
17 Артикул: 6912039, CONNECTION
18 Артикул: 6924341, CONNECTION
19 Артикул: 6911883, O RING Was 7017259 - A
20 Артикул: 6911890, CLIP
21 Артикул: 6924921, PIPE CLIP
22 Артикул: 6924922, PIPE CLIP
23 Артикул: 6924927, PLUG
24 Артикул: 6924332, BRACKET
25 Артикул: 6911902, FUEL FEED PIPE

ПОДАЧА ТОПЛИВА: Техника, которая работает на результат

ПОДАЧА ТОПЛИВА на телескопический погрузчик Bobcat T3571 A8H611001 И ВЫШЕ, A8HF11001 И ВЫШЕ

Габаритные размеры

Габаритные размеры и схема ПОДАЧА ТОПЛИВА

Нажмите на схему для увеличения

Документация

Документация временно недоступна.

Похожая техника в категории: ЗАПЧАСТИ ДВИГАТЕЛЯ (Bobcat)

Спецтехника МАХОВИК И ПРИВОДНОЙ ШКИВ

МАХОВИК И ПРИВОДНОЙ ШКИВ

1Артикул: 702245...
2Артикул: FLYWHE...
3Артикул: 651577...
Подробнее >
Спецтехника ОСЬ КЛАПАННОГО КОРОМЫСЛА

ОСЬ КЛАПАННОГО КОРОМЫСЛА

1Артикул: 692493...
2Артикул: 691200...
3Артикул: SPINDL...
Подробнее >
Спецтехника МАСЛЯНЫЙ РАДИАТОР И ФИЛЬТР

МАСЛЯНЫЙ РАДИАТОР И ФИЛЬТР

1Артикул: 692491...
2Артикул: 691189...
3Артикул: 691197...
Подробнее >
Спецтехника ГЕНЕРАТОР

ГЕНЕРАТОР

1Артикул: 691137...
2Артикул: 727042...
3Артикул: 57506....
Подробнее >
Спецтехника ШЕСТЕРНЯ РАСПРЕДЕЛИТЕЛЬНОГО ВАЛА

ШЕСТЕРНЯ РАСПРЕДЕЛИТЕЛЬНОГО ВАЛА

1Артикул: 692494...
2Артикул: 692490...
3Артикул: 692434...
Подробнее >
Спецтехника СХЕМА ВЕНТИЛЯТОРА ОХЛАЖДЕНИЯ (БЕЗ ДОПОЛНИТЕЛЬНОЙ ПЕРЕДАЧИ ЗАДНЕГО ХОДА - БЕЗ ВЫРАВНИВАНИЯ РАМЫ) (1 СКОРОСТЬ)

СХЕМА ВЕНТИЛЯТОРА ОХЛАЖДЕНИЯ (БЕЗ ДОПОЛНИТЕЛЬНОЙ ПЕРЕДАЧИ ЗАДНЕГО ХОДА - БЕЗ ВЫРАВНИВАНИЯ РАМЫ) (1 СКОРОСТЬ)

1Артикул: 1CM816...
2Артикул: 010370...
3Артикул: 89519....
Подробнее >
Спецтехника ФИЛЬТР ПРЕДВАРИТЕЛЬНОЙ ОЧИСТКИ ТОПЛИВА

ФИЛЬТР ПРЕДВАРИТЕЛЬНОЙ ОЧИСТКИ ТОПЛИВА

1Артикул: 1CM820...
2Артикул: 4CM103...
3Артикул: 01697....
Подробнее >
Спецтехника ОБОРУДОВАНИЕ СИСТЕМЫ ВПРЫСКА ТОПЛИВА

ОБОРУДОВАНИЕ СИСТЕМЫ ВПРЫСКА ТОПЛИВА

1Артикул: 692434...
2Артикул: PUMP,,...
3Артикул: 702246...
Подробнее >
Спецтехника УСТАНОВКА ГОЛОВКИ ЦИЛИНДРА

УСТАНОВКА ГОЛОВКИ ЦИЛИНДРА

1Артикул: 701058...
2Артикул: 691196...
3Артикул: 691193...
Подробнее >
Спецтехника ГОЛОВКА ЦИЛИНДРА В СБОРЕ

ГОЛОВКА ЦИЛИНДРА В СБОРЕ

1Артикул: 701058...
2Артикул: CYLIND...
3Артикул: 692494...
Подробнее >
Спецтехника УСТАНОВКА ДВИГАТЕЛЯ

УСТАНОВКА ДВИГАТЕЛЯ

1Артикул: 000345...
2Артикул: 00350-...
3Артикул: 000350...
Подробнее >
Спецтехника ВОДЯНАЯ ПОМПА И ТЕРМОСТАТ

ВОДЯНАЯ ПОМПА И ТЕРМОСТАТ

1Артикул: 701233...
2Артикул: PUMP,,...
3Артикул: COVER,...
Подробнее >