+7 (701) 588 50 05 Телефон для связи
RU

WhatsApp

Позвонить

РЫЧАГ ОСТАНОВА ДВИГАТЕЛЯ В СБОРЕ (СЕРИЙНЫЙ НОМЕР A59C11001 И ВЫШЕ) — Продажа в Казахстане Цены от официального дилера с доставкой в Алматы, Астану и регионы

Техника доступна в:
Полный спектр услуг:
Для Вашего удобства:
Характеристики и описание
Габариты, схема
Техническая документация
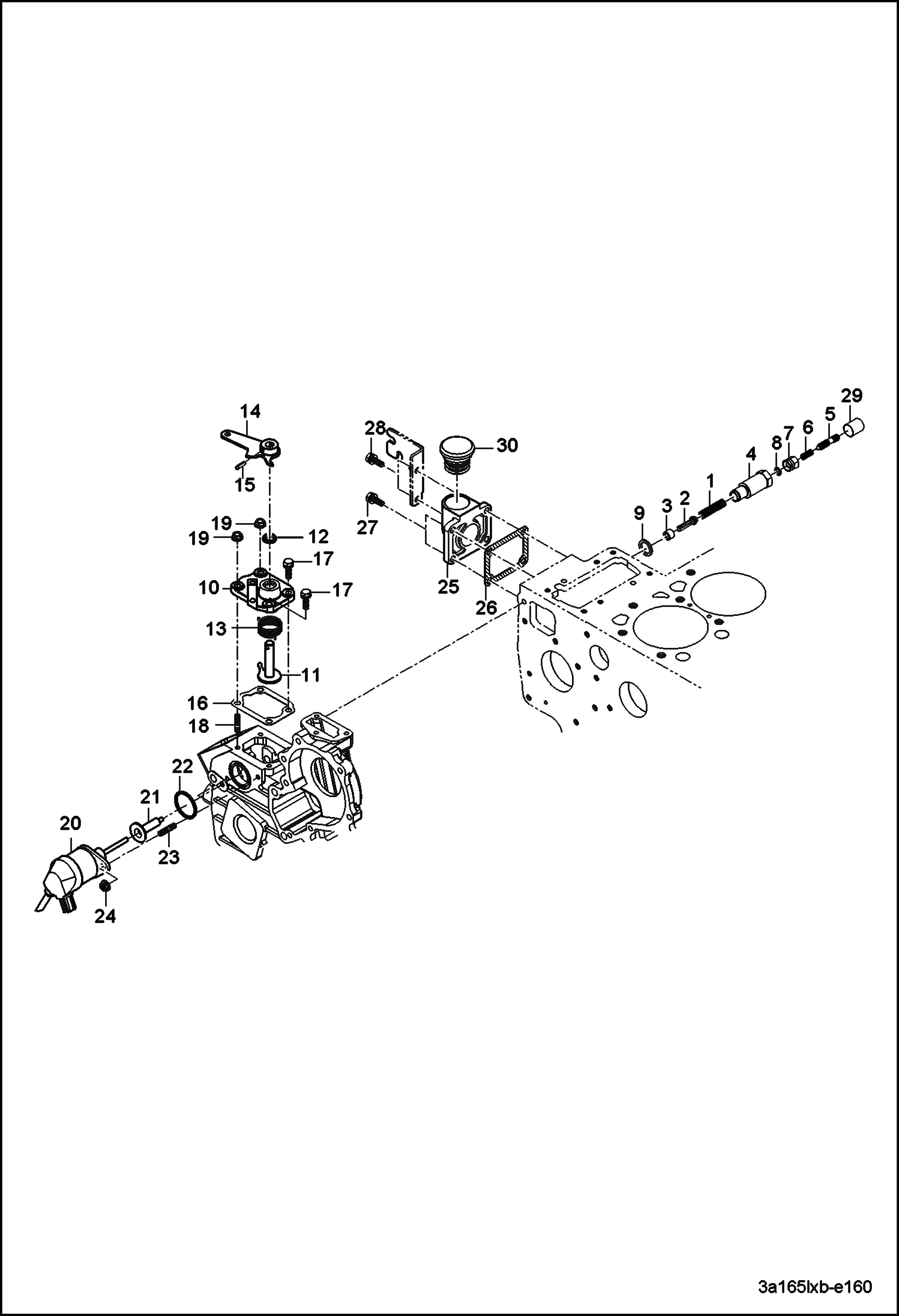
1 Артикул: 6696733, SPRING
2 Артикул: 6696623, SHAFT, IDLE ADJUST
3 Артикул: 6697120, BUSHING
4 Артикул: 6697382, HOUSING, IDLE ADJUST
5 Артикул: 6696143, BOLT IDLE ADJUSTING
6 Артикул: 6696729, SPRING
7 Артикул: 6696250, NUT
8 Артикул: 6696265, O-RING
9 Артикул: 6684818, SEAL Was 6694130 - A
10 Артикул: 6696440, PLATE SPEED CONTROL
11 Артикул: 6697409, LEVER ENGINE STOP
12 Артикул: 6694333, OIL SEAL
13 Артикул: 6696734, SPRING
14 Артикул: 6696769, LEVER, STOP ENG
15 Артикул: 6694193, PIN SPRING
16 Артикул: 6697263, GASKET, SPEED CONTROL
17 Артикул: 6693946, BOLT Was 6693945 - B
18 Артикул: 6694316, STUD
19 Артикул: 6684827, NUT Was 6696243 - A
20 Артикул: 6696694, SOLENOID, SHUTOFF FUEL 2 prong connector
21 Артикул: 7002157, SOLENOID, ENG STOP 3 prong connector - Was 6697653 - A
22 Артикул: 7250062, GUIDE, ENG STOP SOLENOID Was 7010228 - A
23 Артикул: 6685465, O-RING Was 6696280 - A
24 Артикул: 6695539, STUD
25 Артикул: 6684827, NUT Was 6696243 - A
26 Артикул: 6697465, FLANGE, OIL INLET
27 Артикул: 6697241, GASKET
28 Артикул: 6652580, BOLT Was 6693945 - A
29 Артикул: 6653584, BOLT Was 6695486 - A
30 Артикул: 6694536, CAP security
31 Артикул: 6696458, PLUG, OIL press in
32 Артикул: 6694597, PLUG, FILL threaded

РЫЧАГ ОСТАНОВА ДВИГАТЕЛЯ В СБОРЕ (СЕРИЙНЫЙ НОМЕР A59C11001 И ВЫШЕ): Техника, которая работает на результат

РЫЧАГ ОСТАНОВА ДВИГАТЕЛЯ В СБОРЕ (СЕРИЙНЫЙ НОМЕР A59C11001 И ВЫШЕ) на мини-трактор Bobcat CT230 A59C11001 И ВЫШЕ, ABFP11001 И ВЫШЕ

Габаритные размеры

Габаритные размеры и схема РЫЧАГ ОСТАНОВА ДВИГАТЕЛЯ В СБОРЕ (СЕРИЙНЫЙ НОМЕР A59C11001 И ВЫШЕ)

Нажмите на схему для увеличения

Документация

Документация временно недоступна.

Похожая техника в категории: ЗАПЧАСТИ ДВИГАТЕЛЯ (Bobcat)

Спецтехника КОМПЛЕКТ ОСНОВНОГО КОРПУСА ПОДШИПНИКА

КОМПЛЕКТ ОСНОВНОГО КОРПУСА ПОДШИПНИКА

1Артикул: 669538...
2Артикул: 669556...
3Артикул: 669595...
Подробнее >
Спецтехника ПОДДОН КАРТЕРА В СБОРЕ

ПОДДОН КАРТЕРА В СБОРЕ

1Артикул: 701267...
2Артикул: 669727...
3Артикул: 669707...
Подробнее >
Спецтехника ГЛУШИТЕЛЬ В СБОРЕ

ГЛУШИТЕЛЬ В СБОРЕ

1Артикул: 712104...
2Артикул: 669725...
3Артикул: 669705...
Подробнее >
Спецтехника КАРТЕР КОРОБКИ ПЕРЕДАЧ В СБОРЕ

КАРТЕР КОРОБКИ ПЕРЕДАЧ В СБОРЕ

1Артикул: 700022...
2Артикул: 700022...
3Артикул: 669475...
Подробнее >
Спецтехника ВОЗДУХООЧИСТИТЕЛЬ В СБОРЕ

ВОЗДУХООЧИСТИТЕЛЬ В СБОРЕ

1Артикул: 700198...
2Артикул: 669535...
3Артикул: 666633...
Подробнее >
Спецтехника БЛОК ЦИЛИНДРОВ В СБОРЕ

БЛОК ЦИЛИНДРОВ В СБОРЕ

1Артикул: 700112...
2Артикул: 700112...
3Артикул: 669475...
Подробнее >
Спецтехника ПОРШЕНЬ И ГРУППА КОЛЕНЧАТОГО ВАЛА (СЕРИЙНЫЙ НОМЕР ABFP11001 И ВЫШЕ)

ПОРШЕНЬ И ГРУППА КОЛЕНЧАТОГО ВАЛА (СЕРИЙНЫЙ НОМЕР ABFP11001 И ВЫШЕ)

1Артикул: 700028...
2Артикул: PISTON...
3Артикул: PIN, P...
Подробнее >
Спецтехника ПОРШЕНЬ И ГРУППА КОЛЕНЧАТОГО ВАЛА (СЕРИЙНЫЙ НОМЕР A59C11001 И ВЫШЕ)

ПОРШЕНЬ И ГРУППА КОЛЕНЧАТОГО ВАЛА (СЕРИЙНЫЙ НОМЕР A59C11001 И ВЫШЕ)

1Артикул: 669542...
2Артикул: PISTON...
3Артикул: PIN, P...
Подробнее >
Спецтехника РАДИАТОР В СБОРЕ (СЕРИЙНЫЙ НОМЕР ABFP11001 И ВЫШЕ)

РАДИАТОР В СБОРЕ (СЕРИЙНЫЙ НОМЕР ABFP11001 И ВЫШЕ)

1Артикул: 700025...
2Артикул: 700233...
3Артикул: 700024...
Подробнее >
Спецтехника РАДИАТОР В СБОРЕ (СЕРИЙНЫЙ НОМЕР A59C11001 И ВЫШЕ)

РАДИАТОР В СБОРЕ (СЕРИЙНЫЙ НОМЕР A59C11001 И ВЫШЕ)

1Артикул: 669538...
2Артикул: 669720...
3Артикул: 669667...
Подробнее >
Спецтехника ФРИКЦИОН В СБОРЕ

ФРИКЦИОН В СБОРЕ

1Артикул: 669751...
2Артикул: 669533...
3Артикул: 669559...
Подробнее >
Спецтехника ДРОССЕЛЬНАЯ ЗАСЛОНКА В СБОРЕ

ДРОССЕЛЬНАЯ ЗАСЛОНКА В СБОРЕ

1Артикул: 669740...
2Артикул: 669620...
3Артикул: 669751...
Подробнее >