+7 (701) 588 50 05 Телефон для связи
RU

WhatsApp

Позвонить

СХЕМА ГИДРАВЛИЧЕСКОЙ СИСТЕМЫ (С БАКА В НАСОС В КЛАПАН) — Продажа в Казахстане Цены от официального дилера с доставкой в Алматы, Астану и регионы

Техника доступна в:
Полный спектр услуг:
Для Вашего удобства:
Характеристики и описание
Габариты, схема
Техническая документация
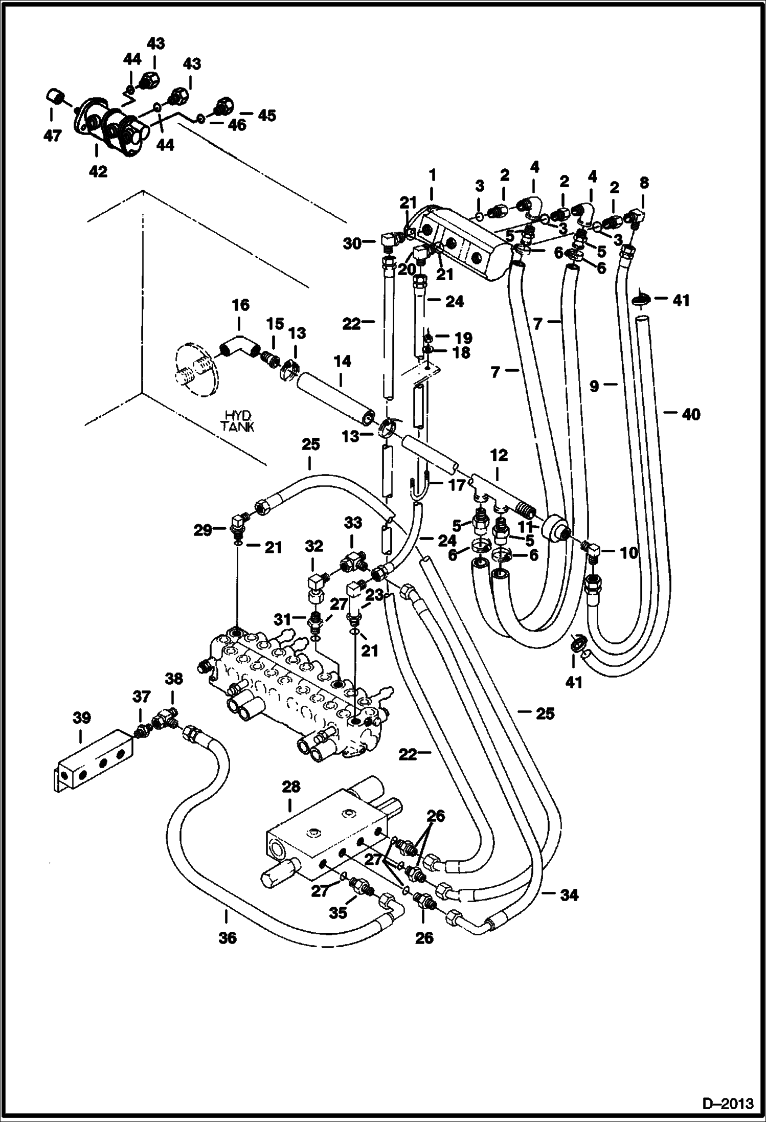
1 Артикул: 6655395, PUMP See Illustration GEAR PUMP/ B13031 See BTIE-021 KAYABA
2 Артикул: 6535585, ADAPTER NLA - W/Ref. 3 - Kayaba pump only - Was 6535585 - A
3 Артикул: 79K12, O RING 10
4 Артикул: 6535124, ELBOW NLA - Was 6535124 - A
5 Артикул: 6535586, FITTING NLA - Was 6535586 - A
6 Артикул: 42H12, CLAMP 10
7 Артикул: 6536070, HOSE
8 Артикул: 6535123, ELBOW NLA - Was 6535123 - A
9 Артикул: HOSE, HOSE NLA - Was 6534282 - A
10 Артикул: 6535592, ELBOW NLA - Was 6535592 - A
11 Артикул: 6535591, ADAPTER NLA - Was 6535591 - A
12 Артикул: PIPE, PIPE NLA - Suction - Was 6536099 - A
13 Артикул: 42H24, CLAMP-5
14 Артикул: HOSE, HOSE NLA - Was 6534298 - A
15 Артикул: 6535388, FITTING NLA - Was 6535388 - A
16 Артикул: 6535601, ELBOW NLA - Was 6535601 - A
17 Артикул: 6535649, U-BOLT
18 Артикул: 15EM100, WASHER
19 Артикул: 1DM10, NUT
20 Артикул: ELBOW, ELBOW NLA - W/Ref. 21 - Was 6535114 - A
21 Артикул: 79K10, O RING 10
22 Артикул: 6586027, HOSE
23 Артикул: 6535577, ELBOW NLA - W/Ref. 21 - Was 6535577 - A
24 Артикул: 6655106, HOSE
25 Артикул: 6533248, HOSE
26 Артикул: 731793, CONNECTR W/Ref. 27
27 Артикул: 79K8, O RING 10
28 Артикул: 6657013, VALVE See Illustration SOLENOID VALVE/ C3245 SOLENOID - WAS 6655675 - A
29 Артикул: 6519195, ELBOW W/Ref. 21
30 Артикул: 17K7, ELBOW W/Ref. 21
31 Артикул: 731793, CONNECTR See Illustration HYDRAULIC CIRCUITRY/ C3191 W/Ref. 27
32 Артикул: 11K7, ADAPTER See Illustration HYDRAULIC CIRCUITRY/ C3191
33 Артикул: 13K7, FITTING See Illustration HYDRAULIC CIRCUITRY/ C3191
34 Артикул: 6536128, HOSE
35 Артикул: 743108, FITTING
36 Артикул: 6536129, HOSE
37 Артикул: 6655790, ADAPTER See Illustration HYDRAULIC CIRCUITRY/ D2014
38 Артикул: 13K5, TEE See Illustration HYDRAULIC CIRCUITRY/ D2014
39 Артикул: 6535385, MANIFOLD See Illustration HYDRAULIC CIRCUITRY/ D2014 NLA - joystick controllers - Was 6535385 - A
40 Артикул: 6656155, HOSE COVER bulk - sold per foot - 1.25-- (31,8mm) ID
41 Артикул: 6610510, TIE
42 Артикул: 6651109, PUMP See Illustration TRIPLE GEAR PUMP/ B18651 EATON
43 Артикул: 6587016, ADAPTER W/Ref. 44
44 Артикул: 79K20, O RING 10 Eaton Pump Only
45 Артикул: 6587018, ADAPTER W/Ref. 46
46 Артикул: 79K16, O RING 10 Eaton Pump Only
47 Артикул: COUPLING, COUPLING See Illustration MUFFLER & POWER TAKE OFF/ D2011

СХЕМА ГИДРАВЛИЧЕСКОЙ СИСТЕМЫ (С БАКА В НАСОС В КЛАПАН): Техника, которая работает на результат

СХЕМА ГИДРАВЛИЧЕСКОЙ СИСТЕМЫ (С БАКА В НАСОС В КЛАПАН) на мини-экскаватор Bobcat 231 508911001 - 508911999

Габаритные размеры

Габаритные размеры и схема СХЕМА ГИДРАВЛИЧЕСКОЙ СИСТЕМЫ (С БАКА В НАСОС В КЛАПАН)

Нажмите на схему для увеличения

Документация

Документация временно недоступна.

Похожая техника в категории: ГИДРАВЛИЧЕСКАЯ СИСТЕМА (Bobcat)

Спецтехника ЦИЛИНДР РУКОЯТИ

ЦИЛИНДР РУКОЯТИ

1Артикул: CYLIND...
2Артикул: CASE, ...
3Артикул: ROD, R...
Подробнее >
Спецтехника ЛЕВОСТОРОННИЙ ДЖОЙСТИК УПРАВЛЕНИЯ

ЛЕВОСТОРОННИЙ ДЖОЙСТИК УПРАВЛЕНИЯ

1Артикул: 665411...
2Артикул: HOUSIN...
3Артикул: 665528...
Подробнее >
Спецтехника СЕКЦИЯ РАСПРЕДЕЛИТЕЛЯ (ВСПОМОГАТЕЛЬНОЕ УСТРОЙСТВО)

СЕКЦИЯ РАСПРЕДЕЛИТЕЛЯ (ВСПОМОГАТЕЛЬНОЕ УСТРОЙСТВО)

1Артикул: 665311...
2Артикул: HOUSIN...
3Артикул: 663096...
Подробнее >
Спецтехника ПОВОРОТНОЕ СОЕДИНЕНИЕ

ПОВОРОТНОЕ СОЕДИНЕНИЕ

1Артикул: 712386...
2Артикул: 712386...
3Артикул: 666490...
Подробнее >
Спецтехника ГИДРАВЛИЧЕСКИЙ БАК И ФИЛЬТР

ГИДРАВЛИЧЕСКИЙ БАК И ФИЛЬТР

1Артикул: TANK, ...
2Артикул: 653514...
3Артикул: O-RING...
Подробнее >
Спецтехника СХЕМА ГИДРАВЛИЧЕСКОЙ СИСТЕМЫ (РУКОЯТЬ И СТРЕЛА)

СХЕМА ГИДРАВЛИЧЕСКОЙ СИСТЕМЫ (РУКОЯТЬ И СТРЕЛА)

1Артикул: 653557...
2Артикул: 79K8, ...
3Артикул: 653558...
Подробнее >
Спецтехника СХЕМА ГИДРАВЛИЧЕСКОЙ СИСТЕМЫ (ОТ КЛАПАНА В ЦИЛИНДР ОТВАЛА)

СХЕМА ГИДРАВЛИЧЕСКОЙ СИСТЕМЫ (ОТ КЛАПАНА В ЦИЛИНДР ОТВАЛА)

1Артикул: 653557...
2Артикул: 79K8, ...
3Артикул: 665510...
Подробнее >
Спецтехника ПРАВОСТОРОННИЙ ДЖОЙСТИК УПРАВЛЕНИЯ

ПРАВОСТОРОННИЙ ДЖОЙСТИК УПРАВЛЕНИЯ

1Артикул: 665412...
2Артикул: HOUSIN...
3Артикул: 665528...
Подробнее >
Спецтехника СЕКЦИЯ РАСПРЕДЕЛИТЕЛЯ (ПОВОРОТ СТРЕЛЫ)

СЕКЦИЯ РАСПРЕДЕЛИТЕЛЯ (ПОВОРОТ СТРЕЛЫ)

1Артикул: 665311...
2Артикул: HOUSIN...
3Артикул: 663096...
Подробнее >
Спецтехника РАЗГРУЗОЧНЫЙ КЛАПАН

РАЗГРУЗОЧНЫЙ КЛАПАН

1Артикул: VALVE,...
2Артикул: HOUSIN...
3Артикул: SPOOL,...
Подробнее >
Спецтехника ЦИЛИНДР ОТВАЛА

ЦИЛИНДР ОТВАЛА

1Артикул: 665558...
2Артикул: HOUSIN...
3Артикул: ROD, R...
Подробнее >
Спецтехника СЕКЦИЯ РАСПРЕДЕЛИТЕЛЯ (ПОВОРОТ И КОВШ)

СЕКЦИЯ РАСПРЕДЕЛИТЕЛЯ (ПОВОРОТ И КОВШ)

1Артикул: 665311...
2Артикул: HOUSIN...
3Артикул: SPOOL,...
Подробнее >