+7 (701) 588 50 05 Телефон для связи
RU

WhatsApp

Позвонить

ТОПЛИВНЫЙ РАСПРЕДЕЛИТЕЛЬНЫЙ ВАЛ В СБОРЕ — Продажа в Казахстане Цены от официального дилера с доставкой в Алматы, Астану и регионы

Техника доступна в:
Полный спектр услуг:
Для Вашего удобства:
Характеристики и описание
Габариты, схема
Техническая документация
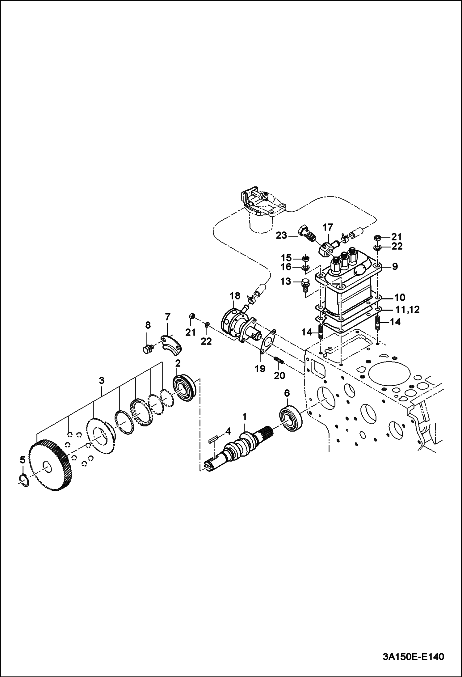
1 Артикул: 6696619, SHAFT FUEL CAM
2 Артикул: 6695465, BEARING BALL
3 Артикул: 6695325, GEAR INJECTION PUMP
4 Артикул: 6696168, KEY
5 Артикул: 6696688, RING SNAP
6 Артикул: 6695466, BEARING BALL
7 Артикул: 6695940, STOP
8 Артикул: 6693964, BOLT
9 Артикул: 7010229, PUMP, FUEL INJ Was 6697017 - C
10 Артикул: 6694603, SHIM, PUMP INJ 0.15 mm thick
11 Артикул: 6694604, SHIM 0.30 mm thick
12 Артикул: 6694753, SHIM, PUMP INJ 0.10 mm thick
13 Артикул: 4CM822, BOLT Was 6697055 - A
14 Артикул: 6694011, STUD
15 Артикул: 6652792, NUT Was 6694053 - A
16 Артикул: 6697775, WASHER SPRING
17 Артикул: 6694767, JOINT, HOSE FUEL
18 Артикул: 6694329, PUMP, FUEL
19 Артикул: 6694759, GASKET, PUMP FUEL
20 Артикул: 6694007, STUD
21 Артикул: 6694040, NUT
22 Артикул: 6694092, WASHER SPRING
23 Артикул: 6695899, BOLT, EYE

ТОПЛИВНЫЙ РАСПРЕДЕЛИТЕЛЬНЫЙ ВАЛ В СБОРЕ: Техника, которая работает на результат

ТОПЛИВНЫЙ РАСПРЕДЕЛИТЕЛЬНЫЙ ВАЛ В СБОРЕ на мини-трактор Bobcat CT230 A59C11001 И ВЫШЕ, ABFP11001 И ВЫШЕ

Габаритные размеры

Габаритные размеры и схема ТОПЛИВНЫЙ РАСПРЕДЕЛИТЕЛЬНЫЙ ВАЛ В СБОРЕ

Нажмите на схему для увеличения

Документация

Документация временно недоступна.

Похожая техника в категории: ЗАПЧАСТИ ДВИГАТЕЛЯ (Bobcat)

Спецтехника КОМПЛЕКТ ОСНОВНОГО КОРПУСА ПОДШИПНИКА

КОМПЛЕКТ ОСНОВНОГО КОРПУСА ПОДШИПНИКА

1Артикул: 669538...
2Артикул: 669556...
3Артикул: 669595...
Подробнее >
Спецтехника ПОДДОН КАРТЕРА В СБОРЕ

ПОДДОН КАРТЕРА В СБОРЕ

1Артикул: 701267...
2Артикул: 669727...
3Артикул: 669707...
Подробнее >
Спецтехника ГЛУШИТЕЛЬ В СБОРЕ

ГЛУШИТЕЛЬ В СБОРЕ

1Артикул: 712104...
2Артикул: 669725...
3Артикул: 669705...
Подробнее >
Спецтехника КАРТЕР КОРОБКИ ПЕРЕДАЧ В СБОРЕ

КАРТЕР КОРОБКИ ПЕРЕДАЧ В СБОРЕ

1Артикул: 700022...
2Артикул: 700022...
3Артикул: 669475...
Подробнее >
Спецтехника ВОЗДУХООЧИСТИТЕЛЬ В СБОРЕ

ВОЗДУХООЧИСТИТЕЛЬ В СБОРЕ

1Артикул: 700198...
2Артикул: 669535...
3Артикул: 666633...
Подробнее >
Спецтехника БЛОК ЦИЛИНДРОВ В СБОРЕ

БЛОК ЦИЛИНДРОВ В СБОРЕ

1Артикул: 700112...
2Артикул: 700112...
3Артикул: 669475...
Подробнее >
Спецтехника ПОРШЕНЬ И ГРУППА КОЛЕНЧАТОГО ВАЛА (СЕРИЙНЫЙ НОМЕР ABFP11001 И ВЫШЕ)

ПОРШЕНЬ И ГРУППА КОЛЕНЧАТОГО ВАЛА (СЕРИЙНЫЙ НОМЕР ABFP11001 И ВЫШЕ)

1Артикул: 700028...
2Артикул: PISTON...
3Артикул: PIN, P...
Подробнее >
Спецтехника ПОРШЕНЬ И ГРУППА КОЛЕНЧАТОГО ВАЛА (СЕРИЙНЫЙ НОМЕР A59C11001 И ВЫШЕ)

ПОРШЕНЬ И ГРУППА КОЛЕНЧАТОГО ВАЛА (СЕРИЙНЫЙ НОМЕР A59C11001 И ВЫШЕ)

1Артикул: 669542...
2Артикул: PISTON...
3Артикул: PIN, P...
Подробнее >
Спецтехника РАДИАТОР В СБОРЕ (СЕРИЙНЫЙ НОМЕР ABFP11001 И ВЫШЕ)

РАДИАТОР В СБОРЕ (СЕРИЙНЫЙ НОМЕР ABFP11001 И ВЫШЕ)

1Артикул: 700025...
2Артикул: 700233...
3Артикул: 700024...
Подробнее >
Спецтехника РАДИАТОР В СБОРЕ (СЕРИЙНЫЙ НОМЕР A59C11001 И ВЫШЕ)

РАДИАТОР В СБОРЕ (СЕРИЙНЫЙ НОМЕР A59C11001 И ВЫШЕ)

1Артикул: 669538...
2Артикул: 669720...
3Артикул: 669667...
Подробнее >
Спецтехника ФРИКЦИОН В СБОРЕ

ФРИКЦИОН В СБОРЕ

1Артикул: 669751...
2Артикул: 669533...
3Артикул: 669559...
Подробнее >
Спецтехника ДРОССЕЛЬНАЯ ЗАСЛОНКА В СБОРЕ

ДРОССЕЛЬНАЯ ЗАСЛОНКА В СБОРЕ

1Артикул: 669740...
2Артикул: 669620...
3Артикул: 669751...
Подробнее >