+7 (701) 588 50 05 Телефон для связи
RU

WhatsApp

Позвонить

УСТАНОВКА СИСТЕМЫ ОХЛАЖДЕНИЯ (СЕРИЙНЫЙ НОМЕР A8HF12555 И ВЫШЕ, A8H612066 И ВЫШЕ) — Продажа в Казахстане Цены от официального дилера с доставкой в Алматы, Астану и регионы

Техника доступна в:
Полный спектр услуг:
Для Вашего удобства:
Характеристики и описание
Габариты, схема
Техническая документация
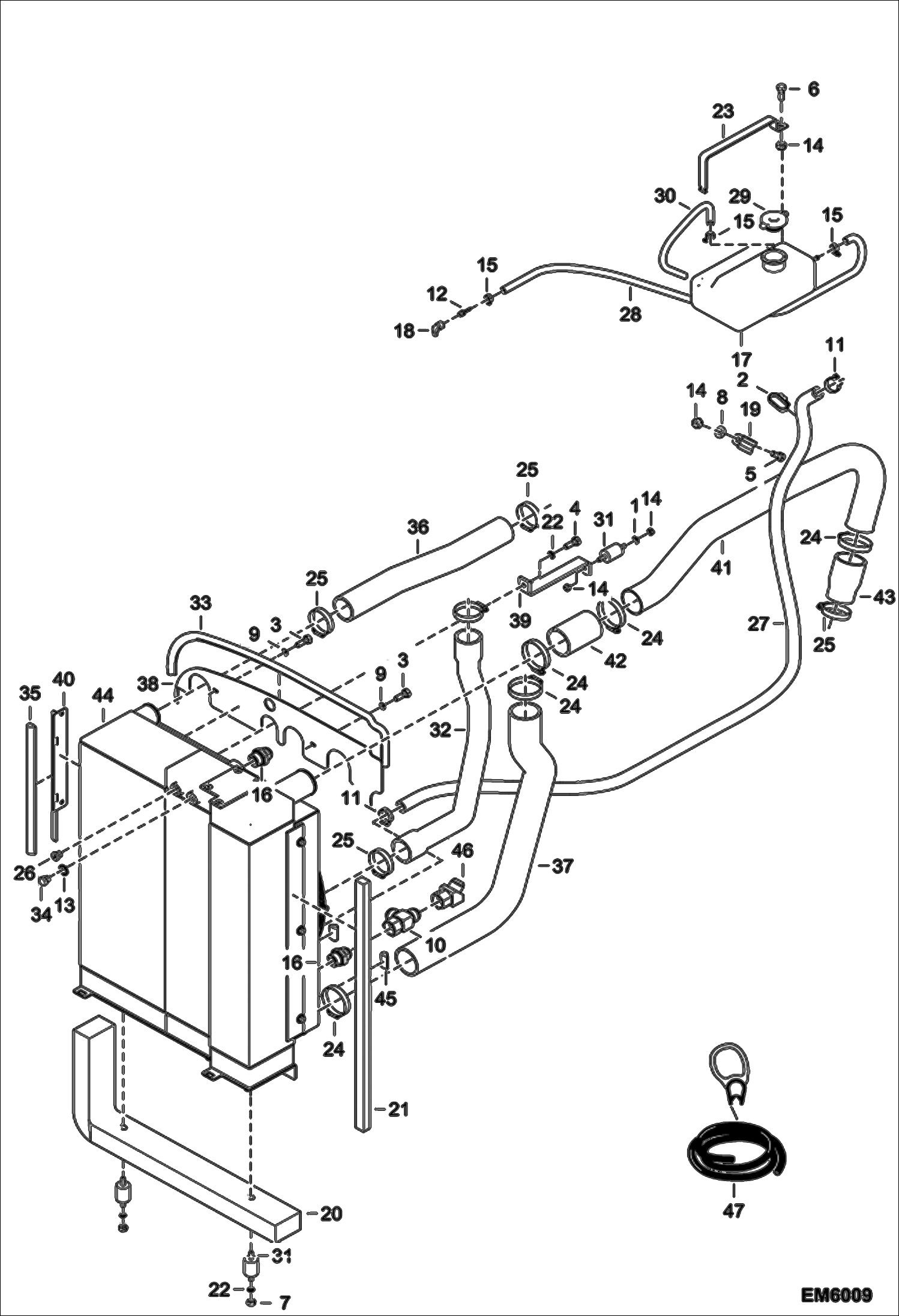
1 Артикул: 000350-02V, WASHER
2 Артикул: 6624289, STRAP, TIE
3 Артикул: 01590.9, Screw
4 Артикул: 1CM820, BOLT Was 01596.6 - B
5 Артикул: 4CM825, BOLT Was 01597.4 - B
6 Артикул: 01598.2, SCREW
7 Артикул: 4DM8, NUT Was 01668.3 - B
8 Артикул: 01697.2, Washer
9 Артикул: 01717.8, Washer
10 Артикул: 13K10, TEE Was 008372-34M - A
11 Артикул: 11734.1, Collar
12 Артикул: 014375-97F, UNION
13 Артикул: 34765.8, Copper ring not for EMEA
14 Артикул: 01681.6, Nut Was 51851.4 - B
15 Артикул: 5HM14, CLAMP Was 62231.6 - A
16 Артикул: 85170.9, Union Was 68609.7 - A
17 Артикул: 78688.9, Expansion tank
18 Артикул: 78745.7, Adapter
19 Артикул: 84729.3, Clamp
20 Артикул: 88394.2, Insulation
21 Артикул: 88395.9, Insulation
22 Артикул: 89519.3, Washer
23 Артикул: 90490.4, Plate
24 Артикул: 100369-55H, COLLAR
25 Артикул: 42HS30, CLAMP, HOSE Was 100369-80K - A
26 Артикул: 100374-14H, PLUG
27 Артикул: 6908901, HOSE D19 L2050
28 Артикул: 6908902, HOSE D10 L1080
29 Артикул: 6909875, PLUG , RADIATOR
30 Артикул: 6910264, HOSE D7L400
31 Артикул: 6910966, BUSHING , RUBBER , RADIATOR
32 Артикул: 6910970, HOSE
33 Артикул: TRIM,, TRIM, EDGE NAP - 950 mm (37.4--) long - Order Ref. 47
34 Артикул: 6911759, PLUG MALE M14X1.25 ALLEN not for EMEA
35 Артикул: TRIM,, TRIM, EDGE NAP - 360 mm (14.2--) long - Order Ref. 47
36 Артикул: 6919939, HOSE
37 Артикул: 6921108, HOSE
38 Артикул: 6921188, PLATE
39 Артикул: 6927852, PLATE
40 Артикул: 6921191, PLATE
41 Артикул: 6921241, PLATE
42 Артикул: 6923939, PIPE
43 Артикул: 6924096, SLEEVE
44 Артикул: 6924097, REDUCER SLEEVE
45 Артикул: 6933946, RADIATOR See Illustration RADIATOR/ EM1385 Was 6924387 - A
46 Артикул: TRIM,, TRIM, EDGE NAP - 35 mm (1.4--) long - Order Ref. 47
47 Артикул: 12K10, FITTING Was 12K8 - A
48 Артикул: 7196170, GASKET bulk - sold per foot - Was 62736.4 - B

УСТАНОВКА СИСТЕМЫ ОХЛАЖДЕНИЯ (СЕРИЙНЫЙ НОМЕР A8HF12555 И ВЫШЕ, A8H612066 И ВЫШЕ): Техника, которая работает на результат

УСТАНОВКА СИСТЕМЫ ОХЛАЖДЕНИЯ (СЕРИЙНЫЙ НОМЕР A8HF12555 И ВЫШЕ, A8H612066 И ВЫШЕ) на телескопический погрузчик Bobcat T3571 A8H611001 И ВЫШЕ, A8HF11001 И ВЫШЕ

Габаритные размеры

Габаритные размеры и схема УСТАНОВКА СИСТЕМЫ ОХЛАЖДЕНИЯ (СЕРИЙНЫЙ НОМЕР A8HF12555 И ВЫШЕ, A8H612066 И ВЫШЕ)

Нажмите на схему для увеличения

Документация

Документация временно недоступна.

Похожая техника в категории: ЗАПЧАСТИ ДВИГАТЕЛЯ (Bobcat)

Спецтехника МАХОВИК И ПРИВОДНОЙ ШКИВ

МАХОВИК И ПРИВОДНОЙ ШКИВ

1Артикул: 702245...
2Артикул: FLYWHE...
3Артикул: 651577...
Подробнее >
Спецтехника ОСЬ КЛАПАННОГО КОРОМЫСЛА

ОСЬ КЛАПАННОГО КОРОМЫСЛА

1Артикул: 692493...
2Артикул: 691200...
3Артикул: SPINDL...
Подробнее >
Спецтехника МАСЛЯНЫЙ РАДИАТОР И ФИЛЬТР

МАСЛЯНЫЙ РАДИАТОР И ФИЛЬТР

1Артикул: 692491...
2Артикул: 691189...
3Артикул: 691197...
Подробнее >
Спецтехника ГЕНЕРАТОР

ГЕНЕРАТОР

1Артикул: 691137...
2Артикул: 727042...
3Артикул: 57506....
Подробнее >
Спецтехника ШЕСТЕРНЯ РАСПРЕДЕЛИТЕЛЬНОГО ВАЛА

ШЕСТЕРНЯ РАСПРЕДЕЛИТЕЛЬНОГО ВАЛА

1Артикул: 692494...
2Артикул: 692490...
3Артикул: 692434...
Подробнее >
Спецтехника СХЕМА ВЕНТИЛЯТОРА ОХЛАЖДЕНИЯ (БЕЗ ДОПОЛНИТЕЛЬНОЙ ПЕРЕДАЧИ ЗАДНЕГО ХОДА - БЕЗ ВЫРАВНИВАНИЯ РАМЫ) (1 СКОРОСТЬ)

СХЕМА ВЕНТИЛЯТОРА ОХЛАЖДЕНИЯ (БЕЗ ДОПОЛНИТЕЛЬНОЙ ПЕРЕДАЧИ ЗАДНЕГО ХОДА - БЕЗ ВЫРАВНИВАНИЯ РАМЫ) (1 СКОРОСТЬ)

1Артикул: 1CM816...
2Артикул: 010370...
3Артикул: 89519....
Подробнее >
Спецтехника ФИЛЬТР ПРЕДВАРИТЕЛЬНОЙ ОЧИСТКИ ТОПЛИВА

ФИЛЬТР ПРЕДВАРИТЕЛЬНОЙ ОЧИСТКИ ТОПЛИВА

1Артикул: 1CM820...
2Артикул: 4CM103...
3Артикул: 01697....
Подробнее >
Спецтехника ОБОРУДОВАНИЕ СИСТЕМЫ ВПРЫСКА ТОПЛИВА

ОБОРУДОВАНИЕ СИСТЕМЫ ВПРЫСКА ТОПЛИВА

1Артикул: 692434...
2Артикул: PUMP,,...
3Артикул: 702246...
Подробнее >
Спецтехника УСТАНОВКА ГОЛОВКИ ЦИЛИНДРА

УСТАНОВКА ГОЛОВКИ ЦИЛИНДРА

1Артикул: 701058...
2Артикул: 691196...
3Артикул: 691193...
Подробнее >
Спецтехника ГОЛОВКА ЦИЛИНДРА В СБОРЕ

ГОЛОВКА ЦИЛИНДРА В СБОРЕ

1Артикул: 701058...
2Артикул: CYLIND...
3Артикул: 692494...
Подробнее >
Спецтехника УСТАНОВКА ДВИГАТЕЛЯ

УСТАНОВКА ДВИГАТЕЛЯ

1Артикул: 000345...
2Артикул: 00350-...
3Артикул: 000350...
Подробнее >
Спецтехника ВОДЯНАЯ ПОМПА И ТЕРМОСТАТ

ВОДЯНАЯ ПОМПА И ТЕРМОСТАТ

1Артикул: 701233...
2Артикул: PUMP,,...
3Артикул: COVER,...
Подробнее >