ЗАДНЯЯ ДВЕРЬ (ДВЕ ЧАСТИ) (СЕРИЙНЫЙ НОМЕР 509635001 - 509643760, 509616001 - 509616767) — Продажа в Казахстане Цены от официального дилера с доставкой в Алматы, Астану и регионы
×
❮
❯
Характеристики и описание
Габариты, схема
Техническая документация
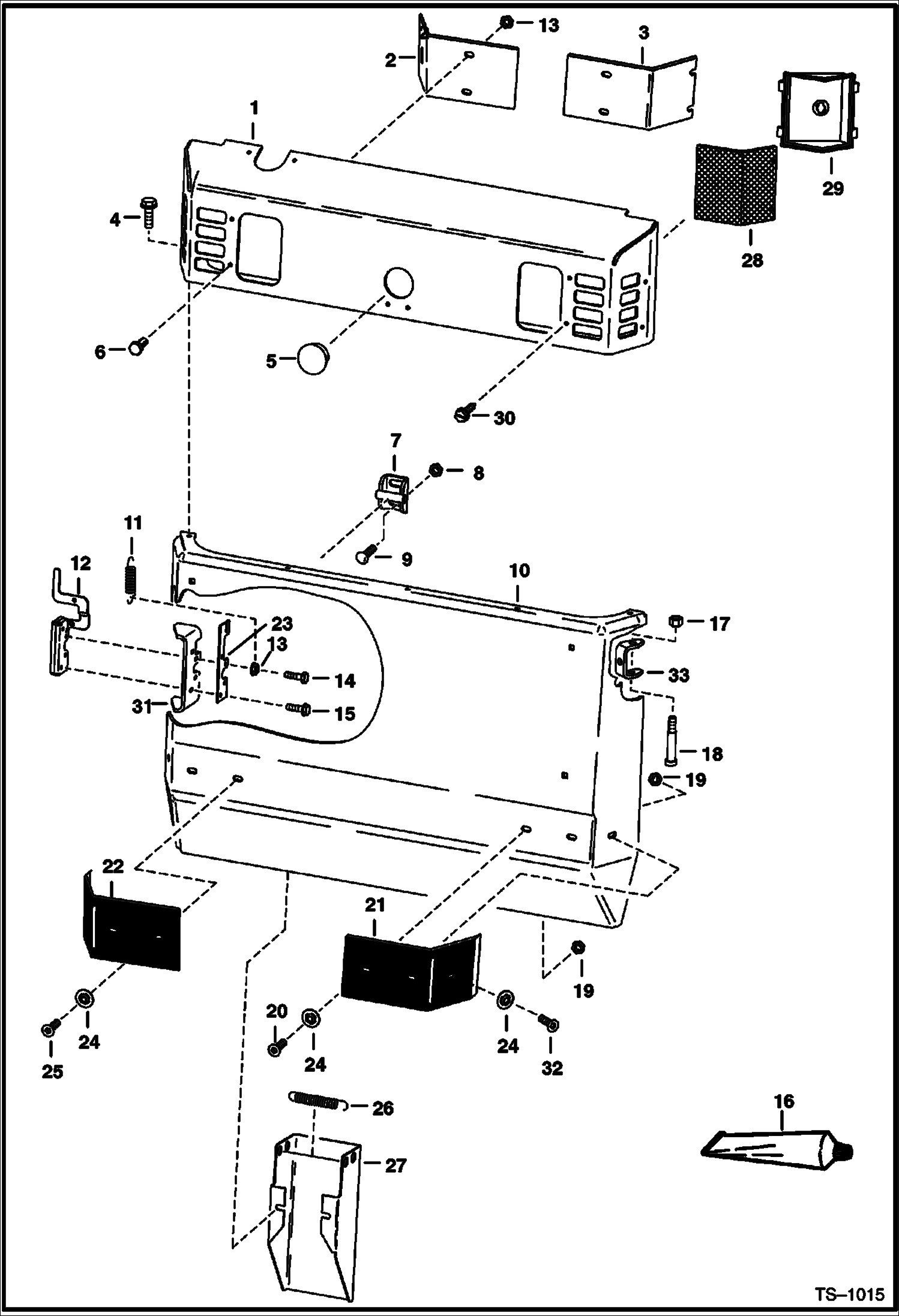
| 1 | Артикул: 6703868, HOOD See Illustration ENGINE & ATTACHING PARTS/ E2168 - steel |
| 2 | Артикул: 6704682, COVER |
| 3 | Артикул: 6704683, COVER |
| 4 | Артикул: 84G3716, SCREW 5 |
| 5 | Артикул: 6718796, PLUG Was 6660646 - A |
| 6 | Артикул: 17C412, BOLT 5 |
| 7 | Артикул: 6715157, STRIKER ASSY. Was 6579969 - A |
| 8 | Артикул: 83D8, NUT 5 |
| 9 | Артикул: 37C820, BOLT |
| 10 | Артикул: 6708624, REAR DOOR Was 6704639 - A |
| 11 | Артикул: 6563128, SPRING |
| 12 | Артикул: 6649420, LATCH, REAR DOOR |
| 13 | Артикул: 57D4, NUT |
| 14 | Артикул: 17C424, BOLT |
| 15 | Артикул: 31C420, BOLT 5 |
| 16 | Артикул: 6649835, ADHESIVE Use W/Ref. 21 & 22 |
| 17 | Артикул: 59D6, NUT |
| 18 | Артикул: 38C856, BOLT |
| 19 | Артикул: 57D6, NUT 5 |
| 20 | Артикул: 9G628, BOLT 5 |
| 21 | Артикул: 6577400, BUMPER bond W/Ref. 16 |
| 22 | Артикул: 6577401, BUMPER bond W/Ref. 16 |
| 23 | Артикул: 6704464, GUIDE latch |
| 24 | Артикул: 6704332, WASHER |
| 25 | Артикул: 9G636, BOLT 5 |
| 26 | Артикул: 6700743, SPRING |
| 27 | Артикул: 6709379, TOOL HOLDER Was 6705100 - A |
| 28 | Артикул: 6703797, LENS See Illustration LIGHT KIT/ D2190 - light option only |
| 29 | Артикул: 6704362, HOUSING See Illustration LIGHT KIT/ D2190 - light - light option only |
| 30 | Артикул: 6706517, SCREW See Illustration LIGHT KIT/ D2190 - self tapping - light option only - Was 6704400 - A |
| 31 | Артикул: 6700279, BRACKET latch |
| 32 | Артикул: 9G620, BOLT 5 |
| 33 | Артикул: 6577395, HINGE |
ЗАДНЯЯ ДВЕРЬ (ДВЕ ЧАСТИ) (СЕРИЙНЫЙ НОМЕР 509635001 - 509643760, 509616001 - 509616767): Техника, которая работает на результат
ЗАДНЯЯ ДВЕРЬ (ДВЕ ЧАСТИ) (СЕРИЙНЫЙ НОМЕР 509635001 - 509643760, 509616001 - 509616767) на Bobcat 700s Bobcat 773 509616001 - 509629999, 509635001 И ВЫШЕГабаритные размеры
Нажмите на схему для увеличения
Документация
Документация временно недоступна.
Похожая техника в категории: РАМА (Bobcat)
BOB-TACH
1Артикул: BOB-TA...
2Артикул: BOB-TA...
3Артикул: BOB-TA...
Подробнее >
СИДЕНИЕ (МИЧИГАН)
1Артикул: SEAT, ...
2Артикул: 666913...
3Артикул: 667016...
Подробнее >
КАБИНА ОПЕРАТОРА
1Артикул: 670195...
2Артикул: 670868...
3Артикул: 670615...
Подробнее >
ПАНЕЛИ
1Артикул: 670731...
2Артикул: 84G371...
3Артикул: SHIELD...
Подробнее >
ТОПЛИВНАЯ СИСТЕМА
1Артикул: TANK, ...
2Артикул: 673665...
3Артикул: 712088...
Подробнее >
СИДЕНИЕ И ОПОРА СИДЕНЬЯ
1Артикул: SEAT, ...
2Артикул: SEAT, ...
3Артикул: SEAT, ...
Подробнее >
ПОДЪЕМНЫЕ РУКОЯТИ И BOBTACH
1Артикул: 654759...
2Артикул: 670428...
3Артикул: 655545...
Подробнее >
СИДЕНЬЕ (MILSCO)
1Артикул: 656314...
2Артикул: CUSHIO...
3Артикул: 663046...
Подробнее >
ЗАДНЯЯ ДВЕРЬ (НЕРАЗБОРНЫЙ) (СЕРИЙНЫЙ НОМЕР 509643761 И ВЫШЕ, 509616768 - 509634999)
1Артикул: 667028...
2Артикул: BUMPER...
3Артикул: 665539...
Подробнее >