+7 (701) 588 50 05 Телефон для связи
RU

WhatsApp

Позвонить

ГИДРОСТАТИЧЕСКАЯ СИСТЕМА в Алматы

ГИДРОСТАТИЧЕСКИЙ ДВИГАТЕЛЬ (DAG ИЛИ DAZ)

ГИДРОСТАТИЧЕСКИЙ ДВИГАТЕЛЬ (DAG ИЛИ DAZ)

1Артикул: MOTOR, MOTOR NLA - Order 6669566
2Артикул: RING, RING NSS - retaining
3Артикул: SEAL, SEAL NSS - shaft
Подробнее >
ГИДРОСТАТИЧЕСКИЙ НАСОС (ЗАДНЯЯ - RBA - НОВАЯ МОДЕЛЬ)

ГИДРОСТАТИЧЕСКИЙ НАСОС (ЗАДНЯЯ - RBA - НОВАЯ МОДЕЛЬ)

1Артикул: PUMP, PUMP NLA - rear - New - Was 6512656 - A
2Артикул: 6599510REM, PUMP, REMAN HYD FRONT Remanufactured - Was 6599510 - A
3Артикул: RING, RING NSS - retaining
Подробнее >
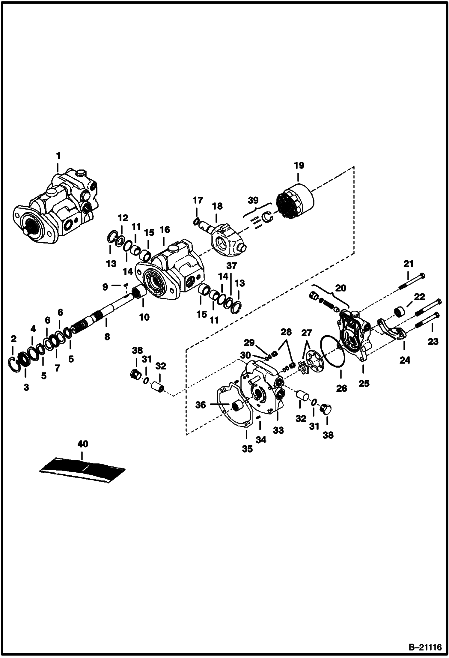
ГИДРОСТАТИЧЕСКИЕ НАСОСЫ (RBA - НОВАЯ МОДЕЛЬ)

ГИДРОСТАТИЧЕСКИЕ НАСОСЫ (RBA - НОВАЯ МОДЕЛЬ)

1Артикул: 6512568, PUMP New - Ref. 2 - 11
2Артикул: PUMP, PUMP REM / CORE EXCHANGE REQUIRED NLA - Remanufactured - Was 6599508REM - A
3Артикул: 6510490, PUMP, GEAR See Illustration HYDRAULIC GEAR PUMP/ B21099 GEAR
Подробнее >
ГИДРОСТАТИЧЕСКИЙ ДВИГАТЕЛЬ (DBA - НОВАЯ МОДЕЛЬ)

ГИДРОСТАТИЧЕСКИЙ ДВИГАТЕЛЬ (DBA - НОВАЯ МОДЕЛЬ)

1Артикул: 6669566, MOTOR New - Was 6512567 - A
2Артикул: MOTOR,, MOTOR, HYD NLA - Was 6599514REM - A
3Артикул: RING, RING NSS - retaining
Подробнее >
СХЕМА ГИДРОСТАТИЧЕСКОГО НАСОСА

СХЕМА ГИДРОСТАТИЧЕСКОГО НАСОСА

1Артикул: 6590677, HOSE
2Артикул: 774433, ADAPTOR Use on old style hose
3Артикул: 6552437, HOSE
Подробнее >
2 РЕГУЛЯТОРА СКОРОСТИ

2 РЕГУЛЯТОРА СКОРОСТИ

1Артикул: 6512567, MOTOR See Illustration HYDROSTATIC MOTOR/ B21101 See Illustration HYDROSTATIC MOTOR/ C2027
2Артикул: 6543618, LEVER
3Артикул: 7J3010, KEY
Подробнее >
ГИДРОСТАТИЧЕСКИЙ НАСОС (ЗАДНЯЯ - RBA - СТАРАЯ МОДЕЛЬ)

ГИДРОСТАТИЧЕСКИЙ НАСОС (ЗАДНЯЯ - RBA - СТАРАЯ МОДЕЛЬ)

1Артикул: PUMP, PUMP NLA - rear
2Артикул: RING, RING NSS - retaining
3Артикул: SEAL, SEAL NSS - shaft
Подробнее >
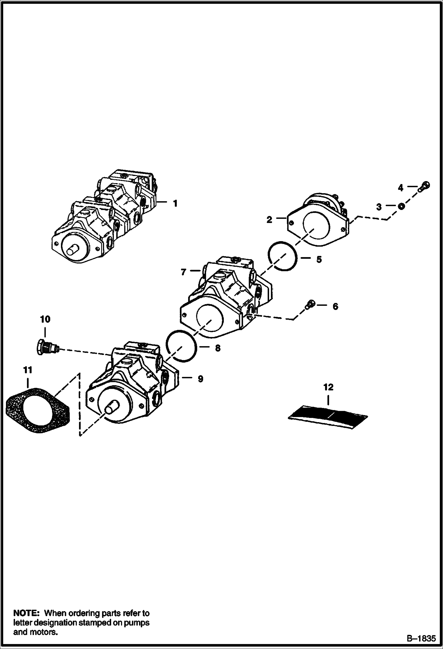
ГИДРОСТАТИЧЕСКИЕ НАСОСЫ (RBA - СТАРАЯ МОДЕЛЬ)

ГИДРОСТАТИЧЕСКИЕ НАСОСЫ (RBA - СТАРАЯ МОДЕЛЬ)

1Артикул: PUMP, PUMP NLA - Ref. 2 - 11 - Oder 6512568
2Артикул: 6510490, PUMP, GEAR See Illustration HYDRAULIC GEAR PUMP/ B21099 GEAR
3Артикул: 6510585, WASHER
Подробнее >
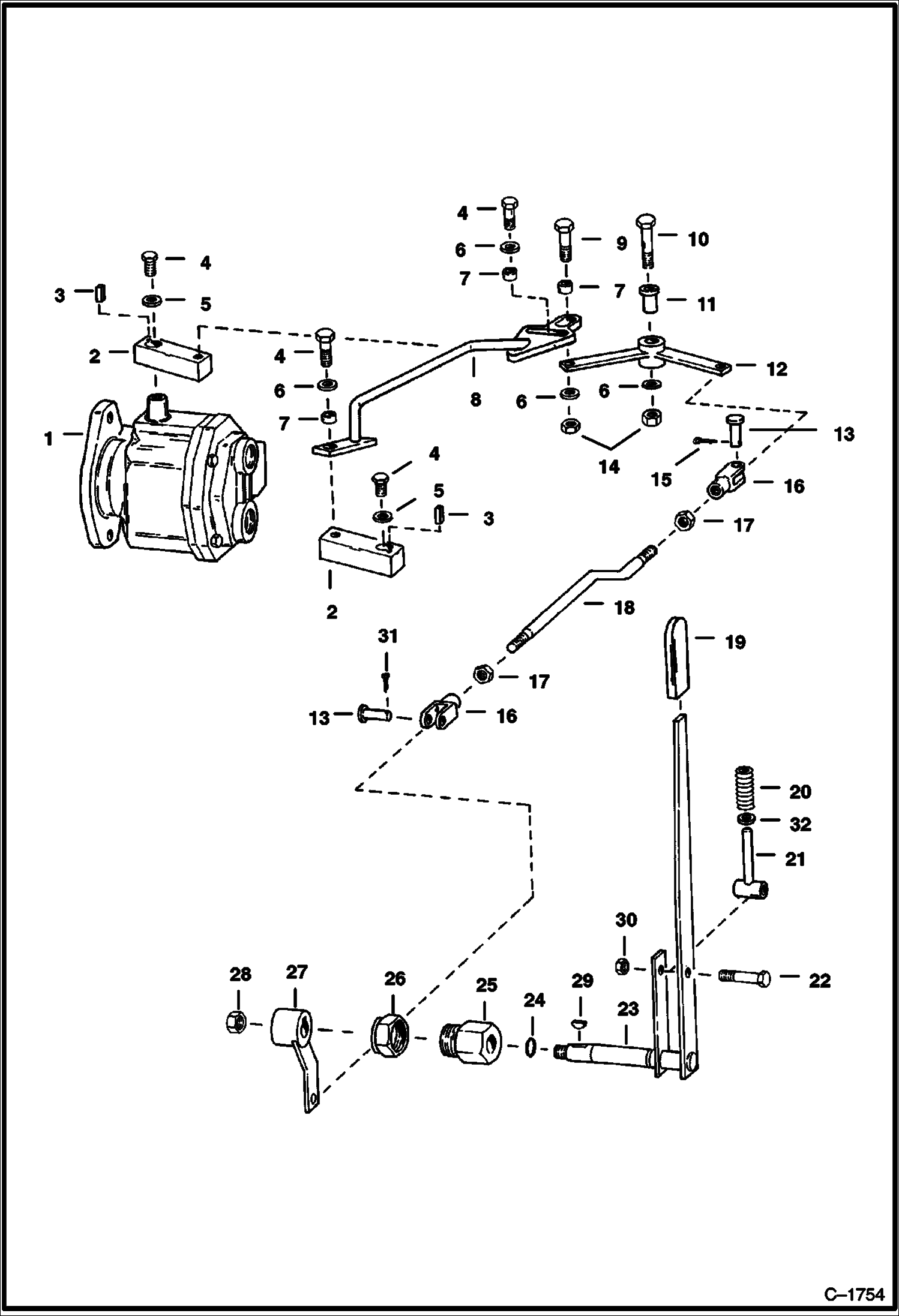
МЕХАНИЗМЫ РУЛЕВОГО УПРАВЛЕНИЯ

МЕХАНИЗМЫ РУЛЕВОГО УПРАВЛЕНИЯ

1Артикул: 17C512, BOLT 5
2Артикул: WASHER, WASHER NLA - Was 6591455 - A
3Артикул: 6543540, ARM control
Подробнее >
СХЕМА ГИДРОСТАТИЧЕСКОГО ДВИГАТЕЛЯ

СХЕМА ГИДРОСТАТИЧЕСКОГО ДВИГАТЕЛЯ

1Артикул: 17K8, FITTING W/Ref. 2
2Артикул: 79K12, O RING 10 Was 91F000008B
3Артикул: PUMP, PUMP See Illustration HYDROSTATIC PUMPS/ B1835A See Illustration HYDROSTATIC PUMPS/ B1835
Подробнее >
ГИДРОСТАТИЧЕСКИЕ НАСОСЫ (ФРОНТАЛЬНАЯ - RBA - СТАРАЯ МОДЕЛЬ)

ГИДРОСТАТИЧЕСКИЕ НАСОСЫ (ФРОНТАЛЬНАЯ - RBA - СТАРАЯ МОДЕЛЬ)

1Артикул: PUMP, PUMP NLA - front
2Артикул: RING, RING NSS - retaining
3Артикул: SEAL, SEAL NSS - shaft
Подробнее >
ГИДРАВЛИЧЕСКИЙ ШЕСТЕРЕННЫЙ НАСОС

ГИДРАВЛИЧЕСКИЙ ШЕСТЕРЕННЫЙ НАСОС

1Артикул: 6510490, PUMP, GEAR
2Артикул: GEAR, GEAR NLA - drive - Was 6510496 - A
3Артикул: BODY, BODY NLA - Was 892286 - A
Подробнее >
ГИДРОСТАТИЧЕСКИЙ НАСОС (ФРОНТАЛЬНАЯ - RBA - НОВАЯ МОДЕЛЬ)

ГИДРОСТАТИЧЕСКИЙ НАСОС (ФРОНТАЛЬНАЯ - RBA - НОВАЯ МОДЕЛЬ)

1Артикул: PUMP, PUMP NLA - front - New - Was 6512657 - A
2Артикул: PUMP, PUMP REM / CORE EXCHANGE REQUIRED NLA - Remanufactured - Was 6599509REM - A
3Артикул: RING, RING NSS - retaining
Подробнее >