+7 (701) 588 50 05 Телефон для связи
RU

WhatsApp

Позвонить

ГИДРОСТАТИЧЕСКИЙ ДВИГАТЕЛЬ (DAG ИЛИ DAZ) — Продажа в Казахстане Цены от официального дилера с доставкой в Алматы, Астану и регионы

Техника доступна в:
Полный спектр услуг:
Для Вашего удобства:
Характеристики и описание
Габариты, схема
Техническая документация
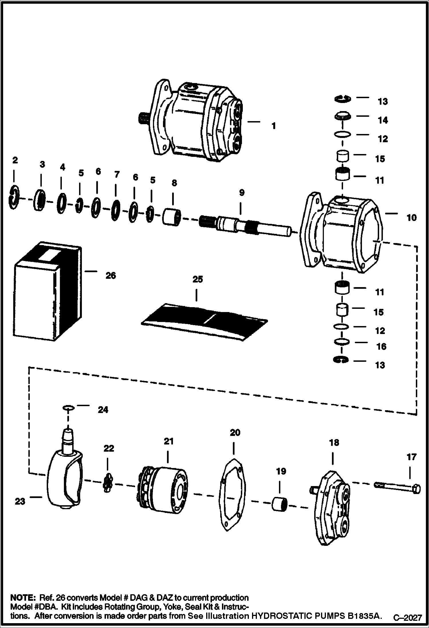
1 Артикул: MOTOR, MOTOR NLA - Order 6669566
2 Артикул: RING, RING NSS - retaining
3 Артикул: SEAL, SEAL NSS - shaft
4 Артикул: 6510586, WASHER
5 Артикул: RING, RING NSS - retaining
6 Артикул: 5208601, WASHER thrust
7 Артикул: 5200262, BRG
8 Артикул: BEARING, BEARING NSS
9 Артикул: SHAFT, SHAFT NLA - drive - Was 6510520 - A
10 Артикул: HOUSING, HOUSING NLA - W/Ref. 8 - Was 6510521 - A
11 Артикул: 896539, BRG
12 Артикул: O-RING, O-RING NSS
13 Артикул: RING, RING NSS - retaining
14 Артикул: COVER, COVER NLA - Was 6510501 - A
15 Артикул: 6510590, RACE
16 Артикул: 6519740, COVER
17 Артикул: 17C620, BOLT
18 Артикул: 6510073, COVER W/Ref. 19
19 Артикул: BEARING, BEARING NSS
20 Артикул: 6554758, KIT gasket - W/Ref. 22
21 Артикул: GROUP, GROUP NLA - rotating - Order Ref. 26
22 Артикул: WASHER, WASHER NSS - wave
23 Артикул: YOKE, YOKE NLA - Order Ref. 26
24 Артикул: O-RING, O-RING NSS
25 Артикул: SEAL, SEAL KIT NLA - W/Ref. 2, 3, 5, 12, 13, 20, 22 & 24 - Was 6510522 - A
26 Артикул: 6512649, KIT conversion - DAG & DAZ to DBA

ГИДРОСТАТИЧЕСКИЙ ДВИГАТЕЛЬ (DAG ИЛИ DAZ): Техника, которая работает на результат

ГИДРОСТАТИЧЕСКИЙ ДВИГАТЕЛЬ (DAG ИЛИ DAZ) на Bobcat 800s Bobcat 825 4958M11001 И ВЫШЕ

Габаритные размеры

Габаритные размеры и схема ГИДРОСТАТИЧЕСКИЙ ДВИГАТЕЛЬ (DAG ИЛИ DAZ)

Нажмите на схему для увеличения

Документация

Документация временно недоступна.

Похожая техника в категории: ГИДРОСТАТИЧЕСКАЯ СИСТЕМА (Bobcat)

Спецтехника ГИДРОСТАТИЧЕСКИЙ НАСОС (ЗАДНЯЯ - RBA - НОВАЯ МОДЕЛЬ)

ГИДРОСТАТИЧЕСКИЙ НАСОС (ЗАДНЯЯ - RBA - НОВАЯ МОДЕЛЬ)

1Артикул: PUMP, ...
2Артикул: 659951...
3Артикул: RING, ...
Подробнее >
Спецтехника ГИДРОСТАТИЧЕСКИЕ НАСОСЫ (RBA - НОВАЯ МОДЕЛЬ)

ГИДРОСТАТИЧЕСКИЕ НАСОСЫ (RBA - НОВАЯ МОДЕЛЬ)

1Артикул: 651256...
2Артикул: PUMP, ...
3Артикул: 651049...
Подробнее >
Спецтехника ГИДРОСТАТИЧЕСКИЙ ДВИГАТЕЛЬ (DBA - НОВАЯ МОДЕЛЬ)

ГИДРОСТАТИЧЕСКИЙ ДВИГАТЕЛЬ (DBA - НОВАЯ МОДЕЛЬ)

1Артикул: 666956...
2Артикул: MOTOR,...
3Артикул: RING, ...
Подробнее >
Спецтехника СХЕМА ГИДРОСТАТИЧЕСКОГО НАСОСА

СХЕМА ГИДРОСТАТИЧЕСКОГО НАСОСА

1Артикул: 659067...
2Артикул: 774433...
3Артикул: 655243...
Подробнее >
Спецтехника 2 РЕГУЛЯТОРА СКОРОСТИ

2 РЕГУЛЯТОРА СКОРОСТИ

1Артикул: 651256...
2Артикул: 654361...
3Артикул: 7J3010...
Подробнее >
Спецтехника ГИДРОСТАТИЧЕСКИЙ НАСОС (ЗАДНЯЯ - RBA - СТАРАЯ МОДЕЛЬ)

ГИДРОСТАТИЧЕСКИЙ НАСОС (ЗАДНЯЯ - RBA - СТАРАЯ МОДЕЛЬ)

1Артикул: PUMP, ...
2Артикул: RING, ...
3Артикул: SEAL, ...
Подробнее >
Спецтехника ГИДРОСТАТИЧЕСКИЕ НАСОСЫ (RBA - СТАРАЯ МОДЕЛЬ)

ГИДРОСТАТИЧЕСКИЕ НАСОСЫ (RBA - СТАРАЯ МОДЕЛЬ)

1Артикул: PUMP, ...
2Артикул: 651049...
3Артикул: 651058...
Подробнее >
Спецтехника МЕХАНИЗМЫ РУЛЕВОГО УПРАВЛЕНИЯ

МЕХАНИЗМЫ РУЛЕВОГО УПРАВЛЕНИЯ

1Артикул: 17C512...
2Артикул: WASHER...
3Артикул: 654354...
Подробнее >
Спецтехника СХЕМА ГИДРОСТАТИЧЕСКОГО ДВИГАТЕЛЯ

СХЕМА ГИДРОСТАТИЧЕСКОГО ДВИГАТЕЛЯ

1Артикул: 17K8, ...
2Артикул: 79K12,...
3Артикул: PUMP, ...
Подробнее >
Спецтехника ГИДРОСТАТИЧЕСКИЕ НАСОСЫ (ФРОНТАЛЬНАЯ - RBA - СТАРАЯ МОДЕЛЬ)

ГИДРОСТАТИЧЕСКИЕ НАСОСЫ (ФРОНТАЛЬНАЯ - RBA - СТАРАЯ МОДЕЛЬ)

1Артикул: PUMP, ...
2Артикул: RING, ...
3Артикул: SEAL, ...
Подробнее >
Спецтехника ГИДРАВЛИЧЕСКИЙ ШЕСТЕРЕННЫЙ НАСОС

ГИДРАВЛИЧЕСКИЙ ШЕСТЕРЕННЫЙ НАСОС

1Артикул: 651049...
2Артикул: GEAR, ...
3Артикул: BODY, ...
Подробнее >
Спецтехника ГИДРОСТАТИЧЕСКИЙ НАСОС (ФРОНТАЛЬНАЯ - RBA - НОВАЯ МОДЕЛЬ)

ГИДРОСТАТИЧЕСКИЙ НАСОС (ФРОНТАЛЬНАЯ - RBA - НОВАЯ МОДЕЛЬ)

1Артикул: PUMP, ...
2Артикул: PUMP, ...
3Артикул: RING, ...
Подробнее >