+7 (701) 588 50 05 Телефон для связи
RU

WhatsApp

Позвонить

ГИДРОСТАТИЧЕСКИЕ НАСОСЫ (ФРОНТАЛЬНАЯ - RBA - СТАРАЯ МОДЕЛЬ) — Продажа в Казахстане Цены от официального дилера с доставкой в Алматы, Астану и регионы

Техника доступна в:
Полный спектр услуг:
Для Вашего удобства:
Характеристики и описание
Габариты, схема
Техническая документация
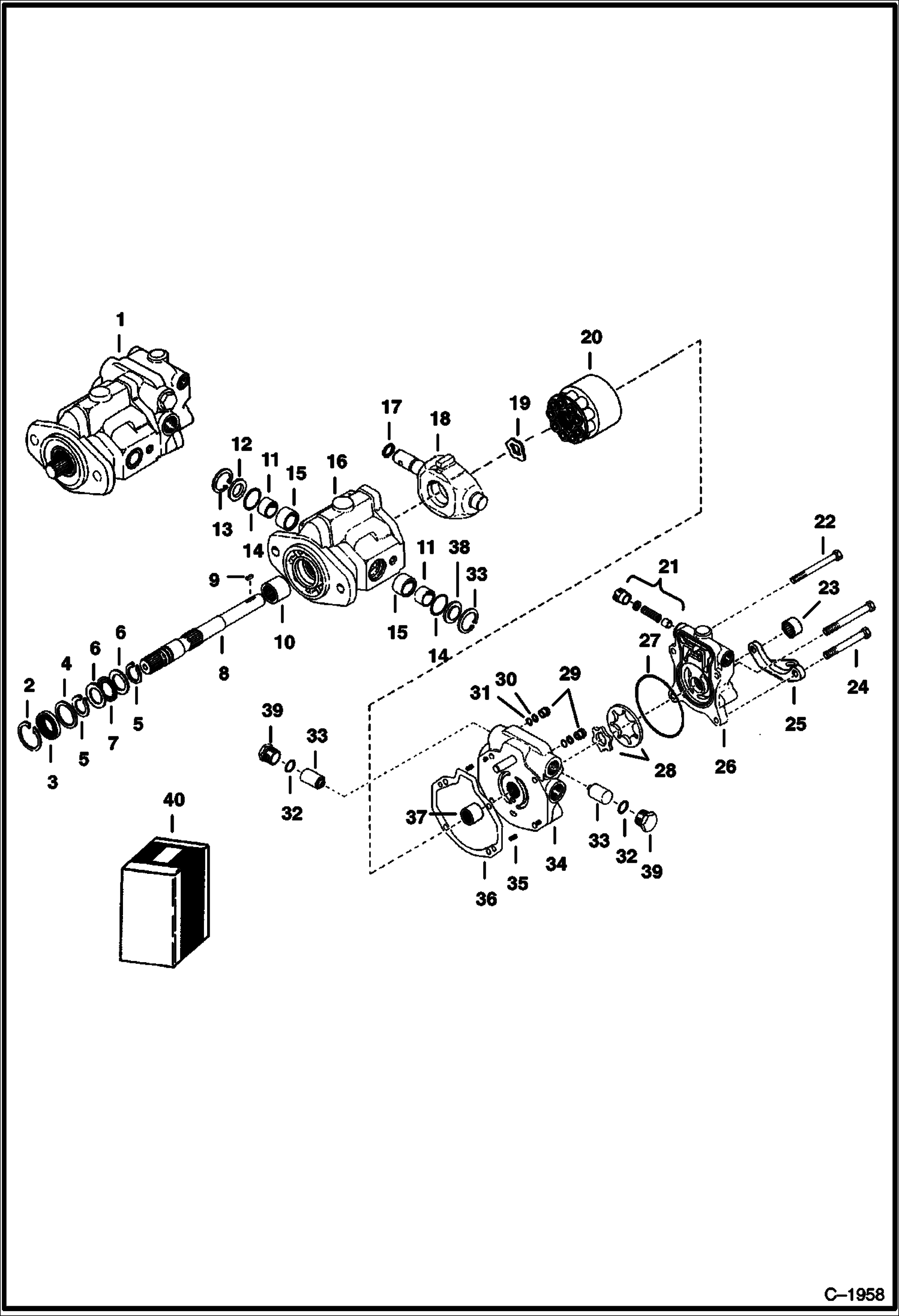
1 Артикул: PUMP, PUMP NLA - front
2 Артикул: RING, RING NSS - retaining
3 Артикул: SEAL, SEAL NSS - shaft
4 Артикул: 6510586, WASHER
5 Артикул: RING, RING NSS - retaining
6 Артикул: 5208601, WASHER thrust
7 Артикул: 5200262, BRG thrust
8 Артикул: 6510519, SHAFT drive
9 Артикул: 6510556, KEY
10 Артикул: 6519737, BEARING
11 Артикул: 6510590, RACE
12 Артикул: COVER, COVER NLA - Was 6510501 - A
13 Артикул: RING, RING NSS - retaining
14 Артикул: O-RING, O-RING NSS
15 Артикул: 896539, BRG
16 Артикул: HOUSING, HOUSING NLA - W/Ref. 10 - Was 6512252 - A
17 Артикул: O-RING, O-RING NSS
18 Артикул: PLATE, PLATE NSS - yoke - Order Ref. 40
19 Артикул: WASHER, WASHER NSS - wave - Order Ref. 40
20 Артикул: GROUP, GROUP NLA - rotating - Order Ref. 40
21 Артикул: 6512256, KIT adapter relief
22 Артикул: 21C664, BOLT
23 Артикул: 6512259, BEARING
24 Артикул: 17C660, BOLT
25 Артикул: BRACKET, BRACKET NLA - Was 6510516 - A
26 Артикул: 6512255, ADAPTER W/Ref. 21 & 23
27 Артикул: O-RING, O-RING NSS
28 Артикул: KIT, KIT NLA - gerotor - Was 6511126 - A
29 Артикул: 6510498, VALVE check
30 Артикул: O-RING, O-RING NSS
31 Артикул: WASHER, WASHER NSS - back-up
32 Артикул: O-RING, O-RING NSS
33 Артикул: 6650611, VALVE relief - Was 6512032 - A
34 Артикул: 6512253, COVER W/Ref. 35 & 37
35 Артикул: ROLL, ROLL PIN NSS
36 Артикул: 6554758, KIT W/Ref. 19
37 Артикул: 301209, BEARING
38 Артикул: 6519740, COVER
39 Артикул: 6513479, PLUG
40 Артикул: KIT, KIT NLA - conersion converts RAB pump to RCB - Rotating group, Yoke & pins - Was 6512648 - A
41 Артикул: 6512348, SEAL KIT Ref. 2, 3, 5, 13, 14, 17, 27, 30-32 & 36

ГИДРОСТАТИЧЕСКИЕ НАСОСЫ (ФРОНТАЛЬНАЯ - RBA - СТАРАЯ МОДЕЛЬ): Техника, которая работает на результат

ГИДРОСТАТИЧЕСКИЕ НАСОСЫ (ФРОНТАЛЬНАЯ - RBA - СТАРАЯ МОДЕЛЬ) на Bobcat 800s Bobcat 825 4958M11001 И ВЫШЕ

Габаритные размеры

Габаритные размеры и схема ГИДРОСТАТИЧЕСКИЕ НАСОСЫ (ФРОНТАЛЬНАЯ - RBA - СТАРАЯ МОДЕЛЬ)

Нажмите на схему для увеличения

Документация

Документация временно недоступна.

Похожая техника в категории: ГИДРОСТАТИЧЕСКАЯ СИСТЕМА (Bobcat)

Спецтехника ГИДРОСТАТИЧЕСКИЙ ДВИГАТЕЛЬ (DAG ИЛИ DAZ)

ГИДРОСТАТИЧЕСКИЙ ДВИГАТЕЛЬ (DAG ИЛИ DAZ)

1Артикул: MOTOR,...
2Артикул: RING, ...
3Артикул: SEAL, ...
Подробнее >
Спецтехника ГИДРОСТАТИЧЕСКИЙ НАСОС (ЗАДНЯЯ - RBA - НОВАЯ МОДЕЛЬ)

ГИДРОСТАТИЧЕСКИЙ НАСОС (ЗАДНЯЯ - RBA - НОВАЯ МОДЕЛЬ)

1Артикул: PUMP, ...
2Артикул: 659951...
3Артикул: RING, ...
Подробнее >
Спецтехника ГИДРОСТАТИЧЕСКИЕ НАСОСЫ (RBA - НОВАЯ МОДЕЛЬ)

ГИДРОСТАТИЧЕСКИЕ НАСОСЫ (RBA - НОВАЯ МОДЕЛЬ)

1Артикул: 651256...
2Артикул: PUMP, ...
3Артикул: 651049...
Подробнее >
Спецтехника ГИДРОСТАТИЧЕСКИЙ ДВИГАТЕЛЬ (DBA - НОВАЯ МОДЕЛЬ)

ГИДРОСТАТИЧЕСКИЙ ДВИГАТЕЛЬ (DBA - НОВАЯ МОДЕЛЬ)

1Артикул: 666956...
2Артикул: MOTOR,...
3Артикул: RING, ...
Подробнее >
Спецтехника СХЕМА ГИДРОСТАТИЧЕСКОГО НАСОСА

СХЕМА ГИДРОСТАТИЧЕСКОГО НАСОСА

1Артикул: 659067...
2Артикул: 774433...
3Артикул: 655243...
Подробнее >
Спецтехника 2 РЕГУЛЯТОРА СКОРОСТИ

2 РЕГУЛЯТОРА СКОРОСТИ

1Артикул: 651256...
2Артикул: 654361...
3Артикул: 7J3010...
Подробнее >
Спецтехника ГИДРОСТАТИЧЕСКИЙ НАСОС (ЗАДНЯЯ - RBA - СТАРАЯ МОДЕЛЬ)

ГИДРОСТАТИЧЕСКИЙ НАСОС (ЗАДНЯЯ - RBA - СТАРАЯ МОДЕЛЬ)

1Артикул: PUMP, ...
2Артикул: RING, ...
3Артикул: SEAL, ...
Подробнее >
Спецтехника ГИДРОСТАТИЧЕСКИЕ НАСОСЫ (RBA - СТАРАЯ МОДЕЛЬ)

ГИДРОСТАТИЧЕСКИЕ НАСОСЫ (RBA - СТАРАЯ МОДЕЛЬ)

1Артикул: PUMP, ...
2Артикул: 651049...
3Артикул: 651058...
Подробнее >
Спецтехника МЕХАНИЗМЫ РУЛЕВОГО УПРАВЛЕНИЯ

МЕХАНИЗМЫ РУЛЕВОГО УПРАВЛЕНИЯ

1Артикул: 17C512...
2Артикул: WASHER...
3Артикул: 654354...
Подробнее >
Спецтехника СХЕМА ГИДРОСТАТИЧЕСКОГО ДВИГАТЕЛЯ

СХЕМА ГИДРОСТАТИЧЕСКОГО ДВИГАТЕЛЯ

1Артикул: 17K8, ...
2Артикул: 79K12,...
3Артикул: PUMP, ...
Подробнее >
Спецтехника ГИДРАВЛИЧЕСКИЙ ШЕСТЕРЕННЫЙ НАСОС

ГИДРАВЛИЧЕСКИЙ ШЕСТЕРЕННЫЙ НАСОС

1Артикул: 651049...
2Артикул: GEAR, ...
3Артикул: BODY, ...
Подробнее >
Спецтехника ГИДРОСТАТИЧЕСКИЙ НАСОС (ФРОНТАЛЬНАЯ - RBA - НОВАЯ МОДЕЛЬ)

ГИДРОСТАТИЧЕСКИЙ НАСОС (ФРОНТАЛЬНАЯ - RBA - НОВАЯ МОДЕЛЬ)

1Артикул: PUMP, ...
2Артикул: PUMP, ...
3Артикул: RING, ...
Подробнее >