+7 (701) 588 50 05 Телефон для связи
RU

WhatsApp

Позвонить

ГИДРОСТАТИЧЕСКИЕ НАСОСЫ (RBA - НОВАЯ МОДЕЛЬ) — Продажа в Казахстане Цены от официального дилера с доставкой в Алматы, Астану и регионы

Техника доступна в:
Полный спектр услуг:
Для Вашего удобства:
Характеристики и описание
Габариты, схема
Техническая документация
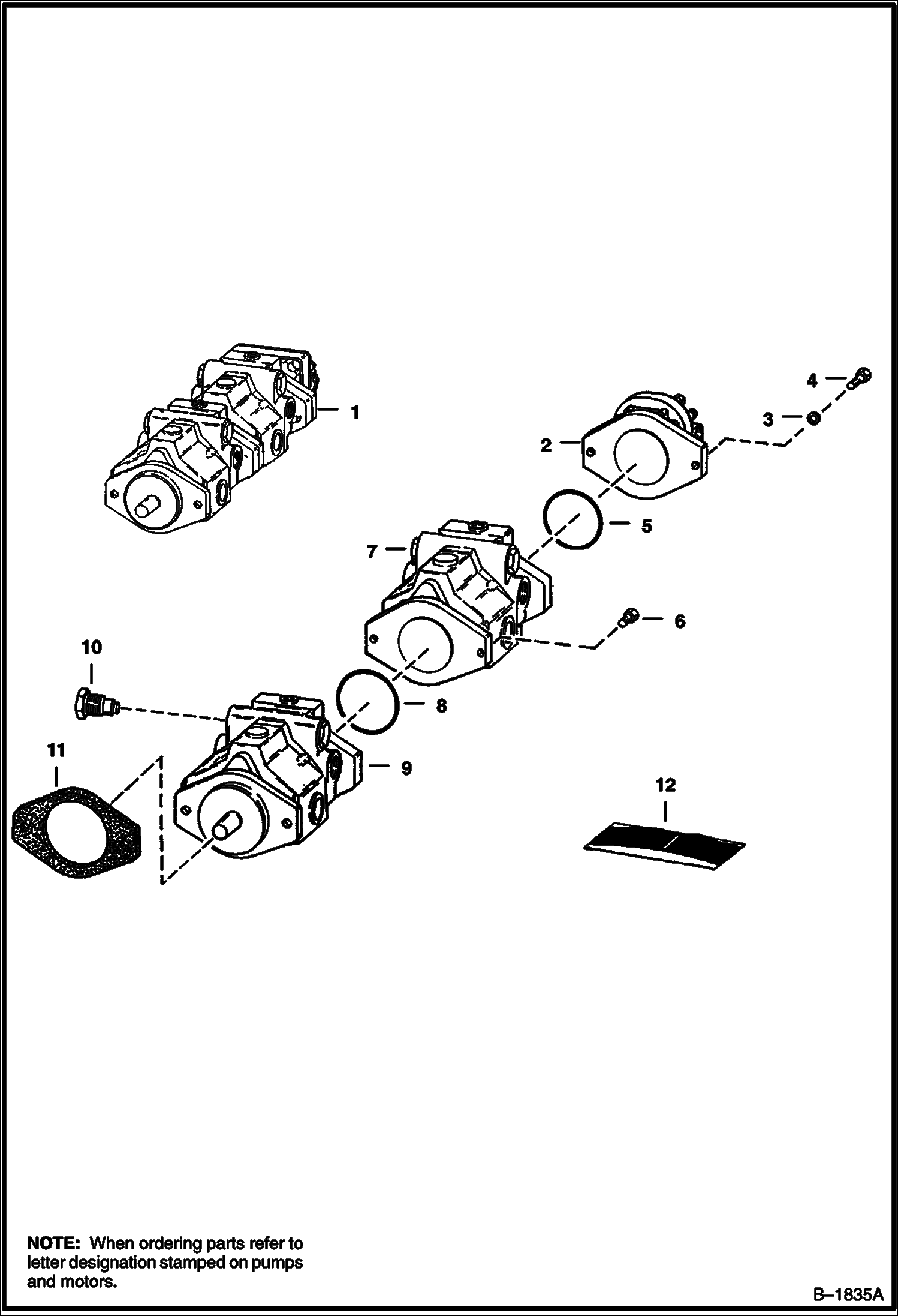
1 Артикул: 6512568, PUMP New - Ref. 2 - 11
2 Артикул: PUMP, PUMP REM / CORE EXCHANGE REQUIRED NLA - Remanufactured - Was 6599508REM - A
3 Артикул: 6510490, PUMP, GEAR See Illustration HYDRAULIC GEAR PUMP/ B21099 GEAR
4 Артикул: 6510585, WASHER
5 Артикул: 17C620, BOLT
6 Артикул: 25K20308, O RING 10
7 Артикул: BOLT, BOLT NLA - Was 17C000822B - A
8 Артикул: PUMP, PUMP See Illustration HYDROSTATIC PUMP/ B21116 NLA - FRONT - Was 6512657 - A
9 Артикул: PUMP, PUMP REM / CORE EXCHANGE REQUIRED NLA - Remanufactured - Was 6599509REM - A
10 Артикул: 25K20400, O RING 10
11 Артикул: PUMP, PUMP See Illustration HYDROSTATIC PUMP/ B21100 NLA - REAR - Was 6512656 - A
12 Артикул: 6599510REM, PUMP, REMAN HYD FRONT Remanufactured - Was 6599510 - A
13 Артикул: 6650611, VALVE relief - Was 6512032 - A
14 Артикул: 6503835, GASKET
15 Артикул: 6512348, SEAL KIT Complete Pump

ГИДРОСТАТИЧЕСКИЕ НАСОСЫ (RBA - НОВАЯ МОДЕЛЬ): Техника, которая работает на результат

ГИДРОСТАТИЧЕСКИЕ НАСОСЫ (RBA - НОВАЯ МОДЕЛЬ) на Bobcat 800s Bobcat 825 4958M11001 И ВЫШЕ

Габаритные размеры

Габаритные размеры и схема ГИДРОСТАТИЧЕСКИЕ НАСОСЫ (RBA - НОВАЯ МОДЕЛЬ)

Нажмите на схему для увеличения

Документация

Документация временно недоступна.

Похожая техника в категории: ГИДРОСТАТИЧЕСКАЯ СИСТЕМА (Bobcat)

Спецтехника ГИДРОСТАТИЧЕСКИЙ ДВИГАТЕЛЬ (DAG ИЛИ DAZ)

ГИДРОСТАТИЧЕСКИЙ ДВИГАТЕЛЬ (DAG ИЛИ DAZ)

1Артикул: MOTOR,...
2Артикул: RING, ...
3Артикул: SEAL, ...
Подробнее >
Спецтехника ГИДРОСТАТИЧЕСКИЙ НАСОС (ЗАДНЯЯ - RBA - НОВАЯ МОДЕЛЬ)

ГИДРОСТАТИЧЕСКИЙ НАСОС (ЗАДНЯЯ - RBA - НОВАЯ МОДЕЛЬ)

1Артикул: PUMP, ...
2Артикул: 659951...
3Артикул: RING, ...
Подробнее >
Спецтехника ГИДРОСТАТИЧЕСКИЙ ДВИГАТЕЛЬ (DBA - НОВАЯ МОДЕЛЬ)

ГИДРОСТАТИЧЕСКИЙ ДВИГАТЕЛЬ (DBA - НОВАЯ МОДЕЛЬ)

1Артикул: 666956...
2Артикул: MOTOR,...
3Артикул: RING, ...
Подробнее >
Спецтехника СХЕМА ГИДРОСТАТИЧЕСКОГО НАСОСА

СХЕМА ГИДРОСТАТИЧЕСКОГО НАСОСА

1Артикул: 659067...
2Артикул: 774433...
3Артикул: 655243...
Подробнее >
Спецтехника 2 РЕГУЛЯТОРА СКОРОСТИ

2 РЕГУЛЯТОРА СКОРОСТИ

1Артикул: 651256...
2Артикул: 654361...
3Артикул: 7J3010...
Подробнее >
Спецтехника ГИДРОСТАТИЧЕСКИЙ НАСОС (ЗАДНЯЯ - RBA - СТАРАЯ МОДЕЛЬ)

ГИДРОСТАТИЧЕСКИЙ НАСОС (ЗАДНЯЯ - RBA - СТАРАЯ МОДЕЛЬ)

1Артикул: PUMP, ...
2Артикул: RING, ...
3Артикул: SEAL, ...
Подробнее >
Спецтехника ГИДРОСТАТИЧЕСКИЕ НАСОСЫ (RBA - СТАРАЯ МОДЕЛЬ)

ГИДРОСТАТИЧЕСКИЕ НАСОСЫ (RBA - СТАРАЯ МОДЕЛЬ)

1Артикул: PUMP, ...
2Артикул: 651049...
3Артикул: 651058...
Подробнее >
Спецтехника МЕХАНИЗМЫ РУЛЕВОГО УПРАВЛЕНИЯ

МЕХАНИЗМЫ РУЛЕВОГО УПРАВЛЕНИЯ

1Артикул: 17C512...
2Артикул: WASHER...
3Артикул: 654354...
Подробнее >
Спецтехника СХЕМА ГИДРОСТАТИЧЕСКОГО ДВИГАТЕЛЯ

СХЕМА ГИДРОСТАТИЧЕСКОГО ДВИГАТЕЛЯ

1Артикул: 17K8, ...
2Артикул: 79K12,...
3Артикул: PUMP, ...
Подробнее >
Спецтехника ГИДРОСТАТИЧЕСКИЕ НАСОСЫ (ФРОНТАЛЬНАЯ - RBA - СТАРАЯ МОДЕЛЬ)

ГИДРОСТАТИЧЕСКИЕ НАСОСЫ (ФРОНТАЛЬНАЯ - RBA - СТАРАЯ МОДЕЛЬ)

1Артикул: PUMP, ...
2Артикул: RING, ...
3Артикул: SEAL, ...
Подробнее >
Спецтехника ГИДРАВЛИЧЕСКИЙ ШЕСТЕРЕННЫЙ НАСОС

ГИДРАВЛИЧЕСКИЙ ШЕСТЕРЕННЫЙ НАСОС

1Артикул: 651049...
2Артикул: GEAR, ...
3Артикул: BODY, ...
Подробнее >
Спецтехника ГИДРОСТАТИЧЕСКИЙ НАСОС (ФРОНТАЛЬНАЯ - RBA - НОВАЯ МОДЕЛЬ)

ГИДРОСТАТИЧЕСКИЙ НАСОС (ФРОНТАЛЬНАЯ - RBA - НОВАЯ МОДЕЛЬ)

1Артикул: PUMP, ...
2Артикул: PUMP, ...
3Артикул: RING, ...
Подробнее >