+7 (701) 588 50 05 Телефон для связи
RU

WhatsApp

Позвонить

АККУМУЛЯТОР И КЛАКСОН — Продажа в Казахстане Цены от официального дилера с доставкой в Алматы, Астану и регионы

Техника доступна в:
Полный спектр услуг:
Для Вашего удобства:
Характеристики и описание
Габариты, схема
Техническая документация
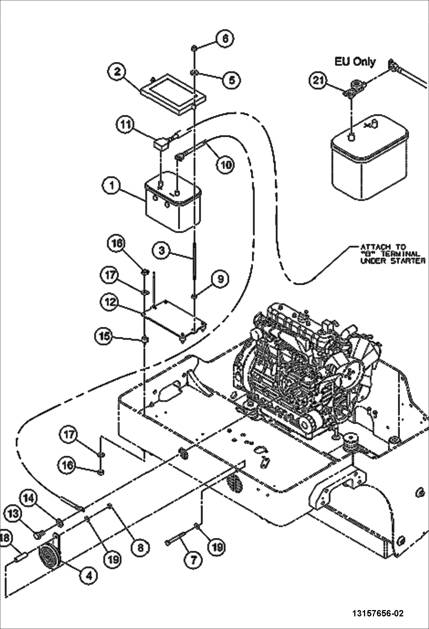
1 Артикул: 7305039EF, BATTERY 770 CCA - Was 6686663D
2 Артикул: IR19295492, HOLDDOWN, BATTERY, W/CLIPS battery - Was IR58870627 - A
3 Артикул: 7031513, BATTERY TIE DOWN battery - Was IR58993148 - A
4 Артикул: IR13469010, HORN
5 Артикул: IR96712674, Washer
6 Артикул: IR96704606, NUT
7 Артикул: IR96712062, BOLT
8 Артикул: IR96704812, NUT
9 Артикул: IR96701370, Nut
10 Артикул: IR59252502, BATTERY CABLE negative
11 Артикул: IR59242396, BATTERY CABLE positive
12 Артикул: IR59266817, BATTERY PAD
13 Артикул: IR96740261, BOLT
14 Артикул: IR96704895, WASHER
15 Артикул: IR59259606, HORN MOUNT
16 Артикул: IR96704234, Nut
17 Артикул: IR96741053, WASHER
18 Артикул: IR13165709, SPACER
19 Артикул: IR96714308, WASHER
20 Артикул: IR59271445, SWITCH BATTERY EU models only

АККУМУЛЯТОР И КЛАКСОН: Техника, которая работает на результат

АККУМУЛЯТОР И КЛАКСОН на тандемный каток Bobcat BCA24 491911099 И ВЫШЕ

Габаритные размеры

Габаритные размеры и схема АККУМУЛЯТОР И КЛАКСОН

Нажмите на схему для увеличения

Документация

Документация временно недоступна.

Похожая техника в категории: ТАНДЕМНЫЙ КАТОК (Bobcat)

Спецтехника АККУМУЛЯТОРНЫЙ ФОНАРЬ СИСТЕМЫ ЗАЩИТЫ ПРИ ОПРОКИДЫВАНИИ (ROPS) НА КРЫШЕ НАД СИДЕНЬЕМ ВОДИТЕЛЯ (ОПЦИЯ)

АККУМУЛЯТОРНЫЙ ФОНАРЬ СИСТЕМЫ ЗАЩИТЫ ПРИ ОПРОКИДЫВАНИИ (ROPS) НА КРЫШЕ НАД СИДЕНЬЕМ ВОДИТЕЛЯ (ОПЦИЯ)

1Артикул: IR5896...
2Артикул: IR5927...
3Артикул: IR5925...
Подробнее >
Спецтехника КОНСОЛЬ В СБОРЕ (ОПЦИЯ)

КОНСОЛЬ В СБОРЕ (ОПЦИЯ)

1Артикул: IR5883...
2Артикул: IR5892...
3Артикул: IR5910...
Подробнее >
Спецтехника СИГНАЛЬНАЯ ЛАМПА СИСТЕМЫ ЗАЩИТЫ ПРИ ОПРОКИДЫВАНИИ (ROPS) НА КРЫШЕ НАД СИДЕНЬЕМ ВОДИТЕЛЯ (ОПЦИЯ)

СИГНАЛЬНАЯ ЛАМПА СИСТЕМЫ ЗАЩИТЫ ПРИ ОПРОКИДЫВАНИИ (ROPS) НА КРЫШЕ НАД СИДЕНЬЕМ ВОДИТЕЛЯ (ОПЦИЯ)

1Артикул: IR5908...
2Артикул: IR5902...
3Артикул: IR5902...
Подробнее >
Спецтехника СИГНАЛ ПОВОРОТА И СИГНАЛ АВАРИЙНОЙ ОСТАНОВКИ (ОПЦИЯ)

СИГНАЛ ПОВОРОТА И СИГНАЛ АВАРИЙНОЙ ОСТАНОВКИ (ОПЦИЯ)

1Артикул: IR1392...
2Артикул: IR1324...
3Артикул: IR1324...
Подробнее >
Спецтехника ИЗМЕРИТЕЛЬНЫЕ ПРИБОРЫ (ОПЦИЯ)

ИЗМЕРИТЕЛЬНЫЕ ПРИБОРЫ (ОПЦИЯ)

1Артикул: PEDEST...
2Артикул: IR5887...
3Артикул: IR5944...
Подробнее >
Спецтехника ЖГУТ ПРОВОДКИ В СБОРЕ

ЖГУТ ПРОВОДКИ В СБОРЕ

1Артикул: IR1347...
2-
3-
Подробнее >
Спецтехника ДАТЧИК PEDESTAL (ОПЦИЯ)

ДАТЧИК PEDESTAL (ОПЦИЯ)

1Артикул: IR5929...
2Артикул: IR5446...
3Артикул: CONSOL...
Подробнее >
Спецтехника АККУМУЛЯТОРНЫЙ ФОНАРЬ НА ДУГЕ БЕЗОПАСНОСТИ СИСТЕМЫ ЗАЩИТЫ ПРИ ОПРОКИДЫВАНИИ (ROPS) (ОПЦИЯ)

АККУМУЛЯТОРНЫЙ ФОНАРЬ НА ДУГЕ БЕЗОПАСНОСТИ СИСТЕМЫ ЗАЩИТЫ ПРИ ОПРОКИДЫВАНИИ (ROPS) (ОПЦИЯ)

1Артикул: IR5896...
2Артикул: IR5926...
3Артикул: IR5925...
Подробнее >
Спецтехника ПЛАСТИНА С ПРЕДОХРАНИТЕЛЯМИ

ПЛАСТИНА С ПРЕДОХРАНИТЕЛЯМИ

1Артикул: IR5896...
2Артикул: Timer,...
3Артикул: IR1334...
Подробнее >
Спецтехника СИГНАЛ ЗАДНЕГО ХОДА (ОПЦИЯ)

СИГНАЛ ЗАДНЕГО ХОДА (ОПЦИЯ)

1Артикул: IR5887...
2Артикул: IR5456...
3Артикул: IR9670...
Подробнее >
Спецтехника ЖГУТ ПРОВОДОВ

ЖГУТ ПРОВОДОВ

1Артикул: WIRE, ...
2Артикул: IR9674...
3Артикул: IR9673...
Подробнее >
Спецтехника СИГНАЛЬНАЯ ЛАМПА НА ДУГЕ БЕЗОПАСНОСТИ СИСТЕМЫ ЗАЩИТЫ ПРИ ОПРОКИДЫВАНИИ (ROPS) (ОПЦИЯ)

СИГНАЛЬНАЯ ЛАМПА НА ДУГЕ БЕЗОПАСНОСТИ СИСТЕМЫ ЗАЩИТЫ ПРИ ОПРОКИДЫВАНИИ (ROPS) (ОПЦИЯ)

1Артикул: IR5908...
2Артикул: IR5902...
3Артикул: IR5902...
Подробнее >