+7 (701) 588 50 05 Телефон для связи
RU

WhatsApp

Позвонить

КОНСОЛЬ В СБОРЕ (ОПЦИЯ) — Продажа в Казахстане Цены от официального дилера с доставкой в Алматы, Астану и регионы

Техника доступна в:
Полный спектр услуг:
Для Вашего удобства:
Характеристики и описание
Габариты, схема
Техническая документация
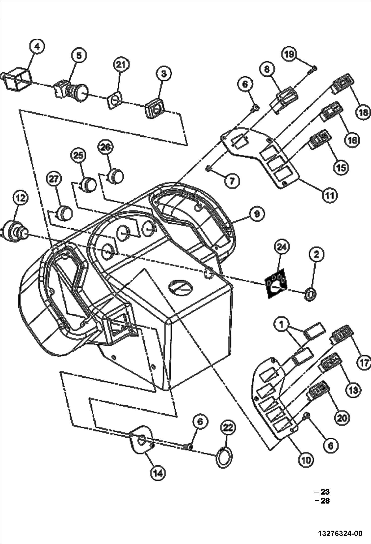
1 Артикул: IR58835398, SWITCH blank
2 Артикул: IR58924333, SWITCH NUT
3 Артикул: IR59108100, Dust Boot top mounting
4 Артикул: IR59108605, Dust Boot bottom
5 Артикул: STOP, STOP SWITCH NLA - Emergency Stop - Order IR43910579 (switch) & IR43910587 (washer) - Was IR59111450 - A
6 Артикул: IR58917543, BULB
7 Артикул: IR59148569, BOLT
8 Артикул: IR59137448, LOCKNUT
9 Артикул: IR13305198, HOURMETER
10 Артикул: IR59295592, PANEL large pod
11 Артикул: IR59212985, SWITCH PANEL left
12 Артикул: IR59269266, SWITCH PANEL right
13 Артикул: IR13305180, IGNITION SWITCH
14 Артикул: IR58917261, Ignition Key
15 Артикул: IR59214718, SWITCH drum vibration
16 Артикул: IR43937747, PANEL, MOUNTING emergency - Was IR59269274
17 Артикул: IR13305420, SWITCH, PARK BRAKE
18 Артикул: IR59214742, Switch brake test
19 Артикул: IR59226597, SWITCH water system
20 Артикул: IR13305438, SWITCH warning indicator light
21 Артикул: IR59148692, BOLT
22 Артикул: IR59228361, SWITCH auto vibration
23 Артикул: IR59109116, WASHER
24 Артикул: IR59239897, Decal stop
25 Артикул: IR13305305, HARNESS console - not shown
26 Артикул: IR59243584, IGNITION PLATE
27 Артикул: IR59046904, GAUGE oil pressure
28 Артикул: IR59044297, GAUGE voltmeter
29 Артикул: IR59132324, GAUGE water temperature
30 Артикул: IR59270280, HARNESS gauge - not shown

КОНСОЛЬ В СБОРЕ (ОПЦИЯ): Техника, которая работает на результат

КОНСОЛЬ В СБОРЕ (ОПЦИЯ) на тандемный каток Bobcat BCA24 491911099 И ВЫШЕ

Габаритные размеры

Габаритные размеры и схема КОНСОЛЬ В СБОРЕ (ОПЦИЯ)

Нажмите на схему для увеличения

Документация

Документация временно недоступна.

Похожая техника в категории: ТАНДЕМНЫЙ КАТОК (Bobcat)

Спецтехника АККУМУЛЯТОРНЫЙ ФОНАРЬ СИСТЕМЫ ЗАЩИТЫ ПРИ ОПРОКИДЫВАНИИ (ROPS) НА КРЫШЕ НАД СИДЕНЬЕМ ВОДИТЕЛЯ (ОПЦИЯ)

АККУМУЛЯТОРНЫЙ ФОНАРЬ СИСТЕМЫ ЗАЩИТЫ ПРИ ОПРОКИДЫВАНИИ (ROPS) НА КРЫШЕ НАД СИДЕНЬЕМ ВОДИТЕЛЯ (ОПЦИЯ)

1Артикул: IR5896...
2Артикул: IR5927...
3Артикул: IR5925...
Подробнее >
Спецтехника СИГНАЛЬНАЯ ЛАМПА СИСТЕМЫ ЗАЩИТЫ ПРИ ОПРОКИДЫВАНИИ (ROPS) НА КРЫШЕ НАД СИДЕНЬЕМ ВОДИТЕЛЯ (ОПЦИЯ)

СИГНАЛЬНАЯ ЛАМПА СИСТЕМЫ ЗАЩИТЫ ПРИ ОПРОКИДЫВАНИИ (ROPS) НА КРЫШЕ НАД СИДЕНЬЕМ ВОДИТЕЛЯ (ОПЦИЯ)

1Артикул: IR5908...
2Артикул: IR5902...
3Артикул: IR5902...
Подробнее >
Спецтехника СИГНАЛ ПОВОРОТА И СИГНАЛ АВАРИЙНОЙ ОСТАНОВКИ (ОПЦИЯ)

СИГНАЛ ПОВОРОТА И СИГНАЛ АВАРИЙНОЙ ОСТАНОВКИ (ОПЦИЯ)

1Артикул: IR1392...
2Артикул: IR1324...
3Артикул: IR1324...
Подробнее >
Спецтехника АККУМУЛЯТОР И КЛАКСОН

АККУМУЛЯТОР И КЛАКСОН

1Артикул: 730503...
2Артикул: IR1929...
3Артикул: 703151...
Подробнее >
Спецтехника ИЗМЕРИТЕЛЬНЫЕ ПРИБОРЫ (ОПЦИЯ)

ИЗМЕРИТЕЛЬНЫЕ ПРИБОРЫ (ОПЦИЯ)

1Артикул: PEDEST...
2Артикул: IR5887...
3Артикул: IR5944...
Подробнее >
Спецтехника ЖГУТ ПРОВОДКИ В СБОРЕ

ЖГУТ ПРОВОДКИ В СБОРЕ

1Артикул: IR1347...
2-
3-
Подробнее >
Спецтехника ДАТЧИК PEDESTAL (ОПЦИЯ)

ДАТЧИК PEDESTAL (ОПЦИЯ)

1Артикул: IR5929...
2Артикул: IR5446...
3Артикул: CONSOL...
Подробнее >
Спецтехника АККУМУЛЯТОРНЫЙ ФОНАРЬ НА ДУГЕ БЕЗОПАСНОСТИ СИСТЕМЫ ЗАЩИТЫ ПРИ ОПРОКИДЫВАНИИ (ROPS) (ОПЦИЯ)

АККУМУЛЯТОРНЫЙ ФОНАРЬ НА ДУГЕ БЕЗОПАСНОСТИ СИСТЕМЫ ЗАЩИТЫ ПРИ ОПРОКИДЫВАНИИ (ROPS) (ОПЦИЯ)

1Артикул: IR5896...
2Артикул: IR5926...
3Артикул: IR5925...
Подробнее >
Спецтехника ПЛАСТИНА С ПРЕДОХРАНИТЕЛЯМИ

ПЛАСТИНА С ПРЕДОХРАНИТЕЛЯМИ

1Артикул: IR5896...
2Артикул: Timer,...
3Артикул: IR1334...
Подробнее >
Спецтехника СИГНАЛ ЗАДНЕГО ХОДА (ОПЦИЯ)

СИГНАЛ ЗАДНЕГО ХОДА (ОПЦИЯ)

1Артикул: IR5887...
2Артикул: IR5456...
3Артикул: IR9670...
Подробнее >
Спецтехника ЖГУТ ПРОВОДОВ

ЖГУТ ПРОВОДОВ

1Артикул: WIRE, ...
2Артикул: IR9674...
3Артикул: IR9673...
Подробнее >
Спецтехника СИГНАЛЬНАЯ ЛАМПА НА ДУГЕ БЕЗОПАСНОСТИ СИСТЕМЫ ЗАЩИТЫ ПРИ ОПРОКИДЫВАНИИ (ROPS) (ОПЦИЯ)

СИГНАЛЬНАЯ ЛАМПА НА ДУГЕ БЕЗОПАСНОСТИ СИСТЕМЫ ЗАЩИТЫ ПРИ ОПРОКИДЫВАНИИ (ROPS) (ОПЦИЯ)

1Артикул: IR5908...
2Артикул: IR5902...
3Артикул: IR5902...
Подробнее >