+7 (701) 588 50 05 Телефон для связи
RU

WhatsApp

Позвонить

ДАТЧИК PEDESTAL (ОПЦИЯ) — Продажа в Казахстане Цены от официального дилера с доставкой в Алматы, Астану и регионы

Техника доступна в:
Полный спектр услуг:
Для Вашего удобства:
Характеристики и описание
Габариты, схема
Техническая документация
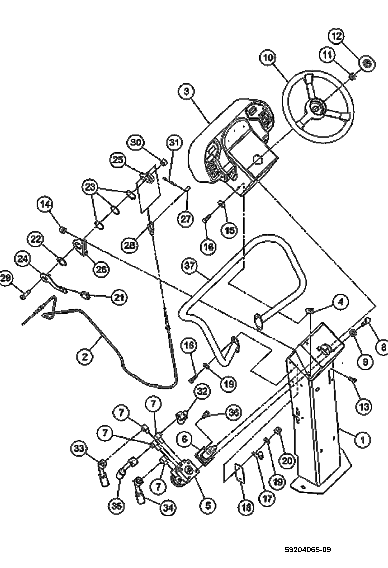
1 Артикул: IR59295600, PEDESTAL
2 Артикул: IR54465075, THROTTLE CABLE
3 Артикул: CONSOLE, CONSOLE ASSEMBLY See Illustration CONSOLE ASSEMBLY/ 13276324-00
4 Артикул: IR59214650, U-nut
5 Артикул: IR59212860, CONTROL VALVE steering
6 Артикул: IR59596577, KIT bearing
7 Артикул: IR54514666, KIT seal
8 Артикул: IR59393389, SPRING KIT centering
9 Артикул: IR54582317, CHECK VALVE KIT
10 Артикул: 7275456, COLUMN, STRG Was IR58858580 - A
11 Артикул: IR59461368, NUT
12 Артикул: IR59393371, KIT horn brush
13 Артикул: IR58871005, FITTING adapter - 90 degree
14 Артикул: IR96704309, BOLT
15 Артикул: IR96714308, WASHER
16 Артикул: IR58858564, STEERING WHEEL
17 Артикул: IR59461368, NUT
18 Артикул: IR58858572, HORN BUTTON
19 Артикул: IR59148569, BOLT
20 Артикул: IR96702865, NUT
21 Артикул: IR96740204, washer
22 Артикул: IR96702659, BOLT
23 Артикул: IR59020222, CONDUIT CLAMP
24 Артикул: IR59271874, BACKING PLATE
25 Артикул: IR96712898, WASHER
26 Артикул: IR96704606, NUT
27 Артикул: IR59219246, GRIP lever
28 Артикул: IR59219253, WASHER Was IR59219246 - D
29 Артикул: IR59219261, WASHER spring
30 Артикул: IR59219279, THROTTLE LEVER
31 Артикул: IR59219287, THROTTLE LEVER
32 Артикул: IR59226548, BRACKET throttle
33 Артикул: IR59726034, CLEVIS PIN
34 Артикул: IR59901306, CLEVIS
35 Артикул: IR95326609, SCREW
36 Артикул: IR95923314, LOCKNUT
37 Артикул: IR95924023, COTTER PIN
38 Артикул: IR54473871, HOSE assembly - 61.5--
39 Артикул: IR13250949, HOSE assembly - 75--
40 Артикул: IR54472956, HOSE assembly - 49--
41 Артикул: IR59219956, HOSE assembly - 48--
42 Артикул: IR96704929, BOLT
43 Артикул: IR59271882, HANDRAIL

ДАТЧИК PEDESTAL (ОПЦИЯ): Техника, которая работает на результат

ДАТЧИК PEDESTAL (ОПЦИЯ) на тандемный каток Bobcat BCA24 491911099 И ВЫШЕ

Габаритные размеры

Габаритные размеры и схема ДАТЧИК PEDESTAL (ОПЦИЯ)

Нажмите на схему для увеличения

Документация

Документация временно недоступна.

Похожая техника в категории: ТАНДЕМНЫЙ КАТОК (Bobcat)

Спецтехника АККУМУЛЯТОРНЫЙ ФОНАРЬ СИСТЕМЫ ЗАЩИТЫ ПРИ ОПРОКИДЫВАНИИ (ROPS) НА КРЫШЕ НАД СИДЕНЬЕМ ВОДИТЕЛЯ (ОПЦИЯ)

АККУМУЛЯТОРНЫЙ ФОНАРЬ СИСТЕМЫ ЗАЩИТЫ ПРИ ОПРОКИДЫВАНИИ (ROPS) НА КРЫШЕ НАД СИДЕНЬЕМ ВОДИТЕЛЯ (ОПЦИЯ)

1Артикул: IR5896...
2Артикул: IR5927...
3Артикул: IR5925...
Подробнее >
Спецтехника КОНСОЛЬ В СБОРЕ (ОПЦИЯ)

КОНСОЛЬ В СБОРЕ (ОПЦИЯ)

1Артикул: IR5883...
2Артикул: IR5892...
3Артикул: IR5910...
Подробнее >
Спецтехника СИГНАЛЬНАЯ ЛАМПА СИСТЕМЫ ЗАЩИТЫ ПРИ ОПРОКИДЫВАНИИ (ROPS) НА КРЫШЕ НАД СИДЕНЬЕМ ВОДИТЕЛЯ (ОПЦИЯ)

СИГНАЛЬНАЯ ЛАМПА СИСТЕМЫ ЗАЩИТЫ ПРИ ОПРОКИДЫВАНИИ (ROPS) НА КРЫШЕ НАД СИДЕНЬЕМ ВОДИТЕЛЯ (ОПЦИЯ)

1Артикул: IR5908...
2Артикул: IR5902...
3Артикул: IR5902...
Подробнее >
Спецтехника СИГНАЛ ПОВОРОТА И СИГНАЛ АВАРИЙНОЙ ОСТАНОВКИ (ОПЦИЯ)

СИГНАЛ ПОВОРОТА И СИГНАЛ АВАРИЙНОЙ ОСТАНОВКИ (ОПЦИЯ)

1Артикул: IR1392...
2Артикул: IR1324...
3Артикул: IR1324...
Подробнее >
Спецтехника АККУМУЛЯТОР И КЛАКСОН

АККУМУЛЯТОР И КЛАКСОН

1Артикул: 730503...
2Артикул: IR1929...
3Артикул: 703151...
Подробнее >
Спецтехника ИЗМЕРИТЕЛЬНЫЕ ПРИБОРЫ (ОПЦИЯ)

ИЗМЕРИТЕЛЬНЫЕ ПРИБОРЫ (ОПЦИЯ)

1Артикул: PEDEST...
2Артикул: IR5887...
3Артикул: IR5944...
Подробнее >
Спецтехника ЖГУТ ПРОВОДКИ В СБОРЕ

ЖГУТ ПРОВОДКИ В СБОРЕ

1Артикул: IR1347...
2-
3-
Подробнее >
Спецтехника АККУМУЛЯТОРНЫЙ ФОНАРЬ НА ДУГЕ БЕЗОПАСНОСТИ СИСТЕМЫ ЗАЩИТЫ ПРИ ОПРОКИДЫВАНИИ (ROPS) (ОПЦИЯ)

АККУМУЛЯТОРНЫЙ ФОНАРЬ НА ДУГЕ БЕЗОПАСНОСТИ СИСТЕМЫ ЗАЩИТЫ ПРИ ОПРОКИДЫВАНИИ (ROPS) (ОПЦИЯ)

1Артикул: IR5896...
2Артикул: IR5926...
3Артикул: IR5925...
Подробнее >
Спецтехника ПЛАСТИНА С ПРЕДОХРАНИТЕЛЯМИ

ПЛАСТИНА С ПРЕДОХРАНИТЕЛЯМИ

1Артикул: IR5896...
2Артикул: Timer,...
3Артикул: IR1334...
Подробнее >
Спецтехника СИГНАЛ ЗАДНЕГО ХОДА (ОПЦИЯ)

СИГНАЛ ЗАДНЕГО ХОДА (ОПЦИЯ)

1Артикул: IR5887...
2Артикул: IR5456...
3Артикул: IR9670...
Подробнее >
Спецтехника ЖГУТ ПРОВОДОВ

ЖГУТ ПРОВОДОВ

1Артикул: WIRE, ...
2Артикул: IR9674...
3Артикул: IR9673...
Подробнее >
Спецтехника СИГНАЛЬНАЯ ЛАМПА НА ДУГЕ БЕЗОПАСНОСТИ СИСТЕМЫ ЗАЩИТЫ ПРИ ОПРОКИДЫВАНИИ (ROPS) (ОПЦИЯ)

СИГНАЛЬНАЯ ЛАМПА НА ДУГЕ БЕЗОПАСНОСТИ СИСТЕМЫ ЗАЩИТЫ ПРИ ОПРОКИДЫВАНИИ (ROPS) (ОПЦИЯ)

1Артикул: IR5908...
2Артикул: IR5902...
3Артикул: IR5902...
Подробнее >