+7 (701) 588 50 05 Телефон для связи
RU

WhatsApp

Позвонить

АККУМУЛЯТОРНЫЙ ФОНАРЬ НА ДУГЕ БЕЗОПАСНОСТИ СИСТЕМЫ ЗАЩИТЫ ПРИ ОПРОКИДЫВАНИИ (ROPS) (ОПЦИЯ) — Продажа в Казахстане Цены от официального дилера с доставкой в Алматы, Астану и регионы

Техника доступна в:
Полный спектр услуг:
Для Вашего удобства:
Характеристики и описание
Габариты, схема
Техническая документация
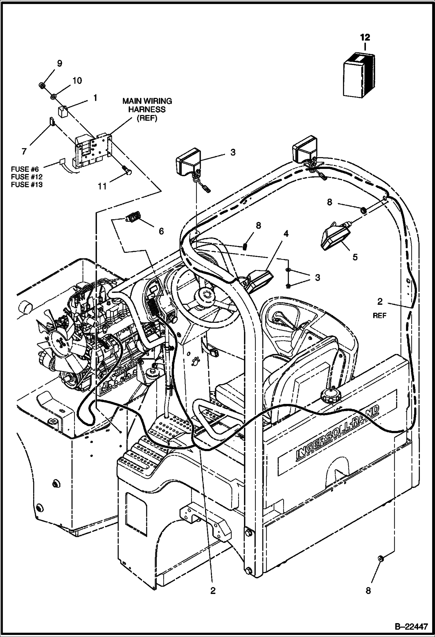
1 Артикул: IR58965377, RELAY
2 Артикул: IR59264689, HARNESS worklight chassis
3 Артикул: IR59259598, WORKLIGHT ASSY bottom
4 Артикул: IR58837949, WORK LAMP
5 Артикул: IR58875543, BULB
6 Артикул: IR58860438, LENS
7 Артикул: IR59854943, CONNECTOR
8 Артикул: IR59854828, MALE PIN
9 Артикул: IR59854877, CABLE SEAL
10 Артикул: IR59265777, WORKLIGHT ASSY R.H.
11 Артикул: IR54525084, WORKLIGHT
12 Артикул: IR58875543, BULB
13 Артикул: IR59854943, CONNECTOR
14 Артикул: IR59854828, MALE PIN
15 Артикул: IR59854877, CABLE SEAL
16 Артикул: IR59265793, WORKLIGHT ASSY L.H.
17 Артикул: IR54525134, WORKLIGHT
18 Артикул: IR58875543, BULB
19 Артикул: IR59854943, CONNECTOR
20 Артикул: IR59854828, MALE PIN
21 Артикул: IR59854877, CABLE SEAL
22 Артикул: IR54479373, SWITCH worklight
23 Артикул: IR59483339, FUSE
24 Артикул: IR59704403, GROMMET
25 Артикул: IR96738554, washer
26 Артикул: IR96704580, LOCKNUT
27 Артикул: IR96705728, BOLT
28 Артикул: IR13222997, WORKLIGHT KIT

АККУМУЛЯТОРНЫЙ ФОНАРЬ НА ДУГЕ БЕЗОПАСНОСТИ СИСТЕМЫ ЗАЩИТЫ ПРИ ОПРОКИДЫВАНИИ (ROPS) (ОПЦИЯ): Техника, которая работает на результат

АККУМУЛЯТОРНЫЙ ФОНАРЬ НА ДУГЕ БЕЗОПАСНОСТИ СИСТЕМЫ ЗАЩИТЫ ПРИ ОПРОКИДЫВАНИИ (ROPS) (ОПЦИЯ) на тандемный каток Bobcat BCA24 491911099 И ВЫШЕ

Габаритные размеры

Габаритные размеры и схема АККУМУЛЯТОРНЫЙ ФОНАРЬ НА ДУГЕ БЕЗОПАСНОСТИ СИСТЕМЫ ЗАЩИТЫ ПРИ ОПРОКИДЫВАНИИ (ROPS) (ОПЦИЯ)

Нажмите на схему для увеличения

Документация

Документация временно недоступна.

Похожая техника в категории: ТАНДЕМНЫЙ КАТОК (Bobcat)

Спецтехника АККУМУЛЯТОРНЫЙ ФОНАРЬ СИСТЕМЫ ЗАЩИТЫ ПРИ ОПРОКИДЫВАНИИ (ROPS) НА КРЫШЕ НАД СИДЕНЬЕМ ВОДИТЕЛЯ (ОПЦИЯ)

АККУМУЛЯТОРНЫЙ ФОНАРЬ СИСТЕМЫ ЗАЩИТЫ ПРИ ОПРОКИДЫВАНИИ (ROPS) НА КРЫШЕ НАД СИДЕНЬЕМ ВОДИТЕЛЯ (ОПЦИЯ)

1Артикул: IR5896...
2Артикул: IR5927...
3Артикул: IR5925...
Подробнее >
Спецтехника КОНСОЛЬ В СБОРЕ (ОПЦИЯ)

КОНСОЛЬ В СБОРЕ (ОПЦИЯ)

1Артикул: IR5883...
2Артикул: IR5892...
3Артикул: IR5910...
Подробнее >
Спецтехника СИГНАЛЬНАЯ ЛАМПА СИСТЕМЫ ЗАЩИТЫ ПРИ ОПРОКИДЫВАНИИ (ROPS) НА КРЫШЕ НАД СИДЕНЬЕМ ВОДИТЕЛЯ (ОПЦИЯ)

СИГНАЛЬНАЯ ЛАМПА СИСТЕМЫ ЗАЩИТЫ ПРИ ОПРОКИДЫВАНИИ (ROPS) НА КРЫШЕ НАД СИДЕНЬЕМ ВОДИТЕЛЯ (ОПЦИЯ)

1Артикул: IR5908...
2Артикул: IR5902...
3Артикул: IR5902...
Подробнее >
Спецтехника СИГНАЛ ПОВОРОТА И СИГНАЛ АВАРИЙНОЙ ОСТАНОВКИ (ОПЦИЯ)

СИГНАЛ ПОВОРОТА И СИГНАЛ АВАРИЙНОЙ ОСТАНОВКИ (ОПЦИЯ)

1Артикул: IR1392...
2Артикул: IR1324...
3Артикул: IR1324...
Подробнее >
Спецтехника АККУМУЛЯТОР И КЛАКСОН

АККУМУЛЯТОР И КЛАКСОН

1Артикул: 730503...
2Артикул: IR1929...
3Артикул: 703151...
Подробнее >
Спецтехника ИЗМЕРИТЕЛЬНЫЕ ПРИБОРЫ (ОПЦИЯ)

ИЗМЕРИТЕЛЬНЫЕ ПРИБОРЫ (ОПЦИЯ)

1Артикул: PEDEST...
2Артикул: IR5887...
3Артикул: IR5944...
Подробнее >
Спецтехника ЖГУТ ПРОВОДКИ В СБОРЕ

ЖГУТ ПРОВОДКИ В СБОРЕ

1Артикул: IR1347...
2-
3-
Подробнее >
Спецтехника ДАТЧИК PEDESTAL (ОПЦИЯ)

ДАТЧИК PEDESTAL (ОПЦИЯ)

1Артикул: IR5929...
2Артикул: IR5446...
3Артикул: CONSOL...
Подробнее >
Спецтехника ПЛАСТИНА С ПРЕДОХРАНИТЕЛЯМИ

ПЛАСТИНА С ПРЕДОХРАНИТЕЛЯМИ

1Артикул: IR5896...
2Артикул: Timer,...
3Артикул: IR1334...
Подробнее >
Спецтехника СИГНАЛ ЗАДНЕГО ХОДА (ОПЦИЯ)

СИГНАЛ ЗАДНЕГО ХОДА (ОПЦИЯ)

1Артикул: IR5887...
2Артикул: IR5456...
3Артикул: IR9670...
Подробнее >
Спецтехника ЖГУТ ПРОВОДОВ

ЖГУТ ПРОВОДОВ

1Артикул: WIRE, ...
2Артикул: IR9674...
3Артикул: IR9673...
Подробнее >
Спецтехника СИГНАЛЬНАЯ ЛАМПА НА ДУГЕ БЕЗОПАСНОСТИ СИСТЕМЫ ЗАЩИТЫ ПРИ ОПРОКИДЫВАНИИ (ROPS) (ОПЦИЯ)

СИГНАЛЬНАЯ ЛАМПА НА ДУГЕ БЕЗОПАСНОСТИ СИСТЕМЫ ЗАЩИТЫ ПРИ ОПРОКИДЫВАНИИ (ROPS) (ОПЦИЯ)

1Артикул: IR5908...
2Артикул: IR5902...
3Артикул: IR5902...
Подробнее >